• 1
  • 2
  • 3
  • 4
  • 5
  • 15
Всичко свързано с тоците ми е слабост, опитайте се да ме затрудните.
Shivarovo - напреднал
Искам да попитам за нулевия проводник (неутралата)
Последна промяна от Shivarovo на чет апр 29, 2010 1:25 pm, променено общо 1 път.
moimoimoi - майстор
ако до контакта ти идват три проводен кабел те трябва да са фаза нула и земно
разликата между нулата и земното е че едното е работна нула/по нея тече ток/ а земното е неработна нула/нормално не трябва да тече ток/
когато няма земно до таблото а само фаза и нула се ползва нулата за защитно зануляване в контактите
земното най често се изпълнява чрез забити и свързани помежду си 2-3-4-5 кола в земята и импеданса на земното не трябва да е повече от 10 ома ,ако е повече това означава че не е добро

по електропровода има обикновенно 3 проводника-това са три фази
те отиват до трафопоста съответно в трансформатор 20кв/380волта
вторичната намотка на този трансформатор е свързана в звезда и от звездния център се извежда нулата /работна нула/която заедно с фазите се разпределя за потребителите

или накратко:
нулата е от трансформатора
а земното трябва да е от заземителен контур в земята
Shivarovo - напреднал
ако може някой чертеж за да стане по ясно ще съм мн благодарен
zmeios - специалист
Shivarovo написа:
Като погледнем даден електропровод имаме 3 фази.
Ми това е половината от отговора - думата "електропровод". Там вървят разни напрежения, според електропровода, а между тях и твоята къща / блок и т.н. има трансформатор задължително.

Ако имаш "обикновени" стълбове за 220 волта, от старовремските ;) по тях си тече фаза и нула. Най-горната жица обикновено изобщо не е проводник, а механичен елемент, на него се опъват тоководещите проводници. Варианти много.
moimoimoi - майстор
еи ти схема-ясно ли ти е вече :?

Прикачен файл

DSC00213.JPG
DSC00213.JPG (132.56 KиБ) Видяна 11704 пъти
Shivarovo - напреднал
Благодаря за обясненито и чертежа и сега ако ми нарисува някой първичната и вторичната намотка на трансформатора и от каде точно идва нулата всичко ше ми се изясни
Последна промяна от Shivarovo на вт сеп 22, 2009 9:10 pm, променено общо 1 път.
sasooooooooo - "специалист"
Рисунката наистина е много яка :-D
Trifun - специалист
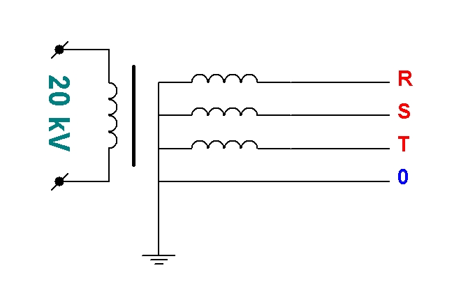
хихихи, "схемата" на @moimoimoi наистина е много сладка :-D , но май @Shivarovo имаше предвид нещо такова :

Прикачен файл

TRAF 20 380.jpg
TRAF 20 380.jpg (22.72 KиБ) Видяна 11641 пъти
Милен - майстор
moimoimoi написа:
еи ти схема-ясно ли ти е вече :?
Картинката е супер :lol:
bolen_siderov - напреднал
Между другото и аз съм се чудел как се връзва "земята" в ел таблото, защото таблата, които съм преправял (смяна на старите бушонни табла с прекъсвачи) са били в панелки, където досега не съм видял да е предвиден кабел за заземяване, но сега ми предстои да правя две табла на къщи, където до електромерите стигат три кабела, но единия си стои изолиран и в таблото влизат само фазата и нулата - предполагам, че това е "земята". Как обаче я вържа в таблото, като в новите табла има само шина за бушоните и клема за нулата :? това, което се сещам е заземяването да в клемата заедно с нулата, ама не съм много сигурен, че това е правилния начин :?:
  • 1
  • 2
  • 3
  • 4
  • 5
  • 15

Тема "За нулевия проводник" | Включи се в дискусията:


Сподели форума:

Бъди информиран. Следвай "Направи сам" във Facebook:

Намери изпълнител и вдъхновения за дома. Следвай MaistorPlus във Facebook: