Здравейте,имам една натриева с високо налягане 50w,имам дросели за живачни(различни мощности),имам и траф за високо напрежение(3-4mm дъга прави).Та въпроса е дали мога да я светна тая лампа с тея неща?И ако някой обясни точно как работят запалките за този тип лампи,ще съм много благодарен.
Всичко свързано с тоците ми е слабост, опитайте се да ме затрудните.
kolev_k
- специалист
10 мнения в "Натриева лампа"
thebugger
- специалист
- Мнения: 455
Търси Low Pressure Sodium Lamp Igniter. В общи линии, енергия се складира в бобина и кондензатор, която първоначално се разрежда в натриевата лампа и я ,,запалва''. След като се изтощи резервът на резервоарните филтри, напрежението се нормализира, и пада в нормални граници, колкото да я поддържа. Обаче не съм сигурен че можеш сам да си направиш igniter.
thebugger
- специалист
- Мнения: 455
Ако е 50W значи е low pressure. Дори и 150W пак се водят low pressure. Мисля че над 300W са high pressure. Ето принципна схема, обаче пак казвам, че сам ако тръгнеш да я правиш ще се затрудниш. За бобината не съм сигурен каква трябва да е, но със сигурност щом трябва да работи с 50Hz ще е много голяма индуктивността и (в порядъка на няколко Хенрита). Тиристорът също ще трябва да се управлява от нещо. В общи линии това на схемата е много опростено, колкото да схванеш за какво става дума, иначе няма да е толкова лесно. http://www.blc.lsbu.ac.uk/webcreatif/BE ... Ch3-70.gif
П.С. Преди известно време замислях различен вид запалител с реле, вместо тиристора, с ръчно палене, но така и не го направих. Но дросела е неизбежен. Идеята ми беше в правилния LC филтър да складирам енергията и за момент ръчно да активирам реле, което да разреди ,,резервоарния'' филтър през лампата и като я видя че се ,,запалила'' да превключа релето на 220V ( в нормален режим)
П.С. Преди известно време замислях различен вид запалител с реле, вместо тиристора, с ръчно палене, но така и не го направих. Но дросела е неизбежен. Идеята ми беше в правилния LC филтър да складирам енергията и за момент ръчно да активирам реле, което да разреди ,,резервоарния'' филтър през лампата и като я видя че се ,,запалила'' да превключа релето на 220V ( в нормален режим)
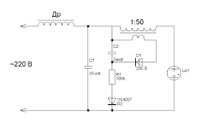
Прикачен файл
Горе долу това ми беше идеята с релето, не знам дали ще стане, но изглежда по лесно от версията с тиристора.
Screenshot_2015-12-08-03-38-55.png (104.55 KиБ) Видяна 3418 пъти
kolev_k
- специалист
- Мнения: 794
Колега thebugger,лампата е в оригиналната си опаковка и си пише че е високо налягане.
Има и мякакви означения:VIALOX,NAV-T,(SON-T),които нищо не ми говорят. Пак казвам че е "опитно зайче" и дали ще я опукам не ми пука.Не ми се занимава да правя електронни схеми,да давам пари за баласт и т.н.Мисля да я свържа последователно през дросел за Ж.Л.и да и подам за момент високото напрежеие.Интересно ми е да видя дали ще запали по този начин,каква светлина дава и ако ми хареса тогава ще мисля по въпроса дали да купувам баласт.
П.П.От тая схема която си дал да рабирам ли че първо се подава напрежение през LC групата,и след това директно към мрежата?
Има и мякакви означения:VIALOX,NAV-T,(SON-T),които нищо не ми говорят. Пак казвам че е "опитно зайче" и дали ще я опукам не ми пука.Не ми се занимава да правя електронни схеми,да давам пари за баласт и т.н.Мисля да я свържа последователно през дросел за Ж.Л.и да и подам за момент високото напрежеие.Интересно ми е да видя дали ще запали по този начин,каква светлина дава и ако ми хареса тогава ще мисля по въпроса дали да купувам баласт.
П.П.От тая схема която си дал да рабирам ли че първо се подава напрежение през LC групата,и след това директно към мрежата?
thebugger
- специалист
- Мнения: 455
Да първо от LC филтъра, който повишава напрежението, колкото да я запали и след това с нормално напрежение. То и със тиристора действа по същия начин, само че автоматично. Но така не мисля че ще стане само през дросела. Ако не друго той ще възпрепятства на високото напрежение от мрежата, сам по себе си, няма да го вдига. Трябва да е в комплект с кондензатор. А това че на 50W е high pressure ми се струва много странно.
hidrazin
- майстор
1115
- специалист
- Мнения: 701
Ясно е че лампата е натриева с високо налягане.
Ако ще я светвате само за проба - може.
Дросела трябва да е 80w живачен примерно.
Свързваш го последователно на лампата (както винаги), захранваш ги и с трансформатора подаваш за секунда импулс на лампата - ще запали.
Пробвано е .
Иначе е желателно да се експлоатира с точния дросел и ПЗУ (пуско запалващо у-в).
Може да си купиш и електроннен баласт, че даже и с димиране.
Т.е. - припокрива се с твоята идея и е най-правилно.
Опукване може само ако я палнеш без дросел - директно на 220V.
Ако ще я светвате само за проба - може.
Дросела трябва да е 80w живачен примерно.
Свързваш го последователно на лампата (както винаги), захранваш ги и с трансформатора подаваш за секунда импулс на лампата - ще запали.
Пробвано е .
Иначе е желателно да се експлоатира с точния дросел и ПЗУ (пуско запалващо у-в).
Може да си купиш и електроннен баласт, че даже и с димиране.
Т.е. - припокрива се с твоята идея и е най-правилно.
Опукване може само ако я палнеш без дросел - директно на 220V.
Тема "Натриева лампа" | Включи се в дискусията:
Сподели форума:
Бъди информиран. Следвай "Направи сам" във Facebook:
Намери изпълнител и вдъхновения за дома. Следвай MaistorPlus във Facebook:
Имаш нужда от подходящ професионалист за дома?
- Преустройство, ремонт и реновиране
- ↳ Вашите ремонти
- ↳ Кухня
- ↳ Баня
- ↳ Дневна
- ↳ Спалня
- ↳ Детска
- ↳ Градина
- ↳ Коридор
- ↳ Тераса и балкон
- Направи сам
- ↳ Направи сам
- ↳ Ремонтирай сам
- ↳ Къде е по-евтино?
- ↳ Дърводелство
- ↳ Ел. инструменти
- ↳ Металообработване
- ↳ Конкурс "Направи сам 2012"
- Строителство
- ↳ Всичко за вилата
- ↳ Къщи
- ↳ Саниране
- ↳ Хидроизолация
- ↳ Пасивни и нискоенергийни сгради
- Сухо строителство
- ↳ Окачени тавани
- ↳ Преградни стени и предстенни обшивки
- ↳ Сухи и повдигнати подове
- ↳ Декоративни елементи - колони, трегери, сводове и др.
- ↳ Всичко за гипскартона и гипсфазера
- Въпроси и Отговори
- ↳ Полезни съвети
- ↳ Автомобили
- ↳ Партньори
- ↳ Боядисване и Декориране
- ↳ Вентилация, климатици и термопомпи
- ↳ Водоснабдяване и канализация.
- ↳ Всичко за ремонта
- ↳ Електротехника
- ↳ Отопление
- ↳ Газификация
- ↳ Електроника и Схеми
- ↳ Газобетон
- ↳ От всичко по малко
- ↳ Компютри и периферия
- ↳ Уеб дизайн, PHP, MySQL, JavaScript, HTML..
- ↳ Мобилни устройства, GSM-и
- ↳ Нека се запознаем
- ↳ Recycle Bin
- Статии
- ↳ Практични решения
- ↳ Качване на снимки
- ↳ Какви статии искате?
- ↳ Готварство, туршии и зимнина
- ↳ Отмора и шеги
- ↳ От нищо нещо
- ↳ Не е за вярване
- ↳ Литература
- ↳ Връзки към Интересни сайтове
- Магазин
- ↳ Препоръки и Мнения за он-лайн магазина
- ↳ Крадeни инструменти !!!


