Дряновците са готина фирма, лично ходих там, но все пак проверявайте им платките. Изработени са наистина професионално, но не е изключено да има грешки.
MrMurdjo,
Не знам защо хвалиш Syrius когато не си купил нищо от тях и не си им сърбал попарата.
Sypius всичко копират от Интернет но не им стига уменията да направят един завършен добре работещ проект.
Амбицирах се и всичките им изделия /контролери и драйвери и друга електроника/ намерих в Интернет откъдето са ги копирали.Те едни печатни платки не могат да направят като хората нищо че са SYRIUS PCB.
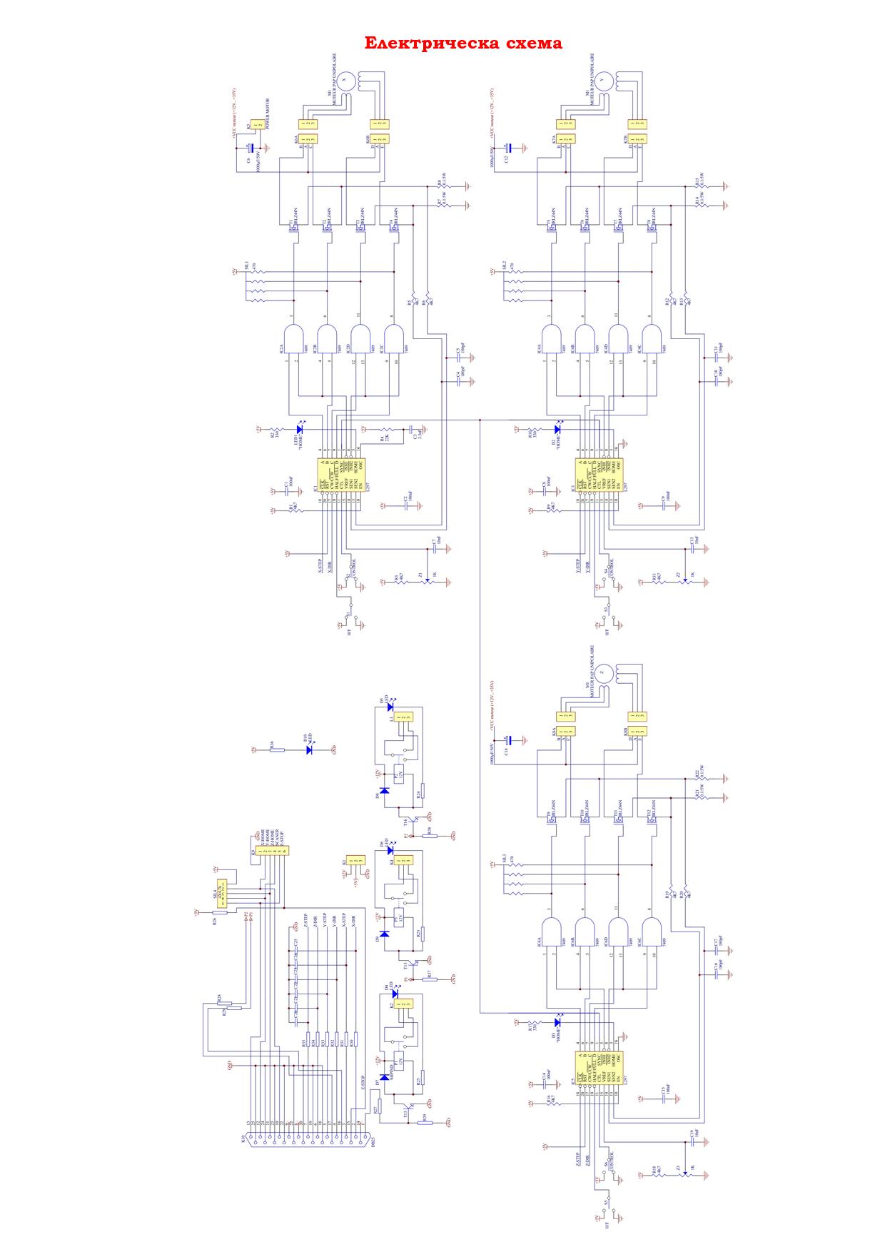
Аз в къщи със Sprint Layout-а си ги правя по-професионално от тях.Снимки имам във форума.Може да ги потърсиш.
Аз много неща съм купувал от Syrius и нито едно не е тръгвало както трябва.То прекъснати ли писти нещеш,то перфорацията ли не е на място,то сбъркани ли схеми не щеш.какво ли не.Но моята подготовка и знания ми позволяваха
да се справя с всички техни бакии.Но питам - Какво ще правят дриги хора които нямат необходимата подготовка?
Стигна се дори до там,че благодарение на тяхната глупост и недоглеждане една тяхна платка ми изгори един процесор Atmega32.Трябваше аз да им корегирам изделието.Е нямаше как заплатиха си го иначе отиваха на съд за лоша продукция и подвеждане на клиенти.
Така, че ЗА Бога Братя не Купувайте Бракувана Продукция.
А че SLA6072 е добра схема няма съмнение.Но чета в указанието което е постнал колегата - petko_sz,че максималната входяща честота за сигнала STEP e 16 khz.a na Mach3 минималния Kernel Speed е 25 khz.Може тук да се е скрило кучето и затова контролера да не работи.И ако това е така питам MrMurdjo,защо Syrius е написал че може да се ползва и от Mach3?
Поздрави
