ср фев 28, 2024 6:48 pmgetzov написа: Тая ръчка е много гадна, патих я като бях с Рено 19, всичко на нея накачили фр. инженери, както се казва - мултифункционална. При мен проблемът беше превключването къси-дълги, но благодарение на един руски/дано не ме заклеймят/ форум с един кламер/или телче/ се спасих.ми то това сигурно е някакъв шунт това кламерче, аз разглобих тая ръчка щото имам вече една излишна и там има разни механизми не много сложни, явно така с кламера се избягва неконтактуването....!!
Всички имаме коли, нали ?
Fredfred7171
- специалист
31 мнения в "Губят ми се късите светлини на колата??"
Fredfred7171
- специалист
- Мнения: 71
Мерси на всички, да не пропусна някой, смятам да сложа едно ключе, както споменах, и да си стой включена ръчката, ключето ще го сложа при крушките, тоест там ще прекъсна веригата, и ще си изведа с кабел в купето-да си шракам за късите оттам!!
svilenotnisovo
- напреднал
- Мнения: 20
Имам Сценик 2000г купих го с монтиран модул за дневни светлини. Късите се палят сами като запаля. Така ще ти е най лесно мисля.
Fredfred7171
- специалист
- Мнения: 71
Ако обаче прекъсна с ключе късите, и ръчката стои включена ще ми се изтощава акумолатора , така че май трябва са направи отделна верига пак с ключе за късите светлини само..
iliya_i
- майстор
- Мнения: 4559
чет фев 29, 2024 5:43 pmFredfred7171 написа: Ако обаче прекъсна с ключе късите, и ръчката стои включена ще ми се изтощава акумолатора , така че май трябва са направи отделна верига пак с ключе за късите светлини само..А дълги как ще включваш?
Също трябва да имаш впредвид, че ляв и десен фар са на различни бушони.
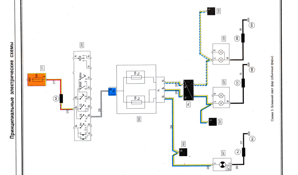
https://www.renaultbook.ru/bg/Megane/1/ ... kih-shemah
Fredfred7171
- специалист
- Мнения: 71
чет фев 29, 2024 6:14 pmiliya_i написа:Мерси.., ами резонен въпрос, но дълтиге ще си ги включвам от ръчката когато ми трябва, така си мисля защото на куплунга за крушките има доколкото измерих отделно напрежение за тях. А иначе за бушони, ами аз като подам от плюса под капака ще е директно към крушките и незнам дали ще минава през бушоните, незная какво може да се случи освен да изгори ключа или крушките, незнам доколоко е безопасно, но...да даде някаква искра че да се запали нещо --невярвам, ще направя кабелите да са прибрани, изолирани връзките..чет фев 29, 2024 5:43 pmFredfred7171 написа: Ако обаче прекъсна с ключе късите, и ръчката стои включена ще ми се изтощава акумолатора , така че май трябва са направи отделна верига пак с ключе за късите светлини само..А дълги как ще включваш?
Също трябва да имаш впредвид, че ляв и десен фар са на различни бушони.
https://www.renaultbook.ru/bg/Megane/1/ ... kih-shemah
iliya_i
- майстор
- Мнения: 4559
чет фев 29, 2024 7:29 pmFredfred7171 написа:А крушките H4 дали могат да светят едновременно на къси и дълги без да гръмнат на 15-тата секунда?чет фев 29, 2024 6:14 pmiliya_i написа:Мерси.., ами резонен въпрос, но дълтиге ще си ги включвам от ръчката когато ми трябва, така си мисля защото на куплунга за крушките има доколкото измерих отделно напрежение за тях. А иначе за бушони, ами аз като подам от плюса под капака ще е директно към крушките и незнам дали ще минава през бушоните, незная какво може да се случи освен да изгори ключа или крушките, незнам доколоко е безопасно, но...да даде някаква искра че да се запали нещо --невярвам, ще направя кабелите да са прибрани, изолирани връзките..чет фев 29, 2024 5:43 pmFredfred7171 написа: Ако обаче прекъсна с ключе късите, и ръчката стои включена ще ми се изтощава акумолатора , така че май трябва са направи отделна верига пак с ключе за късите светлини само..А дълги как ще включваш?
Също трябва да имаш впредвид, че ляв и десен фар са на различни бушони.
https://www.renaultbook.ru/bg/Megane/1/ ... kih-shemah
Чудя се от коя паланка ли си, дето няма автоморги на 20-30 км разстояние, пълна с менан 1 (може и клио 2 или лагуна 1), та си мислиш за глупости?
Естествено, плащаш след проба.
На R19 за 17 години при мен, и още 10 при друг преди това, нямах такъв проблем. Отиде си в моргата с читав превключвател.
На R5 имах, но си купих втора употреба, с проба на място.
Трифон П.Трифонов
- майстор
- На линия
- Мнения: 22370
Последователно две Ренетки- R9 GTL и R9 1.4 Turbo.
Отидоха си с работещи ръчки на 21 и 23 години- първата продадена, втората омръзнала.
Накрая всеки таралясник става Рено.
Отидоха си с работещи ръчки на 21 и 23 години- първата продадена, втората омръзнала.
Накрая всеки таралясник става Рено.
Тема "Губят ми се късите светлини на колата??" | Включи се в дискусията:
Сподели форума:
Бъди информиран. Следвай "Направи сам" във Facebook:
Намери изпълнител и вдъхновения за дома. Следвай MaistorPlus във Facebook:
Имаш нужда от подходящ професионалист за дома?
- Преустройство, ремонт и реновиране
- ↳ Вашите ремонти
- ↳ Кухня
- ↳ Баня
- ↳ Дневна
- ↳ Спалня
- ↳ Детска
- ↳ Градина
- ↳ Коридор
- ↳ Тераса и балкон
- Направи сам
- ↳ Направи сам
- ↳ Ремонтирай сам
- ↳ Къде е по-евтино?
- ↳ Дърводелство
- ↳ Ел. инструменти
- ↳ Металообработване
- ↳ Конкурс "Направи сам 2012"
- Строителство
- ↳ Всичко за вилата
- ↳ Къщи
- ↳ Саниране
- ↳ Хидроизолация
- ↳ Пасивни и нискоенергийни сгради
- Сухо строителство
- ↳ Окачени тавани
- ↳ Преградни стени и предстенни обшивки
- ↳ Сухи и повдигнати подове
- ↳ Декоративни елементи - колони, трегери, сводове и др.
- ↳ Всичко за гипскартона и гипсфазера
- Въпроси и Отговори
- ↳ Полезни съвети
- ↳ Автомобили
- ↳ Партньори
- ↳ Боядисване и Декориране
- ↳ Вентилация, климатици и термопомпи
- ↳ Водоснабдяване и канализация.
- ↳ Всичко за ремонта
- ↳ Електротехника
- ↳ Отопление
- ↳ Газификация
- ↳ Електроника и Схеми
- ↳ Газобетон
- ↳ От всичко по малко
- ↳ Компютри и периферия
- ↳ Уеб дизайн, PHP, MySQL, JavaScript, HTML..
- ↳ Мобилни устройства, GSM-и
- ↳ Нека се запознаем
- ↳ Recycle Bin
- Статии
- ↳ Практични решения
- ↳ Качване на снимки
- ↳ Какви статии искате?
- ↳ Готварство, туршии и зимнина
- ↳ Отмора и шеги
- ↳ От нищо нещо
- ↳ Не е за вярване
- ↳ Литература
- ↳ Връзки към Интересни сайтове
- Магазин
- ↳ Препоръки и Мнения за он-лайн магазина
- ↳ Крадeни инструменти !!!