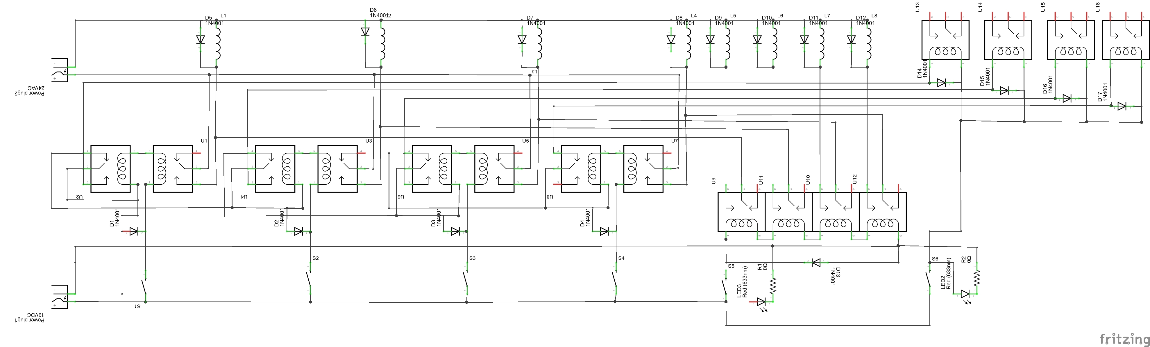
Това е схема за управление на част от стоматологична машина.
Стоматологичната машина е стара и имаше общо 3 машинки - първата е пасивна тя е въздух вода и не се прекъсва нищо по нея.
И така машината първоначално беше направена с двустранен крачен прекъсвач(ппедал) и от всяка страна тръгваше различна машинка (съответно ляво-2 ,дясно -3)
Преди време вградих един прекъсвач с три крачета в единия държач и така , ако машинката му беше поставена тока се отклоняваше към другата ако ли не към съответната за държача (държачите бяха метални и си беше истинско приключение)
Наскоро купих от Ebay петорен държач и съответно схемата е за този петорен държач ,в който вградих много лесно четири нормално отворени прекъсвача(с по 2 крачета) съответно на позиции 2,3,4,5.
Четири прекъсвача 1,2,3,4 са прекъсвачите които са на държача. Има още два прекъсвача единия служи за спиране и пускане на вода а другия за спиране и пускане не светлина (и двата имат светлинен индикатор)
Прекъсвачи 1,2,3,4 при затваряне подават индиректно 24AVC към магнет вентил за въздух , ако е затворен ключа за вода подават ток и към магнет вентил за вода (Ползват общ източник затова е едно четворно реле), ако е затворен прекъсвач за светлина затварят съответно реле за светлина (четири индивидуални релета)
Стоматологичната машина е стара и имаше общо 3 машинки - първата е пасивна тя е въздух вода и не се прекъсва нищо по нея.
И така машината първоначално беше направена с двустранен крачен прекъсвач(ппедал) и от всяка страна тръгваше различна машинка (съответно ляво-2 ,дясно -3)
Преди време вградих един прекъсвач с три крачета в единия държач и така , ако машинката му беше поставена тока се отклоняваше към другата ако ли не към съответната за държача (държачите бяха метални и си беше истинско приключение)
Наскоро купих от Ebay петорен държач и съответно схемата е за този петорен държач ,в който вградих много лесно четири нормално отворени прекъсвача(с по 2 крачета) съответно на позиции 2,3,4,5.
Четири прекъсвача 1,2,3,4 са прекъсвачите които са на държача. Има още два прекъсвача единия служи за спиране и пускане на вода а другия за спиране и пускане не светлина (и двата имат светлинен индикатор)
Прекъсвачи 1,2,3,4 при затваряне подават индиректно 24AVC към магнет вентил за въздух , ако е затворен ключа за вода подават ток и към магнет вентил за вода (Ползват общ източник затова е едно четворно реле), ако е затворен прекъсвач за светлина затварят съответно реле за светлина (четири индивидуални релета)
