Здравейте!
Търся електрическа схема на габровско реле за време ЕРВЦ-С1. Проблемът е, че изходното реле включва след времезакъснение, а на мен ми трябва
релето да включва при подаване на захранването и да изключва след изтичане на зададеното време.
Вариантът с допълнително външно реле за 230 волта не ме устройва, пради липса на място в блока за управление.
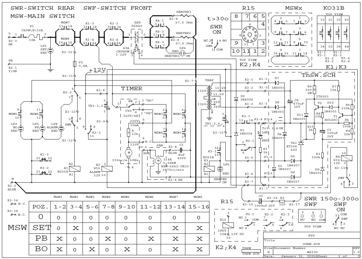
Правя с подръчни материали схема за управление на вехтозаветен пунктшвайс, на който силовата част съм правил преди 50 години и оттогава стои като паметник, като съм го включвал инцидентно само със щепсел.
(Навремето, срещу техникума "Сталин", в една уличка, имаше ТПК "Атанас Романов" и там ми навиха макарата на трафа. Сега там е кварталът "Зона Б5".)

пунктшвайс.jpg (112.07 KиБ) Видяна 7028 пъти
Схемата е известна и осигурява подаване на четен брой полупериоди, като включването е винаги през положителния, а изключването след изтичане на отрицателния полупериод.
При такава функция на релето се налага на педала за включване да се сложат два отделни контакта, работещи едновременно, като задържането им във включено състояние трябва да е до края на цикъла.
При втората функция на релето, схемата се опростява, а натискането на педала е еднкратно и не изисква задържането му във включено състояние до края на цикъла.

пунктшвайс2.jpg (108.88 KиБ) Видяна 7028 пъти
Имам няколко япoнски релета OMRON H3C, които стават, но за тази глупост ми е жал да ги слагам, а и имам щение да се отърва от габровското.
Мисля, че може да му се бръкне в карантията и да се преправи.
Давам половин царство заедно с царската дъщеря. (На някой превтасал ерген, за да му зачерня къщата!)
Търся електрическа схема на габровско реле за време ЕРВЦ-С1. Проблемът е, че изходното реле включва след времезакъснение, а на мен ми трябва
релето да включва при подаване на захранването и да изключва след изтичане на зададеното време.
Вариантът с допълнително външно реле за 230 волта не ме устройва, пради липса на място в блока за управление.
Правя с подръчни материали схема за управление на вехтозаветен пунктшвайс, на който силовата част съм правил преди 50 години и оттогава стои като паметник, като съм го включвал инцидентно само със щепсел.
(Навремето, срещу техникума "Сталин", в една уличка, имаше ТПК "Атанас Романов" и там ми навиха макарата на трафа. Сега там е кварталът "Зона Б5".)
Прикачен файл:
пунктшвайс.jpg (112.07 KиБ) Видяна 7028 пъти
Схемата е известна и осигурява подаване на четен брой полупериоди, като включването е винаги през положителния, а изключването след изтичане на отрицателния полупериод.
При такава функция на релето се налага на педала за включване да се сложат два отделни контакта, работещи едновременно, като задържането им във включено състояние трябва да е до края на цикъла.
При втората функция на релето, схемата се опростява, а натискането на педала е еднкратно и не изисква задържането му във включено състояние до края на цикъла.
Прикачен файл:
пунктшвайс2.jpg (108.88 KиБ) Видяна 7028 пъти
Имам няколко япoнски релета OMRON H3C, които стават, но за тази глупост ми е жал да ги слагам, а и имам щение да се отърва от габровското.
Мисля, че може да му се бръкне в карантията и да се преправи.
Давам половин царство заедно с царската дъщеря. (На някой превтасал ерген, за да му зачерня къщата!)