Искам да си направя зарядно за лаптопа за кола, като евентуално в бъдеще да прерасне в соларно зарядно.
Целта е да има максимално КПД. Спрял съм се на две схеми:
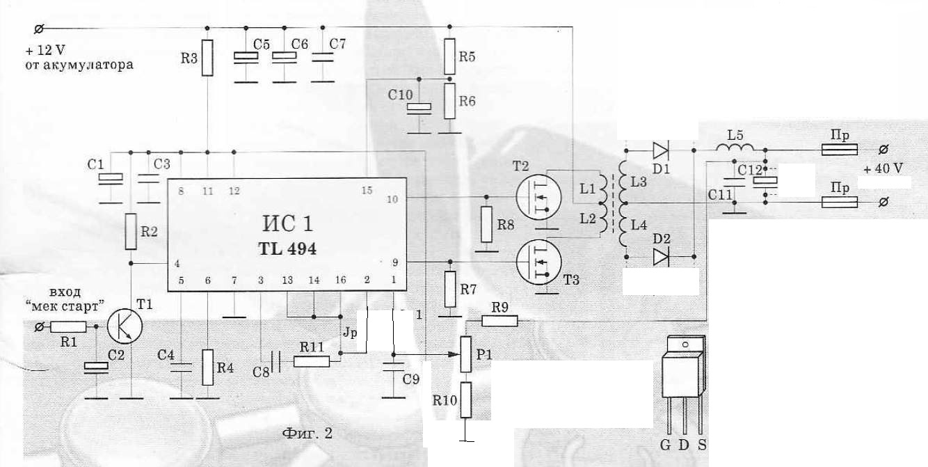
1. Използва TL494, трансформаторна.
Предимство е, че я имам реализирана за 40V , като идеята е да преработя вторичната на трафа на 2Х4 намотки и подборка на R9 и R10 . 2.Използва UC3843, дроселна. Според http://forum.qrz.ru/attachment.php?atta ... 1147250763 и дават до 92%КПД. Проверих частите, няма да излязат над 10-15лв. Притеснява ме единствено изработката на дросела.
UC3843.JPG (80.88 KиБ) Видяна 2758 пъти
Ако някой е правил нещо подобно, да даде акъл. Коя е по-добра за целта
Срещу набиване на канчета имам каска 
Целта е да има максимално КПД. Спрял съм се на две схеми:
1. Използва TL494, трансформаторна.
Предимство е, че я имам реализирана за 40V , като идеята е да преработя вторичната на трафа на 2Х4 намотки и подборка на R9 и R10 . 2.Използва UC3843, дроселна. Според http://forum.qrz.ru/attachment.php?atta ... 1147250763 и дават до 92%КПД. Проверих частите, няма да излязат над 10-15лв. Притеснява ме единствено изработката на дросела.
Прикачен файл:
UC3843.JPG (80.88 KиБ) Видяна 2758 пъти

