Здравейте колеги
Представям ви моята версия на температурен мониторинг.
Към модераторите: ако мислите, че темата е по-подходяща за секцията Отопление (понеже видях там да се дискутира температурен мониторинг), преместете я
Прецених, че тук е по-подходящо, понеже изисква поне елементарни познания по електроника
Изградена е от един микроконтролер Atmega168PA, LCD дисплей от стар GSM(мобифон) и bluetooth модул от стар касов апарат и I2C realTime чип DS1307
Стойността на проекта (в зависимост от съдържанието на домашния "кореком"
) е около 15-20лв.
Възможности:
-Измерване и показване моментни температури по 3 канала
-Запаметяване и показване на дневни максимална, минимална и средна температура по 3 канала
-Запаметяване и показване на месечни максимална, минимална и средна температура по 3 канала
-Възможност по 3 канал да се измерва температурна разлика
-Изпращане на температурите на всеки 2сек. посредством Bluetooth модул на Android устройство
-Запаметяване на дневните и месечните температури при отпадане на захранването
Настройки:
-дата и час
-еталонно напрежение
-контраст на дисплея
-осветление на дисплея
-режим на канал 3
Но да карам подред....
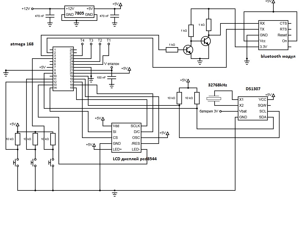
Ето схемата на проекта:
1.Микроконтролера
Програмирането на чипа може да си го направите и сами. Единия вариант е посредством паралелен кабел и PonyProg, информация има много в нета.
Другия вариант е да си купите програматор, има в Елимекс. Цената е около двайсетина лева, ама ако мислите и за в бъдеще да си играете с контролери си заслужава инвестицията.
HEX файла с програмата ще ви я изпратя , пишете на лични.
2.LCD дисплея
Дисплея трябва да е тип pcd8544
Моя го "изкормих" от един стар мобифон Nokia, но подобни има и в GSM от по-старо поколение Nokia3310,3330....
Намират се все още по битаците. Аз за 5лв спазарих два, но и от двата нищо свястно не излезе.
Единия въобще не отлепи, а другия даваше изображение през ред.Проблема вероятно идва от там, че мангалите ги събират от сметищата, а там атмосферните влияния....
Така, че , по-добре вижте първо в някой GSM сервиз...
Леко затруднение има със запояването му.Трябва твърда ръка и дебела лупа
Хубаво е да използвате стар IDE лентов кабел но от тънките.
Повече информация има тук:http://serdisplib.sourceforge.net/ser/pcd8544.html
3.I2C RTC чипа
Разпространен и евтин чип. Единствено ще обърна внимание, че кристала трябва ЗАДЪЛЖИТЕЛНО да е непосредствено до чипа.
В Елимекс има готов модул с чипа, три бутона и батерийката. Ако не ви свидят десетте лева отгоре, можете да си го вземете готов. Бутоните, естествено, можете да си ги ползвате в проекта.
4.Bluetooth модула.
Както вече споменах, модулът е от касов апарат на Дейзи, излязъл вече от употреба.
По сервизите има бол. Едно шише ракия и ...
Двата транзистора по TX линията са за изравняване на нивата, тъй като модула работи на 3.3V
Аз лично съм ги сложил на малка платчица под самия модул. 3.3-те волта ги вземам направо от модула. На снимката по-долу се вижда от къде
Кода за сдвояване на тези модули е 9999 изводите
btm.png (9.77 KиБ) Видяна 1432 пъти
Ако все пак не успеете да се снабдите с такъв модул, може и без него или да го заместите с MAX232 и обикновен сериен кабел до PC-то
Тогава, обаче , не може да се ползват Android устройства.
5.Датчици и еталонно напрежение
Не са нарисувани на схемата, всеки може сам да си прецени какво еталонно напрежение и какви датчици да сложи.
Единственото ограничение е еталонното напрежение да е между 1 и 5 волта а датчиците да дават 10mv/градус
Аз съм използвал датчици LM35DZ и еталонно напрежение 1.8V понеже няма да меря отрицателни температури.
За отрицателни температури би трябвало да се ползва LM335 (или подобен) , а еталонното да е поне 3.5V.
Еталонното можете да си сметнете сами: Необходима максимална температура + 273.15 / 100.
Например максимална 100 +273.15=373.15/100 = 3.73V
Имайте предвид, че с увеличаване на еталонното напрежение, точността пада и моментните температури ще започнат да играят.
Увеличаването на еталонното напрежение над 3.5V автоматично превключва контролера на работа с датчик LM335.
Разликата между двата датчика е, че LМ35DZ мери в Целзий, a LM335 в Келвин, т.е от показанието вадим 273.15.
Чрез лека корекция на еталонното напрежение от менюто, може да се калибрират датчиците, но ако използвате някакъв точен източник, едва ли ще е необходимо.
6.Програма за Android
Ами програмата е все още на етап разработване, но има вече някаква "бета версия"
7.Програма за PC
Предвидена е за в бъдеще. Все още си нямам блутут модул на настолното ПЦ
Ами , накратко това е.... Ако има въпроси, насреща съм
Представям ви моята версия на температурен мониторинг.
Към модераторите: ако мислите, че темата е по-подходяща за секцията Отопление (понеже видях там да се дискутира температурен мониторинг), преместете я
Прецених, че тук е по-подходящо, понеже изисква поне елементарни познания по електроника
Изградена е от един микроконтролер Atmega168PA, LCD дисплей от стар GSM(мобифон) и bluetooth модул от стар касов апарат и I2C realTime чип DS1307
Стойността на проекта (в зависимост от съдържанието на домашния "кореком"
Възможности:
-Измерване и показване моментни температури по 3 канала
-Запаметяване и показване на дневни максимална, минимална и средна температура по 3 канала
-Запаметяване и показване на месечни максимална, минимална и средна температура по 3 канала
-Възможност по 3 канал да се измерва температурна разлика
-Изпращане на температурите на всеки 2сек. посредством Bluetooth модул на Android устройство
-Запаметяване на дневните и месечните температури при отпадане на захранването
Настройки:
-дата и час
-еталонно напрежение
-контраст на дисплея
-осветление на дисплея
-режим на канал 3
Но да карам подред....
Ето схемата на проекта:
1.Микроконтролера
Програмирането на чипа може да си го направите и сами. Единия вариант е посредством паралелен кабел и PonyProg, информация има много в нета.
Другия вариант е да си купите програматор, има в Елимекс. Цената е около двайсетина лева, ама ако мислите и за в бъдеще да си играете с контролери си заслужава инвестицията.
HEX файла с програмата ще ви я изпратя , пишете на лични.
2.LCD дисплея
Дисплея трябва да е тип pcd8544
Моя го "изкормих" от един стар мобифон Nokia, но подобни има и в GSM от по-старо поколение Nokia3310,3330....
Намират се все още по битаците. Аз за 5лв спазарих два, но и от двата нищо свястно не излезе.
Единия въобще не отлепи, а другия даваше изображение през ред.Проблема вероятно идва от там, че мангалите ги събират от сметищата, а там атмосферните влияния....
Така, че , по-добре вижте първо в някой GSM сервиз...
Леко затруднение има със запояването му.Трябва твърда ръка и дебела лупа
Хубаво е да използвате стар IDE лентов кабел но от тънките.
Повече информация има тук:http://serdisplib.sourceforge.net/ser/pcd8544.html
3.I2C RTC чипа
Разпространен и евтин чип. Единствено ще обърна внимание, че кристала трябва ЗАДЪЛЖИТЕЛНО да е непосредствено до чипа.
В Елимекс има готов модул с чипа, три бутона и батерийката. Ако не ви свидят десетте лева отгоре, можете да си го вземете готов. Бутоните, естествено, можете да си ги ползвате в проекта.
4.Bluetooth модула.
Както вече споменах, модулът е от касов апарат на Дейзи, излязъл вече от употреба.
По сервизите има бол. Едно шише ракия и ...
Двата транзистора по TX линията са за изравняване на нивата, тъй като модула работи на 3.3V
Аз лично съм ги сложил на малка платчица под самия модул. 3.3-те волта ги вземам направо от модула. На снимката по-долу се вижда от къде
Кода за сдвояване на тези модули е 9999 изводите
Прикачен файл:
btm.png (9.77 KиБ) Видяна 1432 пъти
Тогава, обаче , не може да се ползват Android устройства.
5.Датчици и еталонно напрежение
Не са нарисувани на схемата, всеки може сам да си прецени какво еталонно напрежение и какви датчици да сложи.
Единственото ограничение е еталонното напрежение да е между 1 и 5 волта а датчиците да дават 10mv/градус
Аз съм използвал датчици LM35DZ и еталонно напрежение 1.8V понеже няма да меря отрицателни температури.
За отрицателни температури би трябвало да се ползва LM335 (или подобен) , а еталонното да е поне 3.5V.
Еталонното можете да си сметнете сами: Необходима максимална температура + 273.15 / 100.
Например максимална 100 +273.15=373.15/100 = 3.73V
Имайте предвид, че с увеличаване на еталонното напрежение, точността пада и моментните температури ще започнат да играят.
Увеличаването на еталонното напрежение над 3.5V автоматично превключва контролера на работа с датчик LM335.
Разликата между двата датчика е, че LМ35DZ мери в Целзий, a LM335 в Келвин, т.е от показанието вадим 273.15.
Чрез лека корекция на еталонното напрежение от менюто, може да се калибрират датчиците, но ако използвате някакъв точен източник, едва ли ще е необходимо.
6.Програма за Android
Ами програмата е все още на етап разработване, но има вече някаква "бета версия"
7.Програма за PC
Предвидена е за в бъдеще. Все още си нямам блутут модул на настолното ПЦ
Ами , накратко това е.... Ако има въпроси, насреща съм

