Мечтата на всяка домакиня
kozl - майстор
Прикачен файл:
Pages from zanussi_zds105s.jpg

това е схемата.
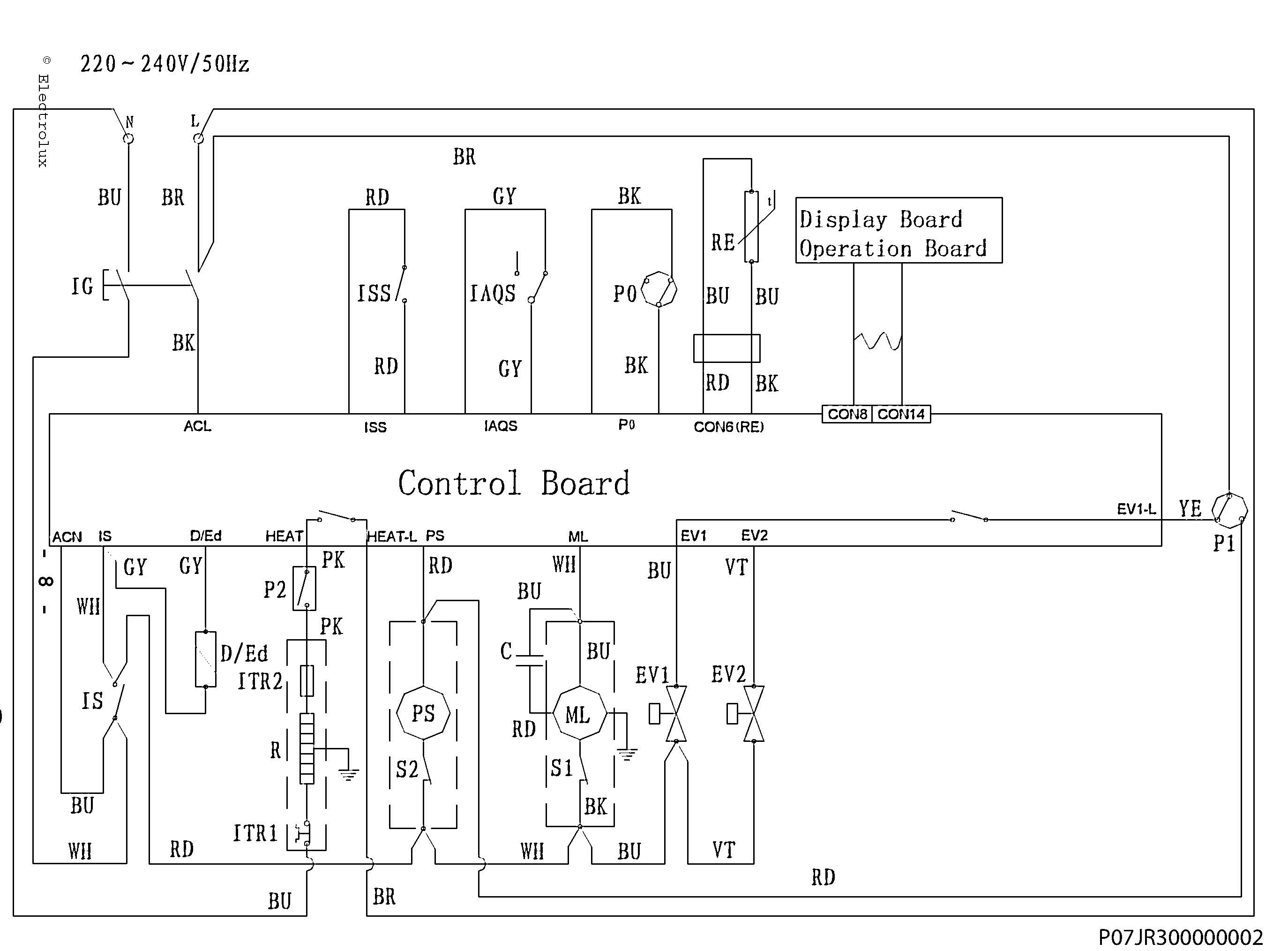
Както се вижда от схемата нагревателя има две защити ITR1 и ITR2 и е последователно свързан към мрежовото захранване (L и N) през защитите, пресостата Р2 (на тройника) и контактите на релето за нагревателя.
За разлика от нашата миялна веригата за нагревателя няма директна връзка с пресостат НН. Предполагам, че пресостата НН чрез платката, съвместно с RE (терморезистор/датчик Т) управлява релето за нагревателя.
След като си шунтирал Р2 и контактите на релето, дефакто си захранил нагревателя директно от контакта (мрежата).
За да игнорираш съмненията в работоспособността на Р2 - закачи крушка вместо нагревателя, шунтирай контактите на релето и пусни миялната с вода. Крушката трябва да свети като заработи промивната помпа и налягането в Р2 затвори контактите му.
Обаче как се управлява релето все още е загадка и за мен. Предполагам по логика от състоянието на контактите на Р1 (пресостат за НН), заедно със съпротивлението на RE.
На схемата е показан един пресостат Р1 с прехвърлящ контактор (вероятноп комбиниран за две нива), но по снимките се виждат 2 пресостата, както е и на нашата миялна.
За сега толкоз.
stochod - помощник
Здравейте.
Отдавна не бях влизал в тази тема, но искам само да споделя развитието на проблема и неговото решение.
Оказа се релето на платката :)
Бях го поръчал от Китай, чаках го да пристигне, смених го, беше минало доста време, през което време миялната стоеше разглобена.... после при сглобяването видях доста зор да си спомня кое къде беше, но в крайна сметка я сглобих. Изпробвах я, но нямах възможност да я пусна за цял цикъл, затова просто проверих с ръка дали загрява нагревателя - загрява.
В най-скоро време миялната ще започна да я ползвам активно и ще видя дали работи изправно.
Благодаря на всички, които ми помогнаха най-чистосърдечно.
Поздрави!
vlax - майстор
Хубаво е че сподели крайния резултат.
Друг път си прави снимки по време на разглобяването,много помагат.
:partyman:

Тема "Съдомиялна Zanussi ZDTS105 - не загрява водата" | Включи се в дискусията:


Сподели форума:

Бъди информиран. Следвай "Направи сам" във Facebook:

Намери изпълнител и вдъхновения за дома. Следвай MaistorPlus във Facebook: