Добър вечер
Попадна ми един руски инкубатор от време оно ИД-40 е модела ако не се лъжа схемата е ето тази

shema.jpg (84.44 KиБ) Видяна 10659 пъти
след включване лампите светват и след секунди бушона изгаря.Оказа се че 1 мкф кондензатор на 10волта е гръмнал буквално
Той даже беше 10мкф,та сложих 1мкф на 50 в и всичко тръгна.Но до там ,явно някой е бърникал по схемата щото потенциометъра ДЖ-3 беше развита оста докрай почти паднала и ест той не работи,беше останал на максимума си 3,3 ком.Сега въпрос едно доколкото ми идва на акъла тоя термомост би трябвало да е в равновесие т.е. потенциометъра,1 ком до него и 6,8 ком да са равни на долния 6,8ком и терморезистора КМТ-8 за да се задейства спиране на тиристора.Да ама не сложих друг потенциометър и не реагира никъде.Отидох от другата страна и като откачих резистора на базата на 2Т тиристора си остана отпушен.След откачане на 220омовия се запуши,но като върнах 220 омовия тиристора остана запушен и се отпуши чак след като върнах резистора на базата.И другия въпрос е,по тая логика 2Т6551 би трябвало да е здрав а да е дало фира 1PH723.И ако да то такова чудо надали ще може да се намери.Докато рових из нета попаднах на една тукашна тема и следната схема показана от хидрата

0bd141bffdc9.gif (15.51 KиБ) Видяна 10659 пъти
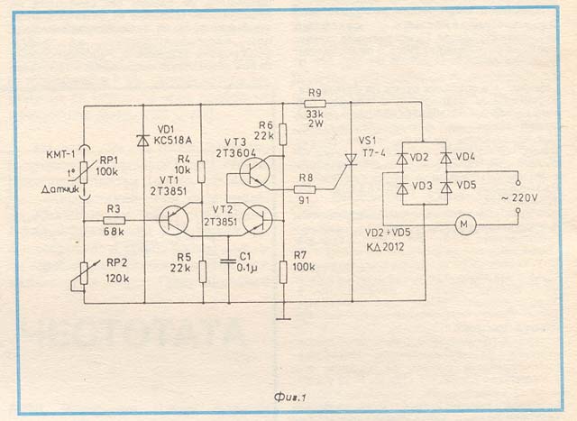
която е подобна на тази

St115_4SN2.jpg (48.38 KиБ) Видяна 10659 пъти
Та дали да се занимавам с тая или да направя някоя от тези двете.Така и така вентилатора се върти постоянно и само ще се управляват лампите.Проблема ще е със настройката на температурата която е различна в различните седмици.
Прикачен файл:
shema.jpg (84.44 KиБ) Видяна 10659 пъти
Прикачен файл:
0bd141bffdc9.gif (15.51 KиБ) Видяна 10659 пъти
Прикачен файл:
St115_4SN2.jpg (48.38 KиБ) Видяна 10659 пъти

