Място за идеи и желания за проектиране и изработка на готови проекти.
agj - майстор
нед ное 04, 2018 5:28 pmАБВ потребител написа:
Високото напрежение е полезно за някой видове електроди но не за всички.
По скоро - необходимо :)
нед ное 04, 2018 5:28 pmАБВ потребител написа:
Пробвай да заваряваш чугун да видиш как го духа електрода материала.
Пробвал съм :) и не само съм пробвал ....!Нещата там са доста по сложни.... високото напрежение не толкова от значение за чугунените електроди :wink: , има теми за заваряване на чугун -чети :partyman:
АБВ потребител - специалист
Добре,добре ,нека твоята крава да е мъжка,дето се казва. :-D Имам поне 5-6 каталога на производители на електроди, и ги гледам постоянно.Сигурно това дето го пишат не е вярно :-D
АБВ потребител - специалист
Аз и парадокса на Фарадей мога да разгадая, но нищъ, :-D Щото не искам да ставам известен :-D А сега сериозно ,да не се отклоняваме от темата,но като гледам и без това ще замре ,на никой не му се занимава с такива неща,всеки гледа лесното.Отиваш в магазина ,парите и проблема е решен. Но навремето, ако хора като Едисон и Тесла, търсеха лесното,сега щяхме да си светим с газови фенери още. :)
lbr
Здравейте съфорумници!
С тази тема запалихте и мен да се опитам да си направя инвертор. След доста четене последно се спрях на схемата на Лисов. Има колеги от този форум, които са я реализирали вече. На тях ще разчитам да ми помогната да се справя с изработката. За начало имам няколко въпроса защото някои неща не са ми ясни.
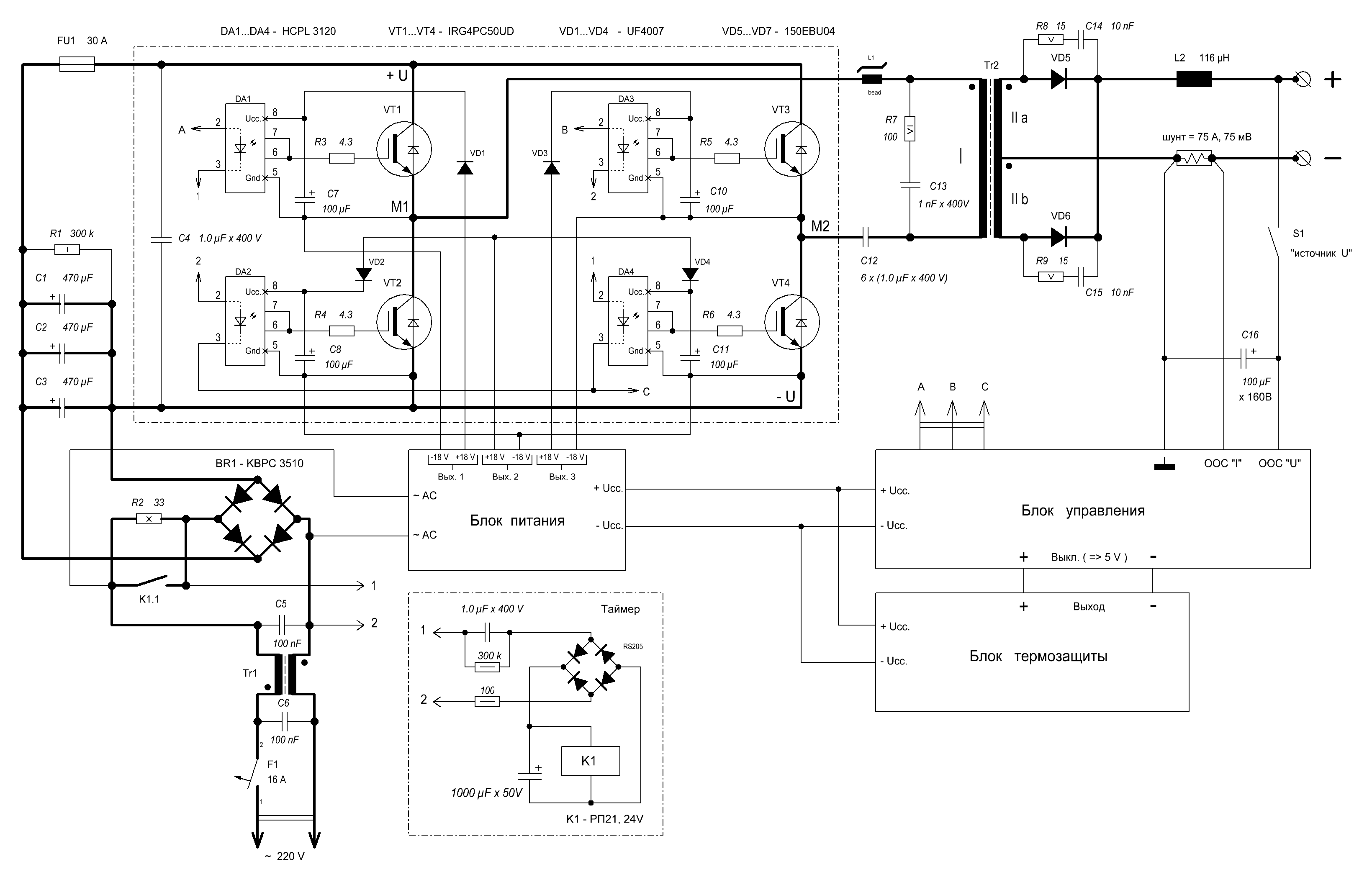
Захранващият блок мисля да не го правя импулсен. Мисля да е трансформаторен. В един от вариантите на импулсното захранване - по точно БП33 има три отделни захранвания на 17,5В. Не ми стана ясно и трите ли са за моста или за отделните блокове. Аз доколкото виждам отделните блокове се захранват с 15В. Някой правил ли го е с трансформаторно захранване и какви напрежения и с какъв ток. Според мен с две напрежения / 17,5В и 15В / работи схемата или нещо бъркам. Другото ми питане е за трансформатора ТР1 на входа на 220В не намерих нищо за него / навивки диаметър и т.н. / и дали от някоя апаратура неможе да се вземе. Има ли качена някъде платка на блока 300В /не че е нещо сложно / но от гледна точка на добър топлообмен някой може да е качил оптимален вариант. Незнам греца колко грее. Мисля да го правя блок по блок и ще започна с тези двата сега. Ако се получат нещата ще продължа с БУ и там ще възникнат въпроси предполагам но това е за сега.
Благодаря Ви предварително!

Прикачен файл

Инвертор30.gif
АБВ потребител - специалист
Здравей Колега :) Какво те накара да се спреш точно на тази схема?? Тук май само Андро може да ти помогне,той прави ел-н по нея.Зададох ти този въпрос защото ,90% от инвертостроителите направи си сам, в България и Русия ,правят схемите на Негуляев.Дори в тази схема има общи неща с неговите.Във втората му книга има перфектни и опростени схеми които работят,и човека обеснява подробно там.На почти всички Руски схеми които се подмятат в интернет, корените им са от книгите на Негуляев.Този човек отвори на много хора очите в направата на зав.инвертори. Първото нещо което се набива на очи е драйверите,18волта захранване при максимална граница 20в. на гейтовете на тр-те.Не знам ти си знаеш най добре,щом ти е на сърце прави я.Успех и Андро е твоя човек.
lbr
вт ное 06, 2018 6:11 pmАБВ потребител написа:
Здравей Колега :) Какво те накара да се спреш точно на тази схема?? Тук май само Андро може да ти помогне,той прави ел-н по нея.Зададох ти този въпрос защото ,90% от инвертостроителите направи си сам, в България и Русия ,правят схемите на Негуляев.Дори в тази схема има общи неща с неговите.Във втората му книга има перфектни и опростени схеми които работят,и човека обеснява подробно там.На почти всички Руски схеми които се подмятат в интернет, корените им са от книгите на Негуляев.Този човек отвори на много хора очите в направата на зав.инвертори. Първото нещо което се набива на очи е драйверите,18волта захранване при максимална граница 20в. на гейтовете на тр-те.Не знам ти си знаеш най добре,щом ти е на сърце прави я.Успех и Андро е твоя човек.
Благодаря ти колега и за вниманието и за пожеланието!
Условието което ме водеше при избор на схема е възможно най-малко навиване на трафове. Схемите от двете книги наистина са много правеи и коментирани и едва ли има нещо неизяснено там. Мисля че с цифровата част ще се справя по-добре. А и времато е кът. За напрежанието на транзисторите не съм се замислял. По това което прочетох тук във форума при Андро схемата работи без проблем. Просто избягвам навиването на дросели и трафове. Това е.
АБВ потребител - специалист
Колега,какво стана с ТРАНСОРМАТОРА :) изправи ли му тока??? Недей да слушаш разни недоказани специалисти,направи го и ще си доволен.Ето мнение на един човек от друг форум , където е направил тази операция с греца,цитирам целия текст, виж какво казва:

По лев на ампер са китайските ментаци. Сравнително качествените са си цифра. Аз не заварявам с електрожена всеки ден. За около 3 години съм свършил една кутия 3,25 и почти една кутия 2,5.
Имам телоподаващо Струна трифазна и с нея работя предимно, понеже с телта излиза по-евтино и по-лесно се работи.
Дори и да не работя с базични електроди, виждам разликата в работата на рутиловите електроди. Палят се буквално с едно докосване или леко разтъркване. Без греца за запалването на електрода почти винаги си почуквах детайла като кълвач докато се запали.
АБВ потребител - специалист
Нескопосаните разсъждения на един тенекеджия :) абе смешник си, и то голям. :axe: Колега ,повечето хора не правят разлика между полярностите на тока при заваряването ,но е по лошо , като не правиш разлика между променлив и изправен ток :-D
Последна промяна от АБВ потребител на чет ное 08, 2018 9:37 pm, променено общо 1 път.
АБВ потребител - специалист
В тази схема ще спестиш само навиването на драйверния траф,който се навива за половин час,ами двата дросела , с.трансформатор са си същите.Незнам ти си знаш.Това е т.н.резонансен пълен мост,само че тук е ограничен тока на късо с шунт във вторичната, не през кондензаторите в първичната.
lbr
Една отпитанките ми отпадна. Руснаците са качили схемата в един рар файл и затова не съм попаднал на нея. АБВ незнам още мисля по схемата на Лисов. Нещо не ми се отказва от нея. Ще се опитам по нея май. Ти дроселния вариант на драйвера ли изпълни. Сподели мнение ако е така. Как работи, настройки, трудности и т.н. Може пък да размисля.

Прикачен файл

Инвертор27.gif

Тема "Изработка на инверторен електрожен" | Включи се в дискусията:


Сподели форума:

Бъди информиран. Следвай "Направи сам" във Facebook:

Намери изпълнител и вдъхновения за дома. Следвай MaistorPlus във Facebook: