Какво ще рече дроселния вариант на драйверите??? Искаш да кажеш трансформатор като драйвер, да правил съм работи добре.
и с транзисторни ключове пак става,въпроса е да имаш правилния импулс на гейта на транзисторите. С оптрони пак става ,малко се усложнява изработката,но не е проблем. 
Място за идеи и желания за проектиране и изработка на готови проекти.
АБВ потребител
- специалист
1980 мнения в "Изработка на инверторен електрожен"
- Мнения: 9
Имах в предвид схемата на Негуляев. Да трансформатор а не дросел ама нали е на тородоид и затова е лапсоса. Някой от тези схеми ли си пробвал. Сподели коя си правил. Не съм решил да ли ще е с оптрони все още. Ако твоя вариант с транзисторни ключове е по надежден ще правя това което е изпитано и работи. При транзисторните ключове не разбрах точно напреженията каде се подават.
Прикачен файл
драйвер Мультика.gif (48.67 KиБ) Видяна 1853 пъти
Прикачен файл
драйвер Большакова.gif (36.22 KиБ) Видяна 1853 пъти
АБВ потребител
- специалист
- Мнения: 719
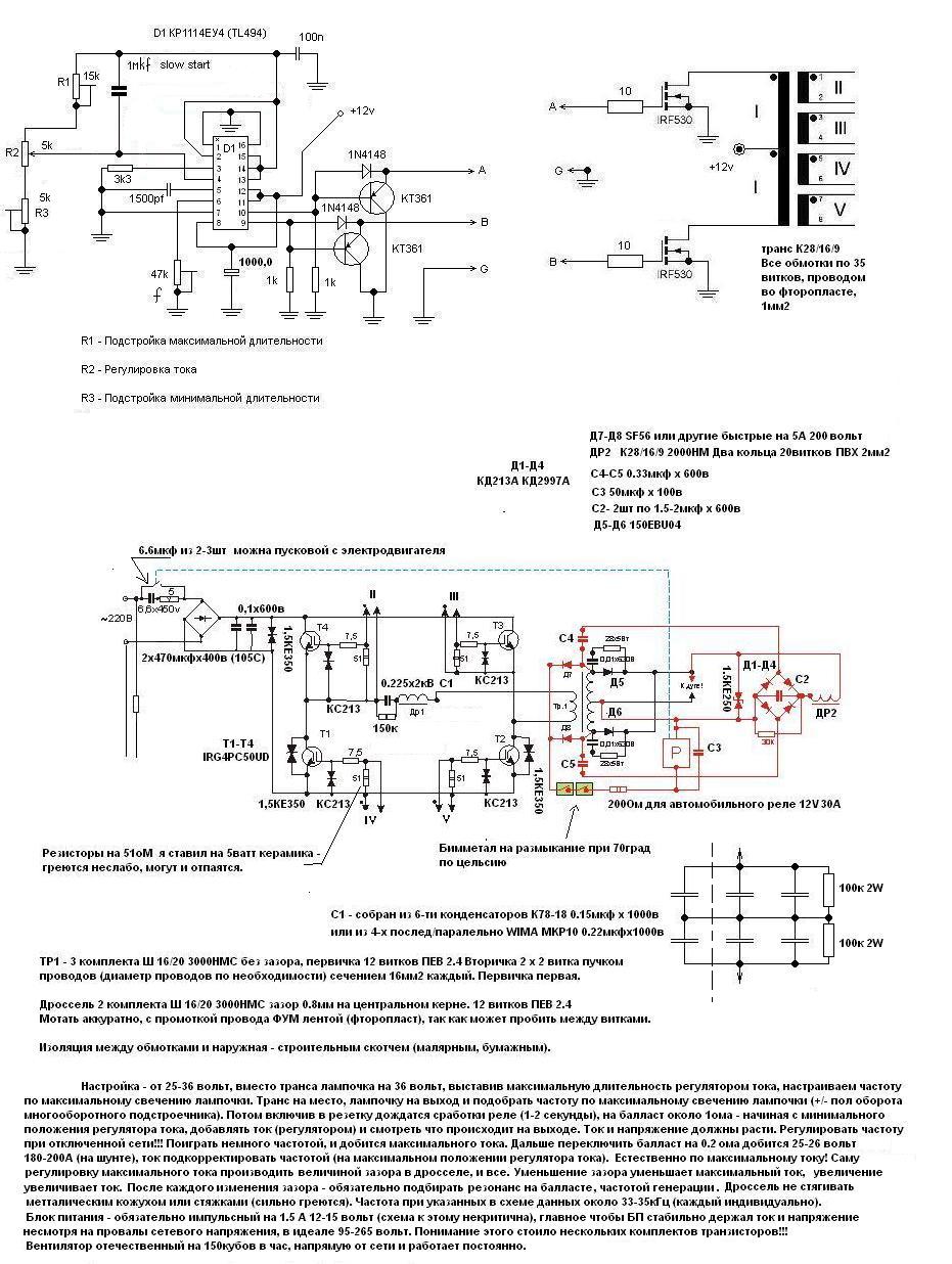
Колега,опитах да кача една схема за теб, но не става нещо,не може да се свали.Драйвер с транзистори се слага спямо изхода на ШИМ-контролера.Зависи какъв е изхода на чипа.Остави ги тези на схемите които си дал,има по прости работещи решения.Не мога да го обясня с две думи,всичко е строго индивидуално.Свали си втората книга на Негуляев ,направи схемата от рис.20
Там много внимателно трябва да избереш ферита за силовия траф,защото работния ток не е ограничен както е при резонансника с дросел,а само тока на късо.Работния ток се регулира с широчината на импулса,и ако не е навит трафа правилно, ще имаш малък диапазон на тока.
Последна промяна от АБВ потребител на пет ное 16, 2018 5:47 pm, променено общо 2 пъти.
АБВ потребител
- специалист
- Мнения: 719
АБВ потребител
- специалист
- Мнения: 719
Последна промяна от АБВ потребител на пет ное 16, 2018 5:44 pm, променено общо 2 пъти.
АБВ потребител
- специалист
- Мнения: 719
АБВ потребител
- специалист
- Мнения: 719
И защо мислиш че с транзисторите е по лесно,напротив с трафчето е най лесно да го направиш. Пък ако не можеш да наредиш 3 транзистора и 3 резистора на една макетна платка,да пуснеш захранващо напрежение и да видиш какво имаш на осцилоскопа,значи по добре се откажи да правиш електрожен.
Тези схеми които ти дадох по горе са лесни за направа и ще вършат работа, аз мога да ти дам и други ,но са доста по сложни.И искаш схема на драйвер да ти дам,само че как да стане като незнам с какво управление е тази схема.На схемата го няма 
- Мнения: 9
Благодаря ти АБВ. Просто като виждам тези къдреви импулси на осцилограмите се си мисля че дискретно би било по добре. Явно се гони галванично развързване ама и с отптрони би се развързало галванично също. Не е проблем да навия по 40 намотки на тородоид но поръчката на определен проводник си мисля че ще по проблем от четири оптрона. Въпреки всичко започвам да се замислям сериозно. Първата схема която си дал по ми се понрави. Тока в първичната сякаш се следи по прецизно. Схемата от книжката рис. 20 е с по още един драйверен транзистор. Мисля че това няма да е проблем за се вземе управлението от тази схема и силовата част да се направи по схемата от книгата. Знаеш ли дали има платка на управлението от първата схема която си дал и да започвам да дерзая да не му мисля повече. Още веднъж ти благодаря!
АБВ потребител
- специалист
- Мнения: 719
Навивай едно трафче сложи от това 4 броя на четирите гейта и виж какво дава
Диода на 100в от бързите. 
draiwer negulqew.png (45.58 KиБ) Видяна 1736 пъти
Прикачен файл:
draiwer negulqew.png (45.58 KиБ) Видяна 1736 пъти
АБВ потребител
- специалист
- Мнения: 719
Ето ти управлението на твоята схема.Невиждам смисъл да се усложняват така нещата.Този чип може да работи добре и с 7-8 елемента около него,както на втората схема по напред.Някой хора се престарават.По принцип има два начина на управление на зав.ток.Единия е ограничение на тока на късо и регулиране през трафа ,посредством широчината на импулса или промяна на честотата.Другия по-сложния (любимия на братята китайци) е регулиране на раб.ток през обратна връзка или дросел и широчината на импулса ,както и ограничаване тока на късо.Всичко това като се опрости работи по безгрижно и дълго.Гледам някой хора слагат какви ли не чипове та други щуротий,и като почнат да дават дефекти става интересно.Замислям една схема с 20-тина елемента,максимално проста,но трябва да е направя и работеща,по на сетне живот и здраве.
Скоро няма да е проблем осмокласници в час по трудово обочение да правят инверторни електрожени
Тема "Изработка на инверторен електрожен" | Включи се в дискусията:
Сподели форума:
Бъди информиран. Следвай "Направи сам" във Facebook:
Намери изпълнител и вдъхновения за дома. Следвай MaistorPlus във Facebook:
Имаш нужда от подходящ професионалист за дома?
- Преустройство, ремонт и реновиране
- ↳ Вашите ремонти
- ↳ Кухня
- ↳ Баня
- ↳ Дневна
- ↳ Спалня
- ↳ Детска
- ↳ Градина
- ↳ Коридор
- ↳ Тераса и балкон
- Направи сам
- ↳ Направи сам
- ↳ Ремонтирай сам
- ↳ Къде е по-евтино?
- ↳ Дърводелство
- ↳ Ел. инструменти
- ↳ Металообработване
- ↳ Конкурс "Направи сам 2012"
- Строителство
- ↳ Всичко за вилата
- ↳ Къщи
- ↳ Саниране
- ↳ Хидроизолация
- ↳ Пасивни и нискоенергийни сгради
- Сухо строителство
- ↳ Окачени тавани
- ↳ Преградни стени и предстенни обшивки
- ↳ Сухи и повдигнати подове
- ↳ Декоративни елементи - колони, трегери, сводове и др.
- ↳ Всичко за гипскартона и гипсфазера
- Въпроси и Отговори
- ↳ Полезни съвети
- ↳ Автомобили
- ↳ Партньори
- ↳ Боядисване и Декориране
- ↳ Вентилация, климатици и термопомпи
- ↳ Водоснабдяване и канализация.
- ↳ Всичко за ремонта
- ↳ Електротехника
- ↳ Отопление
- ↳ Газификация
- ↳ Електроника и Схеми
- ↳ Газобетон
- ↳ От всичко по малко
- ↳ Компютри и периферия
- ↳ Уеб дизайн, PHP, MySQL, JavaScript, HTML..
- ↳ Мобилни устройства, GSM-и
- ↳ Нека се запознаем
- ↳ Recycle Bin
- Статии
- ↳ Практични решения
- ↳ Качване на снимки
- ↳ Какви статии искате?
- ↳ Готварство, туршии и зимнина
- ↳ Отмора и шеги
- ↳ От нищо нещо
- ↳ Не е за вярване
- ↳ Литература
- ↳ Връзки към Интересни сайтове
- Магазин
- ↳ Препоръки и Мнения за он-лайн магазина
- ↳ Крадeни инструменти !!!