Страница 1 от 2
Водно подово + радиатори
Публикувано: чет авг 26, 2021 1:31 pm
от isakow
Здравейте колеги,
изчетох почти всичко което намерих във форума свързано с подовото отопление и радиаторите, но не намерих отговори на моите въпроси,
затова отворих нова тема, в която да дискутираме проблемите и въпросите свързани с комбинираното отопление - подово+радиатори.
Като за начало бих искал да попитам дали някой от вас е правил такава комбинирана система и какви колектори е използвал?
Има ли комбинирани колектори и каква е точната схема на разпределение на тръбите за подово и радиатори в колектора?
Имам камина с вградена помпа, и бих искал да я използвам за тази комбинирана система с подово и радиатори.
Ще се радвам ако някой сподели схема и съвети относто изграждането на такава система, защото ми предстои да изпълня.
Благодаря ви и до скоро!
Re: Водно подово + радиатори
Публикувано: чет авг 26, 2021 2:17 pm
от speka_rs
Ако камината е на дърва ще имаш дълго време да хвърляш дърва.
Да имаш подово и радиатори едновременно с една помпа е малко обречена кауза освен(излкючение прави, ако подовите не са вързани последователно на радиаторите).
До схема ще се стигне, ама я ни обени как си представяш нещата, каква камина смяташ да ползваш и колко радиатора и подови смяташ да захраниш със нея ?
п.с. И да правил съм такава схема, ама там беше с котел със буфер и голям бойлер и всъщност помпите бяха 3 и имаше намесени и 2 три-пътни вентила
Re: Водно подово + радиатори
Публикувано: чет авг 26, 2021 3:03 pm
от isakow
чет авг 26, 2021 2:17 pmspeka_rs написа:
Ако камината е на дърва ще имаш дълго време да хвърляш дърва.
Да имаш подово и радиатори едновременно с една помпа е малко обречена кауза освен(излкючение прави, ако подовите не са вързани последователно на радиаторите).
До схема ще се стигне, ама я ни обени как си представяш нещата, каква камина смяташ да ползваш и колко радиатора и подови смяташ да захраниш със нея ?
п.с. И да правил съм такава схема, ама там беше с котел със буфер и голям бойлер и всъщност помпите бяха 3 и имаше намесени и 2 три-пътни вентила
Благодаря за отговора.
Имам камина на пелети, така че зареждането ще е автоматично.
Имам отделна втора помпа освен вградената в камината и мога да я използвам, просто не зная къде и как да я позиционирам.
Ще има 3 кръга за подово + 6 кръга за радиатори. Камината ми е 21кв Алфа Плам.
За буфер в началото не мисля, може би на по-късен етап.
А трипътните вентили каква работа точно вършат и трябва ли ми на мен такъв вентил?
Благодаря.
Re: Водно подово + радиатори
Публикувано: чет авг 26, 2021 3:22 pm
от Трифон П.Трифонов
Буфера, буферче или хидравличен...както му казват, преди да е напъпила темата, че прецъфтя схемата.
Та, буфер или нещо по малко, с такива функции + трипътен, дето ще свали температурата към подовото, което дава посоката за позициониране на втората помпа.
Изчети и онова, което почти не си изчел и ще ти се обистри!
Все едно една майка ги е раждала.
Регистрация, декларация за прочетеното, което никак не е малко, но този въпрос почти не е засегнат, в бедния Форум, та- решех да подискутираме, по наболелите ме проблеми.
Re: Водно подово + радиатори
Публикувано: чет авг 26, 2021 3:36 pm
от isakow
чет авг 26, 2021 3:22 pmТрифон П.Трифонов написа:
Буфера, буферче или хидравличен...както му казват, преди да е напъпила темата, че прецъфтя схемата.
Та, буфер или нещо по малко, с такива функции + трипътен, дето ще свали температурата към подовото, което дава посоката за позициониране на втората помпа.
Изчети и онова, което почти не си изчел и ще ти се обистри!
Все едно една майка ги е раждала.
Регистрация, декларация за прочетеното, което никак не е малко, но този въпрос почти не е засегнат, в бедния Форум, та- решех да подискутираме, по наболелите ме проблеми.
Отдавна съм във форума, и както казах изчел съм доста от темите, но не мога да изчета всичко написано, не разполагам с такова време.
Съжалявам, че се налага да питам, но мисля, че този случай е доста специфичен, и едва ли всеки комбинира подово с радиатори.
Благодаря за мнението, а дали може в началото системата да е без буфер? Предполагам, че буфера и трипътния винтил са ми нужни само заради подовото,
защото в момента съм на система само с радиатори и нямам нито буфер нито трипътен винтил.
Бихте ли споделили някой схема на връзване на колекторите с подово и радиатори? Благодаря.
Re: Водно подово + радиатори
Публикувано: чет авг 26, 2021 3:42 pm
от Трифон П.Трифонов
Сигурно може, но аз не бих направил нещо, само за в началото, защото после ще куца дълго време.
Кой ще регулира Т в подовото- трипътният.
Кой ще върти водата в подовото- втората помпа.
При повече от една помпа, в отоплителна инсталация........
Не очаквам скоро да попиташ за третата помпа, понеже на всичките въпроси, които ти не си си задал, няма как да си потърсил отговор.
Значи нищо не си прочел.
Камина с помпа, буферче.....и т.н.
Конспекта ти е готов. Вече може да се каже, че си на 50% подготвен.
Не ме цитирай, знам какво пиша, а така чаршафа става ....
https://www.google.com/search?q=%D0%B2% ... L0Q4dUDCA4
Въпросче към Гошо и веднага ме връща в този Форум.
Надолу е бонус.
Re: Водно подово + радиатори
Публикувано: чет авг 26, 2021 3:48 pm
от isakow
Разбирам, че сте много навътре в нещата, но ако не смятате да ми помоагате, и непрекъснато да се заяждате и да ми напомняте, че нищо не съм прочел,
то темата се обясмисля.
Не виждам смисъл да ми обясняватепо няколко пъти неща, като можете да обясните с 2-3 изречения,без недомлъвки и празнословни коментарчета....
Ако не желаете да обясните и помогнете, поне не спамете излишно.
Нямам намерените да влизам в спорове кой какво е прочел и защо не го е прочел.
Айде със здраве.
пс. чел съм една част от тези теми, но все още нямам отговор на основни въпроси
Re: Водно подово + радиатори
Публикувано: чет авг 26, 2021 4:23 pm
от speka_rs
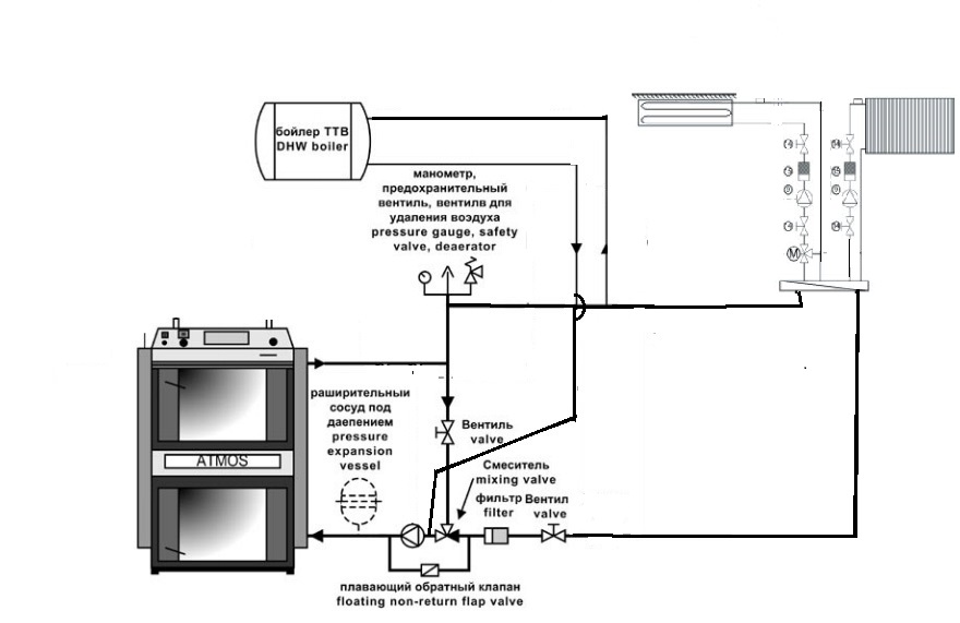
Прикачен файл:

_atmos_03.jpg (69.34 KиБ) Видяна 2053 пъти
Това трябва да е схемата, ама при твоя случей 6 радиатора и 3 кръга подово с всичките му кранове и други работи ще си стане цифра.
Re: Водно подово + радиатори
Публикувано: чет авг 26, 2021 5:01 pm
от Трифон П.Трифонов
Темата наистина е безсмислена. Поне аз не виждам бъдеще, при толкова много материал, само в този Форум. Времето ще покаже- може да греша пък, а топлата вода да бъде открита за сетен път.
С думи начертах какъв е правилният път на водата, в твоята инсталация- камина, помпа, буферче (хидравличен изравнител), а Шпека избърза.
Ако беше чел, щеше да ти е ясно, до тук, а въпросите да са конкретни- марки на елементи, диаметри, параметри на помпи...
Шпек, рано показа третата помпа.
Човекът отдавна е тук, но поне полза нему да беше имало.
Re: Водно подово + радиатори
Публикувано: пет авг 27, 2021 1:11 am
от speka_rs
чет авг 26, 2021 5:01 pmТрифон П.Трифонов написа:
Шпек, рано показа третата помпа.
Човекът отдавна е тук, но поне полза нему да беше имало.
Незнам Трифоне, мъча се да не е с лошо.
По темата: колега дай малко повече информация тези подови отделно ли са монтирани или са в стаи със радиатори ?
Колко са метра са тези подови да може да се помисли малко, защото схемата сигурно има 1.5-2 к лв части?
Ако са в стаи със радиатори да се мисли за подвързване последователно на радиатор и подово, което не е най-правилното. Ама все пак и някакав бюджет трябва се гони.