Страница 1 от 1
Пускател за двускоростен трифазен двигател
Публикувано: съб юни 16, 2018 4:48 pm
от ognian_petrov
Здравейте ! Търся схемата на пускателя на този двускоростен двигател . Със два пускови бутона и един стоп . По - надолу има снимки .
Прикачен файл:
Прикаченият файл
fa0450923c3c5268ecb824b0417af65b.jpg вече не е достъпен
Прикачен файл:

fa0450923c3c5268ecb824b0417af65b.jpg (17.27 KиБ) Видяна 1161 пъти
Re: Пускател за двускоростен трифазен двигател
Публикувано: съб юни 16, 2018 5:13 pm
от plamen6703
Разгледай тук има интересни неща, ако разбира се имаш интерес в такава посока
http://www.moeller.net/binary/schabu/wiring_man_en.pdf стр. 331 и следващите... може да си изтеглиш целият справочник.
Има писано и във форума по този въпрос
viewtopic.php?t=27453 !

Re: Пускател за двускоростен трифазен двигател
Публикувано: съб юни 16, 2018 5:39 pm
от moimoimoi
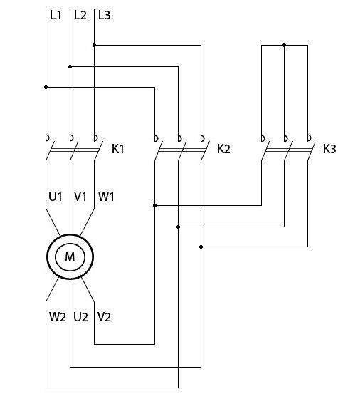
нещо такова е схемата
при тази конкретно за да преминеш от бавна към бърза или обратно трябва да натиснеш стопа,т.е. избираш си една от двете чрез пусковете
а ако искаш да преминаваш директно от бавна към бърза и обратно без да натискаш стоп е нужно да се добави към всеки един пуск по един нормално затворен контакт който да спира съответната скорост
S1- STOP
S2-пуск бавна скорост/триъгълник/
S3- пуск бърза скорост/двойна звезда/
Re: Пускател за двускоростен трифазен двигател
Публикувано: съб юни 16, 2018 5:42 pm
от ognian_petrov
Много ти благодаря , има интересни решения . Аз намерих едно по-просто , което ми върши работа .
Re: Пускател за двускоростен трифазен двигател
Публикувано: съб юни 16, 2018 5:45 pm
от ognian_petrov
Да , именно това намерих и аз . Това е точния вариант , който търсех . Благодаря на всички Ви . Успех !
Re: Пускател за двускоростен трифазен двигател
Публикувано: съб юни 16, 2018 5:52 pm
от ognian_petrov
Има леки грешки в рисунката , но това е схемата .
Re: Пускател за двускоростен трифазен двигател
Публикувано: съб юни 16, 2018 6:28 pm
от plamen6703
В интернет пространството е пълно с грешни рисунки и схеми. По форумите също е пълно с хора, които дават "съвети", но едва след като някой "изгори" разбира, че не всяко нещо в интернет е вярно

Тази книга
https://knizhen-pazar.net/index.php?opt ... 1%82%D0%B0 може да ти е много полезна при различни схеми на свързване в електротехниката!
