Страница 1 от 3
Аристон ARMXXL125 не въртят бавните.
Публикувано: пон яну 08, 2024 8:33 pm
от ivanovbg
https://www.google.com/search?q=edt0145 ... UTF-8#ip=1
Схема на това чудо? Бавната скорост наляво на дясно докато пере е много слаба, само клати, но не може да върти барабана. Иначе на центрофуга е ок. Гледам, че се управлява с релета май. Та търся кои са релетата да ги сменя. Вероятно са нагорели контактите на някое от релетата. Празна си върти нормално, което ме навява на мисълта, че мотора е здрав.
Re: Аристон ARMXXL125 не въртят бавните.
Публикувано: пон яну 08, 2024 9:29 pm
от hidrazin
И не само на Хотпоинт-Аристон ами и на Индезит някъде слагат от тоя модул...
Успех!
Прикачен файл:

P.S. Жокер искаш ли?

Re: Аристон ARMXXL125 не въртят бавните.
Публикувано: пон яну 08, 2024 9:35 pm
от Трифон П.Трифонов
пон яну 08, 2024 9:29 pmhidrazin написа:
И не само на Хотпоинт-Аристон ами и на Индезит някъде слагат от тоя модул...
Успех!

P.S. Жокер искаш ли?
Той може да чете схеми бре!
Re: Аристон ARMXXL125 не въртят бавните.
Публикувано: пон яну 08, 2024 9:36 pm
от ivanovbg
пон яну 08, 2024 9:29 pmhidrazin написа:
И не само на Хотпоинт-Аристон ами и на Индезит някъде слагат от тоя модул...
Успех!
edt0145-7.jpg

P.S. Жокер искаш ли?
Няма да откажа жокера че е пълна с дрехи. Благодаря.
И не е тази схема, щот за мотора са три релета.
Re: Аристон ARMXXL125 не въртят бавните.
Публикувано: пон яну 08, 2024 9:39 pm
от Трифон П.Трифонов
Явно ще ке наложи да препереш на ръка.
Re: Аристон ARMXXL125 не въртят бавните.
Публикувано: пон яну 08, 2024 9:49 pm
от ivanovbg
И на 4крачв на мотора няма кабел. Мотора е само с една намотка на статора. Между трето и пето краче.
Re: Аристон ARMXXL125 не въртят бавните.
Публикувано: пон яну 08, 2024 10:25 pm
от hidrazin
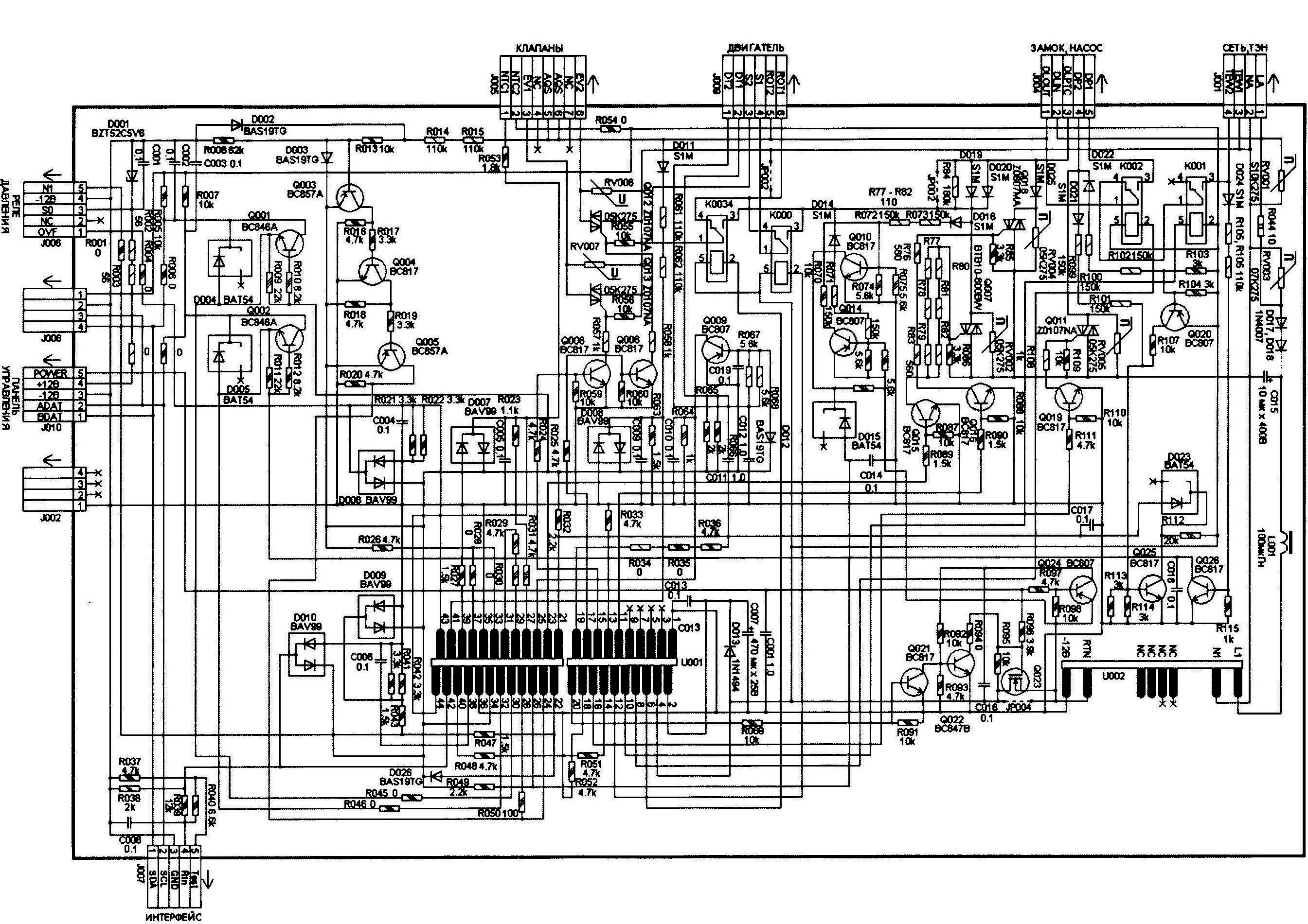
Ми то като питаш и търсиш помощ е редно да турнеш и някоя снимка. Читава.
Например като тази. И кои са тези 3 релета?

P.S. Жокер - смени двата кондензатора С034 и С007
Провери симисторите Q007 дето е на радиатора и малкия Q018 + веригите за тяхното управление.
Големия е BTB10-800BW а малкия е Z0107NA - при нужда от замяна трябва да са същите.
Това са SMD резистори и понякога си заминават дори от капка конденз. Демек виж за "взривени" SMD резистори около симисторите.
Релетата (поне за сега) ги забрави.
Re: Аристон ARMXXL125 не въртят бавните.
Публикувано: пон яну 08, 2024 11:15 pm
от ivanovbg
Благодаря, симисторите и кондензаторите са ок. Видимо резисторите също, но ще почна да ги меря.
Re: Аристон ARMXXL125 не въртят бавните.
Публикувано: вт яну 09, 2024 1:17 am
от pipilica
Ся не знам дали ще ти е от полза но имах проблем с моята, нещеше да тръгва и диодите по панела мигаха странно, та първото което направих е да сменя всички кондери в захранването, щото е импулсно и не я спирам от копчето след като приключи, и веднага се оправи. Същия проблем имах и с миялната, и там смених всички кондери и тя се оправи. Не ги гледай визуално че са ОК просто ги смени с читави за импулсно.
Тия релета които си набедил просто обръщат посоката като разменят изводите на намотките, не е в тях проблема. За пробата свали ремъка и пусни да видиш дали ще тръгне само мотора.
Re: Аристон ARMXXL125 не въртят бавните.
Публикувано: вт яну 09, 2024 1:28 am
от ivanovbg
Нищо ме мига странно, всичко си прави по програмата и според програмата, На празна пералня върви бавно-нормално и в двете посоки. На пълна с дрехи върви нормално само след източване една по бърза скорост преди центрофугата и центрофугата като си я командвам и на 600 и 1200 оборота. Когато трябва да пере или да плакне се опитва да тръгне и не стига сила на мотора да завърти нормално дори с помощ. Просто не му стига тока, или късно отваря семистора, или така му задава процесора.. Утре ще взема осцилоскопа от сервиза и ще видя какво се случва в движение. С мерене и гледане не стана.