Страница 1 от 2
Въпрос за схема на импулсен генератор
Публикувано: съб фев 25, 2012 2:57 am
от kalpazanski
Прикачен файл:

2.JPG (22.75 KиБ) Видяна 6315 пъти
Здравейте

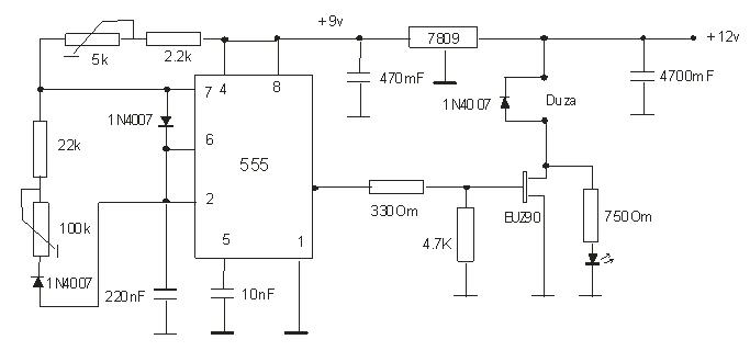
Това е схема на импулсен генератор, която намерих в нета, но имам малък проблем с намирането на елементите, тъй като не разбирам много от електроника. Въпросът ми е следния: кондензаторите какъв тип са (електролитни???) и в магазина ми казаха че нямали кондензатори с такива стойности и че тези от 4700mF и 470mF могат да се заменят съответно с 4700 микроF и 470 микроF. Също така колко волта трябва да са? Благодаря предварително

Re: Въпрос за схема на импулсен генератор
Публикувано: съб фев 25, 2012 3:25 am
от miroton
в магазина ми казаха че нямали кондензатори с такива стойности и че тези от 4700mF и 470mF могат да се заменят съответно с 4700 микроF и 470 микроF. Също така колко волта трябва да са? Благодаря предварително

[/quote]
Разлика няма едно и също е
4700мф 25в 470мф 16в
А като не разбираш как ще сглобиш схемата.
Re: Въпрос за схема на импулсен генератор
Публикувано: съб фев 25, 2012 7:00 am
от kalpazanski
А другите два кондензатора и те ли са електролитни? И тях ли да взема със същите стойности, но в микро? И ще има ли проблем за работата на схемата, ако са на по-голям волтаж? Относно въпроса ти: ''как ще сглобя схемата'' - почти всеки може да работи с поялник

Надявам се да стане. Благодаря ти за бързата помощ!
Re: Въпрос за схема на импулсен генератор
Публикувано: съб фев 25, 2012 11:00 am
от DMN
Другите два не са електролитни и съответно са - 220 и 10 нанофарада. Няма проблем с по-големия волтаж на кондензаторите. Те много хора работят с поялници, даже и калайджиите, ама...това в кръга на шегата

Все пак сме тук за да си помагаме.
Re: Въпрос за схема на импулсен генератор
Публикувано: съб фев 25, 2012 11:17 am
от sstefanov
Разликата между 1 mF (милифарад) и 1 μF (микрофарад) е точно 1000 пъти!
Най-правилно е да се използва гръцката буква μ (мю), но понеже не се намира на повечето клавиатури, се е наложило за по-лесно и по-ясно за микрофарад да се използва "u". Иначе наистина става объркване.
Re: Въпрос за схема на импулсен генератор
Публикувано: пон фев 27, 2012 12:55 am
от Найденов
Откъде, си колега, и за какво ще ползваш тази схема (която май е мултивибратр с регулируем коефициент на запълване) ,ако не е тайна.
Re: Въпрос за схема на импулсен генератор
Публикувано: пон фев 27, 2012 2:13 pm
от kalpazanski
От София съм. Схемата ще я използвам за комутиране на автомобилни дюзи, за да ги почистя с ултразвукова вана.
Re: Въпрос за схема на импулсен генератор
Публикувано: пон фев 27, 2012 2:57 pm
от zmiori
Я не се занимаваи с глупости намериси един траф на 12 В и го пусни на дюзите отговаря на 3000 оборота. Ако искаш по бавно да "трака" взимаш траф над 12В до 24В последователно един диод и на дюзите става на 1500 оборота. Топиш ги във ваната и си ти.
Re: Въпрос за схема на импулсен генератор
Публикувано: вт фев 28, 2012 12:34 am
от lz1wvm
kalpazanski написа:....Относно въпроса ти: ''как ще сглобя схемата'' - почти всеки може да работи с поялник
...
Така е....имам един тиган,който всяка година го калайдисват.
А тази дюза как ще работи на ултразвук.
Re: Въпрос за схема на импулсен генератор
Публикувано: вт фев 28, 2012 12:45 am
от kuger
lz1wvm написа:kalpazanski написа:....Относно въпроса ти: ''как ще сглобя схемата'' - почти всеки може да работи с поялник
...
Така е....имам един тиган,който всяка година го калайдисват.
А тази дюза как ще работи на ултразвук.
В ултразвукова вана дюзите се почистват, а генератора е нужен, за да може дюзата да отваря и затваря. По-добре се чисти.