Малко по-сложна схема:
Прикачен файл:
Прикачен файл:
Прикачен файл:
Прикачен файл:

Picture 323.jpg (75.79 KиБ) Видяна 2325 пъти
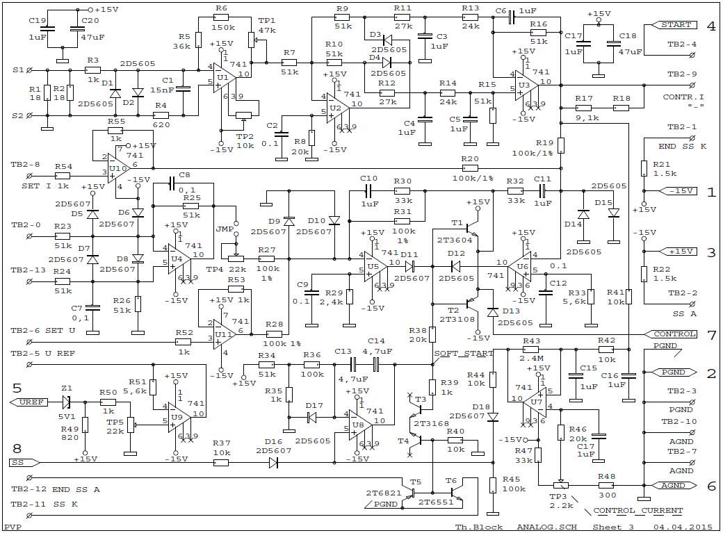
Прикачен файл:

Picture 322.jpg (77.92 KиБ) Видяна 2325 пъти
Тиристорният блок има интересни функции.
Има контролен ток (регулируем), който позволява да се следи наличието на товар. При отсъствието на товар мекият старт е блокиран и не тръгва.
Има токоограничение (обратна връзка по ток) и обратна връзка по напрежение (DC, когато се ползва за управляем изправител). В случая джъмперът е прекъснат и има само управление по фазов ъгъл и токоограничение.
Блокът се ползва за мек старт на стар флекс, на който е направен кюртаж и е махнато релето, изключващо токоограничителното съпротивление при старт (релето и най-вече съпротивлението не позволяват регулиране оборотите на флекса).
Общо взето приложението е в стил "Эсли близко
воробей, мы готовим
пушку. Эсли муха-муху бей! Взять ее на мушку!"
http://puzkarapuz.ru/content/1407
По-хубавата част от схемата съм я преписал
нагло,
безочливо и
безсрамно от германска схема на подобен блок, предназначен за управление на мощни халогенни лампи (5kW и 12kW).
Преписването не трябва да е укоримо, защото, ако не бяхме преписвали, то и досега нямаше да имаме "История славянобългарска".
Оригиналната схема е:
(Четете в следващия брой)
P.S.
На снимките се вижда, че блокът е повдигнат на втулки спрямо основата, защото отдолу (на блока) има малък аксиален вентилатор (нагнетателен спрямо радиаторите на тиристорите). Домързя ме да пробивам основата, въпреки че тя е на гумени крака и това щеше да е най-доброто решение.