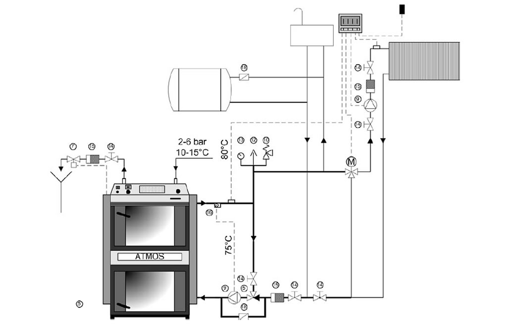
Здравейте, разгледах схемите и май най-много за момента ми оттърва тази, която съм прикачил. Отворена система, без буферен съд, само с два трипътни вентила и две помпи. От всичко, нямам единствено трипътните. Щом я предлагат от атмос , предполагам, че трябва и тя да върши работа? Или може би ще е по-добре от положението в което е сега. Може ли мнение ? Също такаа може ли да ме насочите какви трипътни да търся, ако ще свърши работа схемата

05.jpg (48.16 KиБ) Видяна 282 пъти
Прикачен файл:
05.jpg (48.16 KиБ) Видяна 282 пъти