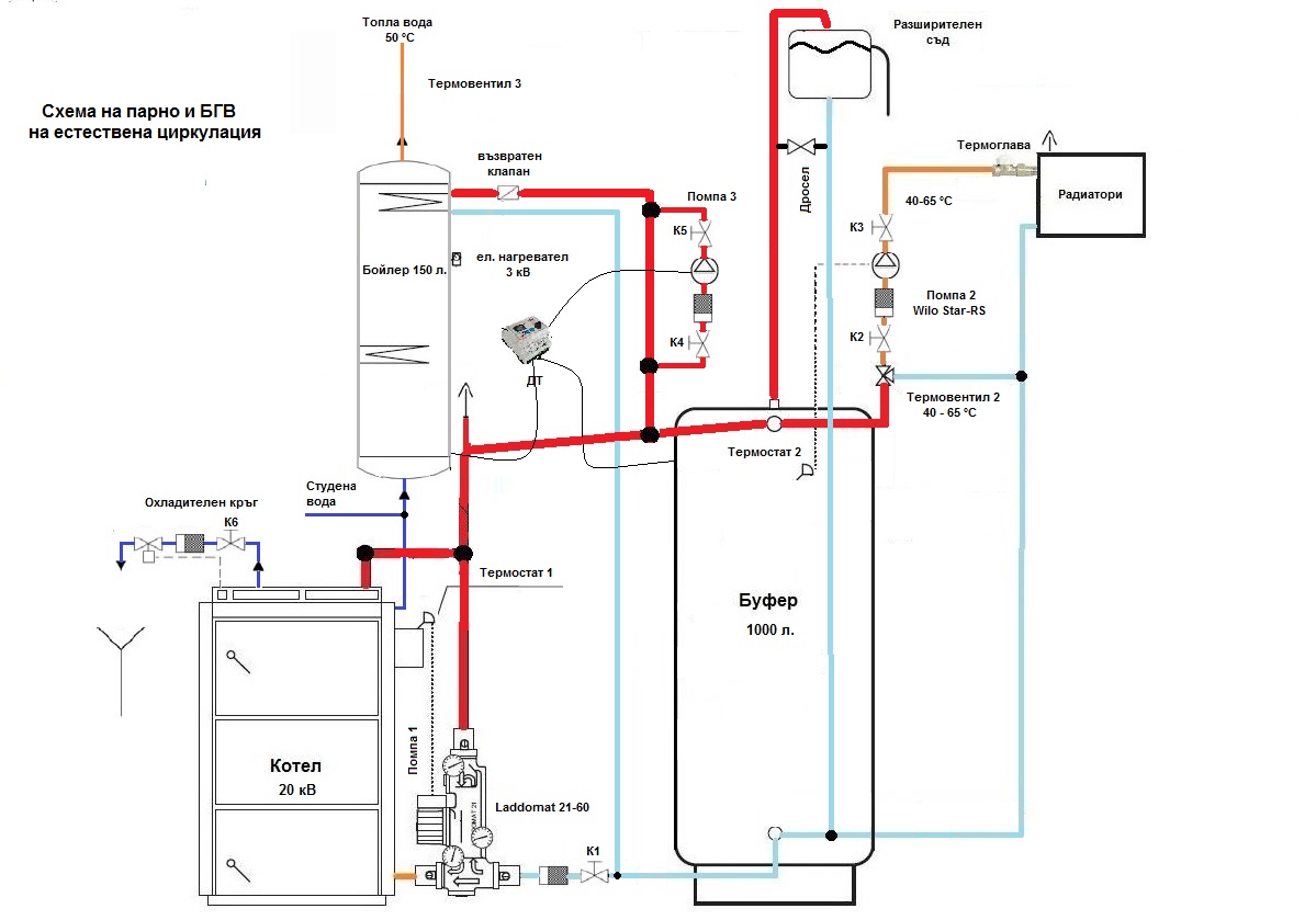
Бойлера е неправилно свързан:
1. Ако си купиш готов буфер, там има входове и изходи за котела и различните консуматори и не могат да се сбъркат, ако си го правиш сам трябва червения изход за бойлера да е отстрани или с тройник като синия. Горе се слага кран за обезвъздушаване или автоматичен обезвъздушител.
2.Този трипътен вентил на 50 гр. се слага по някаква европейска норма за безопасност, да не се попари някой абдал или дете и е доста излишен.
3. Като имаш помпа 2, коя е 1, тази на ладомата ли? Та когато работи ладомата той ще върти водата в горната серпентина на бойлера, като се напълни буфера и спре трябва да разчиташ само на гравитацията. За целта бойлера физически трябва (както правилно си го начертал) да е над двуметровия буфер, имаш ли толкова високо помещение за котелно или ще го слагаш на горния етаж? Имай предвид, че гравитацията трябва да преодолее голямото съпротивление на серпентината плюс това на възвратната клапа, в крайна сметка ще получиш недостатъчен дебит и бавно затопляне.
4.Този бойлер ще ти е малък, логиката " досега съм с 80 л. и ми стигат" не е вярна. В голям период от времето ще топли само горната серпентина, тя загрява горната една трета от бойлера и на практика ще ползваш около 50 л.
5.Нямаш приоритет на БГВ то - когато стартира котела ладомата първо ще пуска само малкия кръг, после ще смесва -по червения контур ще се отклонява малко вода и помпа 2 ще я "изсмуква", чак след известно време ще има достатъчен дебит за бойлера. Правилно е първо да се стопли бойлера и след това да заработят радиаторите.
6. Ако си се отказал от ел. нагревателя на буфера - сложи на бойлера.
Решението е:
Малка помпа (3) на кръга с бойлерната серпентина, командвана от 2 термодатчика - на бойлера и там откъдето му идва топлата вода и ДТ, като на СК от първата схема. Естествено има и по-сложни контролери, който получават сигнал от повече датчици и командват повече неща. Аз дори бих спирал п2, когато работи п3. Държиш бойлера на 60 - 65 гр. и отпада трипътния вентил.
Какво искаш да управляваш на п2 с термостата на буфера?
Филтъра на п2 преди, а не след нея.
Трипътния Т2 да е регулируем термостатичен - не го забивай точно на 65 гр. - в по-топло време ще ти е достатъчна и по-ниска температура. По този начин буфера ще се ползва повече време и котела ще се пали по-рядко.
Студената вода в ладомата от първата схема, вероятно влиза до него, а не в него. Сложи я - все пак системата трябва да се пълни отнякъде. Както и да се източва.
Малко митове:
1. Духалките са по-икономични. 1,2 или 3 кВ консумират и топлят точно колкото 1,2,3 кВ нагревател - 1,2,3, кВ.( Не видях, че шопа ме е изпреварил)
2.Няма значение къде е свързан отворения РС.Дори да е на по-топлата вода след малко време ще изстине, а през тънката тръбичка вътрешна циркулация няма да започне.Вържи го където ти е удобно.
3.Необходимата мощност за БГВ, разбира се, се има предвид при избора на котел.
Имам още забележки, но ако приемаш и възприемаш тези ще продължа. Необходимо е да се знае:
Какво значи отворена система, защото за пръв път чувам. Гравитационна система с отворен РС ли? Ако да, ти виждал ли си такава на живо или само на схема.
Къщата как се ползва - целогодишно или от време на време? Колко стаи или поне колко радиатора и лири ще има?
1. Ако си купиш готов буфер, там има входове и изходи за котела и различните консуматори и не могат да се сбъркат, ако си го правиш сам трябва червения изход за бойлера да е отстрани или с тройник като синия. Горе се слага кран за обезвъздушаване или автоматичен обезвъздушител.
2.Този трипътен вентил на 50 гр. се слага по някаква европейска норма за безопасност, да не се попари някой абдал или дете и е доста излишен.
3. Като имаш помпа 2, коя е 1, тази на ладомата ли? Та когато работи ладомата той ще върти водата в горната серпентина на бойлера, като се напълни буфера и спре трябва да разчиташ само на гравитацията. За целта бойлера физически трябва (както правилно си го начертал) да е над двуметровия буфер, имаш ли толкова високо помещение за котелно или ще го слагаш на горния етаж? Имай предвид, че гравитацията трябва да преодолее голямото съпротивление на серпентината плюс това на възвратната клапа, в крайна сметка ще получиш недостатъчен дебит и бавно затопляне.
4.Този бойлер ще ти е малък, логиката " досега съм с 80 л. и ми стигат" не е вярна. В голям период от времето ще топли само горната серпентина, тя загрява горната една трета от бойлера и на практика ще ползваш около 50 л.
5.Нямаш приоритет на БГВ то - когато стартира котела ладомата първо ще пуска само малкия кръг, после ще смесва -по червения контур ще се отклонява малко вода и помпа 2 ще я "изсмуква", чак след известно време ще има достатъчен дебит за бойлера. Правилно е първо да се стопли бойлера и след това да заработят радиаторите.
6. Ако си се отказал от ел. нагревателя на буфера - сложи на бойлера.
Решението е:
Малка помпа (3) на кръга с бойлерната серпентина, командвана от 2 термодатчика - на бойлера и там откъдето му идва топлата вода и ДТ, като на СК от първата схема. Естествено има и по-сложни контролери, който получават сигнал от повече датчици и командват повече неща. Аз дори бих спирал п2, когато работи п3. Държиш бойлера на 60 - 65 гр. и отпада трипътния вентил.
Какво искаш да управляваш на п2 с термостата на буфера?
Филтъра на п2 преди, а не след нея.
Трипътния Т2 да е регулируем термостатичен - не го забивай точно на 65 гр. - в по-топло време ще ти е достатъчна и по-ниска температура. По този начин буфера ще се ползва повече време и котела ще се пали по-рядко.
Студената вода в ладомата от първата схема, вероятно влиза до него, а не в него. Сложи я - все пак системата трябва да се пълни отнякъде. Както и да се източва.
Малко митове:
1. Духалките са по-икономични. 1,2 или 3 кВ консумират и топлят точно колкото 1,2,3 кВ нагревател - 1,2,3, кВ.( Не видях, че шопа ме е изпреварил)
2.Няма значение къде е свързан отворения РС.Дори да е на по-топлата вода след малко време ще изстине, а през тънката тръбичка вътрешна циркулация няма да започне.Вържи го където ти е удобно.
3.Необходимата мощност за БГВ, разбира се, се има предвид при избора на котел.
Имам още забележки, но ако приемаш и възприемаш тези ще продължа. Необходимо е да се знае:
Какво значи отворена система, защото за пръв път чувам. Гравитационна система с отворен РС ли? Ако да, ти виждал ли си такава на живо или само на схема.
Къщата как се ползва - целогодишно или от време на време? Колко стаи или поне колко радиатора и лири ще има?
