Най - вълнуващия въпрос зимно време.
filmatoplo - майстор
Не не става ,ако камината загасне не ти трябва циркулация през нея .
minca - специалист
Искаш да кажеш ,че ше се охлажда бойлера ли?
Не открих някъде да се предлага 3пътен термостатичен с пряко действие който да е 1" и с kvs>4
filmatoplo - майстор
Има вентили 1"с колкото искаш квс ,въпроса е цената .
minca - специалист
filmatoplo написа:
Не не става ,ако камината загасне не ти трябва циркулация през нея .
Каква циркулация ще има като моторвентила ще затвори при студена камина.Аз пък мисля,че помпата ако е между двете тетки, може би,ще е по-добре и за помпите-няма да си пречат
minca - специалист
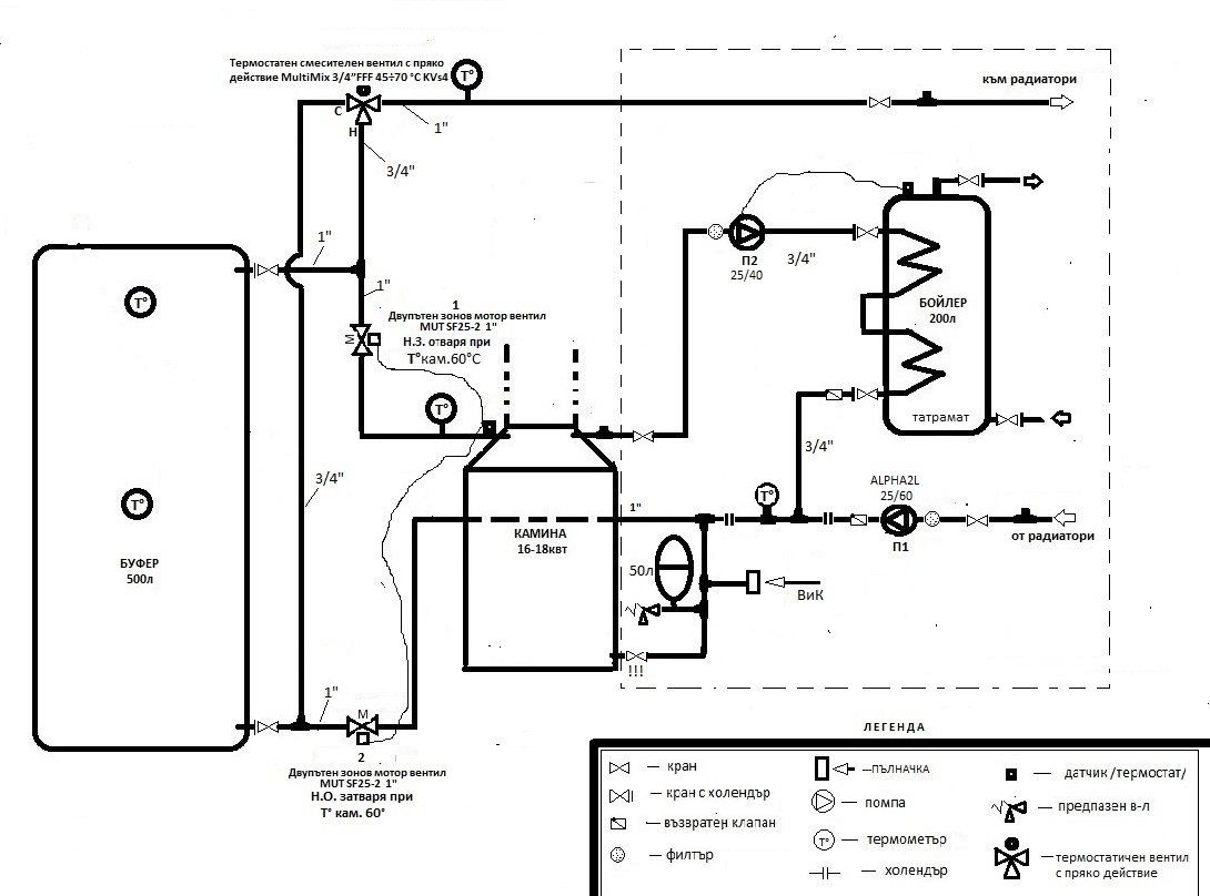
Здравейте колеги,
Е ,вече изпълних схемата на Антон.Благодаря Анто!
Както съм споменал преди, мястото не ми позволява да топля бойлера от буфера,но това няма да бъде голяма бeда.Помпата ще работи непрекъснато
Двата мотор вентили са нормално затворени/От интерметал ми казаха ,че не съществуват нормално отворени зонови вентили / и ще ги управлявам от един термостат с н.о. и н.з. контакти.Вентил 2 ще е под напрежение при студена камина за да е отворил.Тук е първия ми въпрос.-Хипотетична ситуация:Отпада напрежението /спиране на тока както често се случва при нас ,аЮПС-а е дифектирал//Двата вентила са затворени, а камината гори...Лошо!Системата има възможност за естествена циркулация ,но...В оригиналната схема на Антон вентил 2 е нормално отворен и тогава е възможна.Търсих много такъв вентил ,но така и не открих.Ако някой има нещо в превид моля да се обади или изпрати линк.
Въпрос 2.Предвидил съм линия за вентилаторен конвектор за високо стенен монтаж който ше пускам при повишаване на температурата в камината. 4-5кw.Никога не съм монтирал такъв и не мога да се ориентирам към какъв точно да се насоча .Кажете!
Благодаря!
Прикачен файл:
kanina2.jpg
Последна промяна от minca на пон юли 31, 2017 11:56 am, променено общо 2 пъти.
Evgeniy - майстор
Здравей,
Може ли и към теб няколко въпроса, че нещо схемата ме обърква.
Кой ще топли буфера? Камината или ел. нагревател? Ако е от камината гравитачно ли ще е и как ще стане циркулацията към нея, след като вентил 2 е затворен, когато тя работи?

Иначе тези вентили не могат ли да се превключват от НЗ към НО?
minca - специалист
Колега,ето какъв е принципа на работа на схемата:
Вентил 1 е нормално затворен а вентил 2 е нормално отворен когато камината е студена.Запалваме камината и при 60° вентил 1 отваря и съответно вентил 2 затваря.Топлото се насочва към термостатичния вентил и към буфера. Н е топлото а С е студеното.В този вентил двата потока се смесват.Той може да се настрои на определена от теб температура/от 45° до 70°/.Излишната топлина на входа Н се насочва към буфера. Така той се затопля.
Тук чаках Филматопло или Антон да се включат, ама ..цъ
Ако се интересуваш по подробно,ще обясня.
Evgeniy - майстор
Това би трябвало да е така, ако помпата е след тетката, непосредствено преди камината, и то ако 2 е отворен.
В тази ситуация, кое ще накара топлото да отиде в буфера, след като помптата дърпа от радиаторния кръг и как студеното от буфера ще се върне в долния край на камината?

Корекция - схванах идеята, ти не смесваш топлата с връщащата се студена от радиаторите, а със студента от буфера. Интересна идея, да се надяваме, че ще работи добре.
Evgeniy - майстор
Ако вместо два двупътни вентила на топлата се използва един трипътен вентил на студеното разклонение камина - буфер, ще постигнеш същия ефект, без да имаш 2 затворени линии в един и същи момент.
minca - специалист
Помогнете бре хора.!Нужен ми е двупътен моторвентил 1" с kvs>4 ,нормално отворен.При отпадане на напрежението да се връща отново в отворено състояние.

Тема "Схема за размисли и съвети" | Включи се в дискусията:


Сподели форума:

Бъди информиран. Следвай "Направи сам" във Facebook:

Намери изпълнител и вдъхновения за дома. Следвай MaistorPlus във Facebook: