Благодаря,
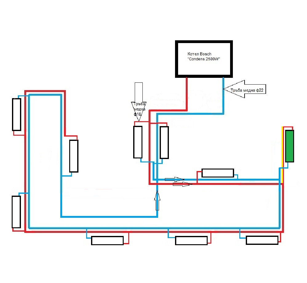
За другия въпрос нещо да се каже. От котела да слагам ли по-голям диаметър тръби на които да е филтъра и спирателните кранове и след тях да мина на ф22 или както е на схемата направо от котела ф22.
Най - вълнуващия въпрос зимно време.
6osi6
- майстор
43 мнения в "Локално парно с двуконтурен газов котел в апартамент"
Георги Г Г
- напреднал
- Мнения: 33
6osi6
- майстор
- Мнения: 1416
По-големият филтър се задръства по-трудно, слагаш го по твой избор. Спирателните кранове може да са Ф22, само че, вътрешното сечение трябва да е същото, или с по-големи, но с вътрешно сечение не по-малко от Ф22. Ако има преходи, не трябва да са с по-малко вътрешно сечение от Ф22.
Георги Г Г
- напреднал
- Мнения: 33
Здравейте,
Сега обмислям вариант с едноконтурен котел Condens 2500 W-WBC 14-1 DE, но възникват няколко въпроса.
1. бойлер с параметри на серпентината ще върши ли работа?
Вместимост L - 80 /няма място за по-голям!
Електрическа мощност kW - 2,5
Площ на серпентината m2 - 0,35
Пад на налягането в серпентината mbar - 30
Вместимост на серпентината L - 1,66
Tемпература на подгряващата вода °C - 70; 80; 90
Топлинна мощност на серпентината kW * 4,379; 4,984; 6,094
*при топлинен поток 3 м3/h
2. Има ли фабрично вграден отделен кръг от котела за бойлера?
Сега обмислям вариант с едноконтурен котел Condens 2500 W-WBC 14-1 DE, но възникват няколко въпроса.
1. бойлер с параметри на серпентината ще върши ли работа?
Вместимост L - 80 /няма място за по-голям!
Електрическа мощност kW - 2,5
Площ на серпентината m2 - 0,35
Пад на налягането в серпентината mbar - 30
Вместимост на серпентината L - 1,66
Tемпература на подгряващата вода °C - 70; 80; 90
Топлинна мощност на серпентината kW * 4,379; 4,984; 6,094
*при топлинен поток 3 м3/h
2. Има ли фабрично вграден отделен кръг от котела за бойлера?
boian_st
- помощник
- Мнения: 19
Георги Г Г написа:Здравейте,
Сега обмислям вариант с едноконтурен котел Condens 2500 W-WBC 14-1 DE, но възникват няколко въпроса.
1. бойлер с параметри на серпентината ще върши ли работа?
Вместимост L - 80 /няма място за по-голям!
Електрическа мощност kW - 2,5
Площ на серпентината m2 - 0,35
Пад на налягането в серпентината mbar - 30
Вместимост на серпентината L - 1,66
Tемпература на подгряващата вода °C - 70; 80; 90
Топлинна мощност на серпентината kW * 4,379; 4,984; 6,094
*при топлинен поток 3 м3/h
2. Има ли фабрично вграден отделен кръг от котела за бойлера?
Здравей Георги,и аз съм се ориентирал към котел Condens 2500 W-WBC 14-1 DE за 65кв.м отопляема площ и сега съм в процес на одобрение по програма DEZIRE GAZ а през това време питам и проучвам фирми от Ст.Загора за изграждане на системите(газова и отоплителна).По първия въпрос разбрах че серпентината на бойлера трябва да е с площ 0,5 и нагоре за да стопля по бързо и се ориентирах към този бойлер. http://eldominvest.com/bg/product/105.html.По втория въпрос ДА има отделен кръг за бойлера.Да те питам и аз говорил ли си с фирми от Ст.Загора за изграждане на системите. И наи важното за поставяне сервизиране на котел Condens 2500 W-WBC 14-1 DE??????
MuTeB_
- специалист
- Мнения: 89
Аз съм с такъв, само че 100 литра, и при мен серпентината е 0,7 м2
http://www.tesy.com/bg/products/elektri ... 0_b11_tsr/
Чакам с нетърпение да споделите коя фирма се справя с тези котли.
http://www.tesy.com/bg/products/elektri ... 0_b11_tsr/
Чакам с нетърпение да споделите коя фирма се справя с тези котли.
Георги Г Г
- напреднал
- Мнения: 33
В предни постове съм дал списък с фирмите признати от Овъргаз. В саита на Бош оторозираните фирми, които съвпадат със списъка на доставчика е само една. Познайте от първия път
. Овергаз са единствените признали себе си за монополисти на Бош. Говоря за Стара Загора. Преди месец бях разговарял с една от оторизираните фирми и когато стигнахме до котел Бош, казаха няма проблем, но след въпроса за поддръжка започна мънкане. Някои от фирмите от списъка са подизпълнители на друга от същия. Май излиза,че ако искаш котел Бош се обръщаш към доставчика на газ. Това са мои двумесечни проучвания и ще се радвам някой да докаже, че не съм прав.
Георги Г Г
- напреднал
- Мнения: 33
За бойлерите бях чел някъде мнение на "Lazar Ganev", че трябва серпентината да е около 1 м2
Ако проблема е само в бързината на загряване, колкото толкова. Ако бързам много включвам ел. нагревателя и готово. Въпреки, че има хора топлят бойлери с горни серпентини
boian_st обмислям и аз да се пробвам за програма DEZIRE, ама ми е много студено да ходя сега. Кажи как стават нещата с програмата.
Ако проблема е само в бързината на загряване, колкото толкова. Ако бързам много включвам ел. нагревателя и готово. Въпреки, че има хора топлят бойлери с горни серпентини
boian_st обмислям и аз да се пробвам за програма DEZIRE, ама ми е много студено да ходя сега. Кажи как стават нещата с програмата.
boian_st
- помощник
- Мнения: 19
Аз съм от Казанлък и при нас доставчик е Сити газ изискват копия на:1.бележка от платен ток.2.Натурален акт.3.Бележка за платен данък на имота.Попълваш заявление че желаеш присъединяване на имота.В нашия вход има 10 апартамента трябва съгласието на 5 от тях и 360 лв за присъединяване ако те одобрят.После търсиш фирма която да работи по програмата(познай дали има в Казанлък
) и тя изготвя оферта и пак чакаш да те одобрят.
Тема "Локално парно с двуконтурен газов котел в апартамент" | Включи се в дискусията:
Сподели форума:
Бъди информиран. Следвай "Направи сам" във Facebook:
Намери изпълнител и вдъхновения за дома. Следвай MaistorPlus във Facebook:
Имаш нужда от подходящ професионалист за дома?
- Преустройство, ремонт и реновиране
- ↳ Вашите ремонти
- ↳ Кухня
- ↳ Баня
- ↳ Дневна
- ↳ Спалня
- ↳ Детска
- ↳ Градина
- ↳ Коридор
- ↳ Тераса и балкон
- Направи сам
- ↳ Направи сам
- ↳ Ремонтирай сам
- ↳ Къде е по-евтино?
- ↳ Дърводелство
- ↳ Ел. инструменти
- ↳ Металообработване
- ↳ Конкурс "Направи сам 2012"
- Строителство
- ↳ Всичко за вилата
- ↳ Къщи
- ↳ Саниране
- ↳ Хидроизолация
- ↳ Пасивни и нискоенергийни сгради
- Сухо строителство
- ↳ Окачени тавани
- ↳ Преградни стени и предстенни обшивки
- ↳ Сухи и повдигнати подове
- ↳ Декоративни елементи - колони, трегери, сводове и др.
- ↳ Всичко за гипскартона и гипсфазера
- Въпроси и Отговори
- ↳ Полезни съвети
- ↳ Автомобили
- ↳ Партньори
- ↳ Боядисване и Декориране
- ↳ Вентилация, климатици и термопомпи
- ↳ Водоснабдяване и канализация.
- ↳ Всичко за ремонта
- ↳ Електротехника
- ↳ Отопление
- ↳ Газификация
- ↳ Електроника и Схеми
- ↳ Газобетон
- ↳ От всичко по малко
- ↳ Компютри и периферия
- ↳ Уеб дизайн, PHP, MySQL, JavaScript, HTML..
- ↳ Мобилни устройства, GSM-и
- ↳ Нека се запознаем
- ↳ Recycle Bin
- Статии
- ↳ Практични решения
- ↳ Качване на снимки
- ↳ Какви статии искате?
- ↳ Готварство, туршии и зимнина
- ↳ Отмора и шеги
- ↳ От нищо нещо
- ↳ Не е за вярване
- ↳ Литература
- ↳ Връзки към Интересни сайтове
- Магазин
- ↳ Препоръки и Мнения за он-лайн магазина
- ↳ Крадeни инструменти !!!