И така, както стана ясно, смятам да стартирам проект "контролер за сленчева система "направи сам", като предлагам създаването да стане на база колективния ум и труд на форума.
Целта - създаване на достъпен за повторение и по-нататъшно развитие и усъвършенстване конторлер, който не само да е по-евтин, (по първоначални расчети цената на апаратната част, при индивидуална поръчка от Китай няма да надвишава петдесет-шестдесет лева в базова конфикурация - микрокомпютърен блок, буквено-цифрен дисплей, датчици, часовник за реално време, интерфейсен (едернет/уайфай) модул, клавиатура с няколко бутона и енкодер), НО БЕЗ КОРПУС, който смятам че е по-правилно всеки сам да си избере/разработи, но и технически по-съвършен от предлаганите на пазара контролери.
Защо смятам че е уместно да се създаде подобно устройство, при наличието на пазара на широка гама готови контролери?
1. По понятни причини, предлаганите на пазара контролери, са ограничени като възможности за развитие и самостоятелно надграждане както апаратно, така и програмно - производителите с право си пазят хляба и инвестициите в инженеринг.
2. Практически всички фабрични контролери са лишени от възможности за интегриране в домашната система "умен дом", т.е. липсват им комуникационни възможности. И ако за следене трупане на статистически данни могат да се използват алтернативни подходи (същият температурен мониторинг, разработен от Jacket, чест и почитание за усилията, които той е вложил в това), то за външно/дистанционно управление в масовия случай трудно може да се говори. Всъщност единственият контролер с наистина развити комуникационни възможности, който съм виждал, е Siemens RVP350, (моля да не се приема за реклама или антиреклама) цената на който обаче е... или поне беше, когато той ми попадна в полезрението, четирицифрено число.
Има, разбира се и 3, 4, 5..., като цената също е някъде в тази редичка, но не на челни позиции. Все пак цената на конторлера далеч не е основния разход в изграждането на слънчева система за БГВ.
Основни принципи принципи на разработката.
1. Отворен код на софтуера, който да осигури не само неговата безплатност за всеки, решил да реализира контролера, но и възможности за негово развитие от много хора.
2. Модулност както на апаратната, така и на програмната част, която да осигури възможност всеки сам да избере конфигурация, която най-добре да отговаря на собствените си изисквания, очаквания и възможности. Модулността ще позволи и максимално лесно надграждане, усъвършенстване и всякакво друго развитие.
3. Колективност. Надявам се на нея, защото създаването на устройство с подобни характеристики определено не е по силите ми, ако не получавам вашата помощ с идеи и градивна критика. Просто не ми достигат необходимите знания и опит във всички аспекти и тънкости най-вече на топлотехниката и не се срамувам да си го призная. А няма да имам време, а защо да се лъжем и сили, да се самообразовам и придобия второ висше образование - този път по специалност топлотехника.
Разбира се не се чувствам и Господ-Бог в електрониката, схемотехниката и алгоритмирането-програмирането, въпреки че имам немалки теоретични знания и практически опит в тази област.
Разработката по никакъв начин не цели да "изяде хляба" на производителите на такова оборудване и смятам че тя няма осезаемо да намали приходите им, така че техни представители са особено добре дошли в дискусията да споделят опит и виждания, а защо не и да черпят идеи за техни бъдещи разработки.
И така откривам дискусията с два проблема, които през последните дни "терзаят съня ми".
Променлива/изменяема скорост на топлоносителя. Нужна ли е?
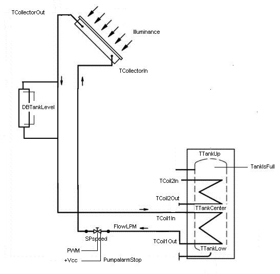
В общия случай задачата на слънчевата система за БГВ е не просто да улови в колектора максимално количество топлинна енергия, но и да я пренесе максимално ефективно в бойлера и да постигне, по възможност, максимална температура на водата в него, естествено в рамките на допустимото. За да се случи това е небоходимо от една страна флуида да получи максимално количестов топлина в колектора и да отдаде максимално количество от нея в бойлера. Количеството топлина прието/отдадено от топлоносителя е интеграл по време от произведението на температурната разлика на вход и изход по количеството флуид, умножено по коефициента на топлоемкост на топлоносителя. Отгоре на всичко в системата участва и тръбен път, който генерира топлинни загуби, които също зависят от температурните разлики и обема на преминаваща течност.
В масовия случай скоростта на флуида в системата е постоянна и се определя от хидравличното съпротивление на тръбния път и топлообменниците в бойлера и колектора(ите) и характеристиките на помпата (в дрейнбек системите и от височината, която трябва да преодолее флуида, изкачвайки се от дрейнбек съда и колектора). Когато температурните разлики колектор - бойлер са големи, това не влияе силно на ефективността на системата, но когато не са, то намаляването на скоростта на флуида може значително, според мен, да повиши ефективността на системата, за да може той да се нагрее максимално в колектора и охлади в бойлера, особено когато става дума за по-дълъг тръбен път и съответно по-голямо количество течност, а значи и енергия, намираща се в него. Освен всичко друго, за правилно решаване на задачата по оптимизацията в тази насока, според мен е уместно в системата да иам поне 4 топлинни датчика по два, един на входа и един на изхода на топлообменниците - колектора и серпентината на бойлера, като се сравняват температурните разлики и на тяхна база по определен алгоритъм (функция, крива) се управлява дебита, осигуряван от помпата.
Разбира се такова намаляване на скоростта може да се реализира и с помпа с фиксиран дебит, чрез използване на старт-стопен режим на работа, но, според мен използването му е по-неефективно от плавно регулиране на скоростта.
Правилно ли разсъждавам и ако да, какъв е пътят за оптимизация, т.е. как се изчислява кривата, по която дебита на помпата трябва да бъде управляван в зависимост от температурната(ите) разлика(и)?
Ако не ме лъжат детските спомени, задачата за топлообменника, е класически учебников пример за решаване чрез диференциално уравнение. Надявам се във форума да има инженери - топлотехници, които, ако счетат разсъжденията ми за правилни (ако не са правилни или ако значимостта им няма особена практическа стойност, просто ме оборете и откажете от идеята и главоболията, свързани с нея), да разработят алгоритъма (функцията) за управление на скоростта на флуида.
Необходим ли е разходомер?
Тук визирам необходимостта от разходомер, не за нуждите на статистическо изчисляване на ефективността на системата, а за оптималното и управление. Какво имам предвид? Освен изчисленията на оптимален дебит, в зависимост от температурните разлики, ако разсъжденията ми за необходимост от променлив такъв са верни, според мен разходомер е необходим, особено при по-дълъг тръбен път, за правилно определяне на температурите ... за валидността на отчетените данни след стартиране на системата. По-точно за времето на тяхното измерване. Защото валидни даннни за температурата на входящия в серпентината на бойлера флуид, след старта на помпата имаме едва след като със сигурност през нея е преминала (и вече отминала) течността от буферния обем на тръбния път и вече е навлязла загрятата течност от колектора. Т.е. разходомерът е необходим и за своеобразно стробиране на данните. В една ДБ система трябва да се отчете и преминаването на буферния обем течност от дрейнбек съда. Верни ли са ми разсъжденията ми и има ли практически смисъл от тяхното прилагане?
Вътрешна рециркулация
Идеята е навеяна от неволите на колегата engineer и се заключава на включване в системата на една малка (и евтина) рециркулационна помпичка, включена в тръбен път между изводите на горната и долната част на бойлера, която, при определени и високи/много високи температури в горната част на бойлера да се включва и да препомпва водата от горната част на бойлера в долната, като по този начин осигури възможност за натрупване на повече топла вода в бойлера. Освен всичко друго, си мисля, че подобна мярка ще има положителен ефект в борбата с легионелата, която при неравномерна температура на водата в бойлера, може и да бъде унищожена в горната - гореща част на бойлера, но спокойно да се развива в долната - по-хладна.
Алгоритъм на работа При достигане на примерно 70 градуса в горната част на бойлера и по ниско от 50 в долната без да се спира циркулацията по кръга бойлер - колектор,ако има условия за това. т.е температурата в колектора е по-висока от 70+дТ, се включва вътрешната рециркулация. При достигане на 65 в долната част, рециркулацията се спира. При спадане на температурата в горната част под 65 рециркулацията се спира, за да не се стига до излишна загуба на гореща вода.
Температурите, които са цитирани са примерни.
Целта - създаване на достъпен за повторение и по-нататъшно развитие и усъвършенстване конторлер, който не само да е по-евтин, (по първоначални расчети цената на апаратната част, при индивидуална поръчка от Китай няма да надвишава петдесет-шестдесет лева в базова конфикурация - микрокомпютърен блок, буквено-цифрен дисплей, датчици, часовник за реално време, интерфейсен (едернет/уайфай) модул, клавиатура с няколко бутона и енкодер), НО БЕЗ КОРПУС, който смятам че е по-правилно всеки сам да си избере/разработи, но и технически по-съвършен от предлаганите на пазара контролери.
Защо смятам че е уместно да се създаде подобно устройство, при наличието на пазара на широка гама готови контролери?
1. По понятни причини, предлаганите на пазара контролери, са ограничени като възможности за развитие и самостоятелно надграждане както апаратно, така и програмно - производителите с право си пазят хляба и инвестициите в инженеринг.
2. Практически всички фабрични контролери са лишени от възможности за интегриране в домашната система "умен дом", т.е. липсват им комуникационни възможности. И ако за следене трупане на статистически данни могат да се използват алтернативни подходи (същият температурен мониторинг, разработен от Jacket, чест и почитание за усилията, които той е вложил в това), то за външно/дистанционно управление в масовия случай трудно може да се говори. Всъщност единственият контролер с наистина развити комуникационни възможности, който съм виждал, е Siemens RVP350, (моля да не се приема за реклама или антиреклама) цената на който обаче е... или поне беше, когато той ми попадна в полезрението, четирицифрено число.
Има, разбира се и 3, 4, 5..., като цената също е някъде в тази редичка, но не на челни позиции. Все пак цената на конторлера далеч не е основния разход в изграждането на слънчева система за БГВ.
Основни принципи принципи на разработката.
1. Отворен код на софтуера, който да осигури не само неговата безплатност за всеки, решил да реализира контролера, но и възможности за негово развитие от много хора.
2. Модулност както на апаратната, така и на програмната част, която да осигури възможност всеки сам да избере конфигурация, която най-добре да отговаря на собствените си изисквания, очаквания и възможности. Модулността ще позволи и максимално лесно надграждане, усъвършенстване и всякакво друго развитие.
3. Колективност. Надявам се на нея, защото създаването на устройство с подобни характеристики определено не е по силите ми, ако не получавам вашата помощ с идеи и градивна критика. Просто не ми достигат необходимите знания и опит във всички аспекти и тънкости най-вече на топлотехниката и не се срамувам да си го призная. А няма да имам време, а защо да се лъжем и сили, да се самообразовам и придобия второ висше образование - този път по специалност топлотехника.
Разбира се не се чувствам и Господ-Бог в електрониката, схемотехниката и алгоритмирането-програмирането, въпреки че имам немалки теоретични знания и практически опит в тази област.
Разработката по никакъв начин не цели да "изяде хляба" на производителите на такова оборудване и смятам че тя няма осезаемо да намали приходите им, така че техни представители са особено добре дошли в дискусията да споделят опит и виждания, а защо не и да черпят идеи за техни бъдещи разработки.
И така откривам дискусията с два проблема, които през последните дни "терзаят съня ми".
Променлива/изменяема скорост на топлоносителя. Нужна ли е?
В общия случай задачата на слънчевата система за БГВ е не просто да улови в колектора максимално количество топлинна енергия, но и да я пренесе максимално ефективно в бойлера и да постигне, по възможност, максимална температура на водата в него, естествено в рамките на допустимото. За да се случи това е небоходимо от една страна флуида да получи максимално количестов топлина в колектора и да отдаде максимално количество от нея в бойлера. Количеството топлина прието/отдадено от топлоносителя е интеграл по време от произведението на температурната разлика на вход и изход по количеството флуид, умножено по коефициента на топлоемкост на топлоносителя. Отгоре на всичко в системата участва и тръбен път, който генерира топлинни загуби, които също зависят от температурните разлики и обема на преминаваща течност.
В масовия случай скоростта на флуида в системата е постоянна и се определя от хидравличното съпротивление на тръбния път и топлообменниците в бойлера и колектора(ите) и характеристиките на помпата (в дрейнбек системите и от височината, която трябва да преодолее флуида, изкачвайки се от дрейнбек съда и колектора). Когато температурните разлики колектор - бойлер са големи, това не влияе силно на ефективността на системата, но когато не са, то намаляването на скоростта на флуида може значително, според мен, да повиши ефективността на системата, за да може той да се нагрее максимално в колектора и охлади в бойлера, особено когато става дума за по-дълъг тръбен път и съответно по-голямо количество течност, а значи и енергия, намираща се в него. Освен всичко друго, за правилно решаване на задачата по оптимизацията в тази насока, според мен е уместно в системата да иам поне 4 топлинни датчика по два, един на входа и един на изхода на топлообменниците - колектора и серпентината на бойлера, като се сравняват температурните разлики и на тяхна база по определен алгоритъм (функция, крива) се управлява дебита, осигуряван от помпата.
Разбира се такова намаляване на скоростта може да се реализира и с помпа с фиксиран дебит, чрез използване на старт-стопен режим на работа, но, според мен използването му е по-неефективно от плавно регулиране на скоростта.
Правилно ли разсъждавам и ако да, какъв е пътят за оптимизация, т.е. как се изчислява кривата, по която дебита на помпата трябва да бъде управляван в зависимост от температурната(ите) разлика(и)?
Ако не ме лъжат детските спомени, задачата за топлообменника, е класически учебников пример за решаване чрез диференциално уравнение. Надявам се във форума да има инженери - топлотехници, които, ако счетат разсъжденията ми за правилни (ако не са правилни или ако значимостта им няма особена практическа стойност, просто ме оборете и откажете от идеята и главоболията, свързани с нея), да разработят алгоритъма (функцията) за управление на скоростта на флуида.
Необходим ли е разходомер?
Тук визирам необходимостта от разходомер, не за нуждите на статистическо изчисляване на ефективността на системата, а за оптималното и управление. Какво имам предвид? Освен изчисленията на оптимален дебит, в зависимост от температурните разлики, ако разсъжденията ми за необходимост от променлив такъв са верни, според мен разходомер е необходим, особено при по-дълъг тръбен път, за правилно определяне на температурите ... за валидността на отчетените данни след стартиране на системата. По-точно за времето на тяхното измерване. Защото валидни даннни за температурата на входящия в серпентината на бойлера флуид, след старта на помпата имаме едва след като със сигурност през нея е преминала (и вече отминала) течността от буферния обем на тръбния път и вече е навлязла загрятата течност от колектора. Т.е. разходомерът е необходим и за своеобразно стробиране на данните. В една ДБ система трябва да се отчете и преминаването на буферния обем течност от дрейнбек съда. Верни ли са ми разсъжденията ми и има ли практически смисъл от тяхното прилагане?
Вътрешна рециркулация
Идеята е навеяна от неволите на колегата engineer и се заключава на включване в системата на една малка (и евтина) рециркулационна помпичка, включена в тръбен път между изводите на горната и долната част на бойлера, която, при определени и високи/много високи температури в горната част на бойлера да се включва и да препомпва водата от горната част на бойлера в долната, като по този начин осигури възможност за натрупване на повече топла вода в бойлера. Освен всичко друго, си мисля, че подобна мярка ще има положителен ефект в борбата с легионелата, която при неравномерна температура на водата в бойлера, може и да бъде унищожена в горната - гореща част на бойлера, но спокойно да се развива в долната - по-хладна.
Алгоритъм на работа При достигане на примерно 70 градуса в горната част на бойлера и по ниско от 50 в долната без да се спира циркулацията по кръга бойлер - колектор,ако има условия за това. т.е температурата в колектора е по-висока от 70+дТ, се включва вътрешната рециркулация. При достигане на 65 в долната част, рециркулацията се спира. При спадане на температурата в горната част под 65 рециркулацията се спира, за да не се стига до излишна загуба на гореща вода.
Температурите, които са цитирани са примерни.
