Всичко свързано с тоците ми е слабост, опитайте се да ме затрудните.
kozl - майстор
И ти какво очакваш :? Някой да ти напише кой цвят с кой да свържеш - не става така. Освен това по начина на обяснение става ясно, че или не си в час ама ептен или те мързи да пишеш.
Имаш домофон - работи ли в момента и как или не е свързан :? Предполагам не звъни домофона от звънеца на вратата пред апартамента. Аве що требе да гадая. От снимките не става ясно домофона свързан ли е или не. Да се остави UTP само за бутон е разхищение, но не е невъзможно.
Да предположим, че домофона е свързан и работи с позвъняване отдолу, а до входната врата няма монтиран бутон, а стърчи Ю Ти Пи :shock:
Ами две от жиците се търсят за бутона, а имаш 8. Тва са 7+6+5+4+3+2+1=28 комбинации - дерзай. Ако не тръгне повикай някой друг комбинатор от сервиз за домофони например :wink:
Явно трябва на дълго и на широко да се обяснявам за тези които не са разбрали. Имам свързан РАБОТЕЩ домофон,който функционира при повикване от доло(работи и отключва вратата). Това което искам е да свържа звънец за повикване от етаж т.е. Когато някой е пред вратата ми да не блъска по нея,а да натисне бутона за звънеца.UTP кабела е изкаран отвън,но бутон за звънец няма. Бутона който съм взел има само 2 клеми вътре. По пътя на логиката трябва една от жичките да я свържа с общия(GND) кабел,а другата може би с Speaker-а който от снимката на платката предполагам е oзначен SP т.е жълтия или зеления ?
ПП: При повикване от доло - микрофона на слушалката не работи ? Ако не представлява проблем да ми кажете на какво може да се дължи ?
iliya_i - майстор
Явно трябва да обясниш по-подробно, защото не се знае дали някой от форума е идвал да ти чука на вратата.
Това с което ти звънят отдолу бутон ли е или сензорна клавиатура?
Между ботона долу и домофона има още едно устройство - "домофонна централа" - Марка и модел?
А къде е другият край на този UTP кабел?
И не е ли по-просто да си сложиш горе друг звънец? Така ще разбираш и от къде звънят - сигналите ще са различни.А не да вдигаш домофона, а от другата страна на вратата да ти крещят да отключиш или да отваряш вратата и като видиш, че там няма никой да вдигаш домофона. Струва някой лев повече, но си е удобство.
kozl - майстор
Нито беше дълго, нито широко. А както се се убедил във форума има и гадатели.
"При повикване отдолу микрофона на слушалката не работи"
Превод: При опит за разговор с някого пред домофонното табло, аз чувам говор отдолу, но мен не ме чуват. Вероятно микрофона в слушалката работи но не е свързан правилно. Друга причина може да е повреден микрофон, повреден транзистор, повреден превключвател.
Ако от други апартаменти долу се чува ще изключим повреда на изходящия звуков канал в домофонната централа.
Може централата да има втори тон и така горе и доле ще са с различен сигнал, ама и за тва ли да гадаем :?
Това е домофона.
Това е аудиотаблото с бутоните.
Кооперацията е завършена 2012г. Никой от апартаментите няма бутон за звънец на етажа,но всички имат оставен кабел.Относно втория тон аз също мога да гадая...От техническите характеристики които пише за модела на домофона "Повикване от етажен звънец: Опционално" разбирам че трябва да има заложена такава опция в домофона,а не в централата.
Относно превода ти имах предвид,че когато някой звъни отдолу когато вдигна слушалката аз чувам човека,но той не ме чува. Затова писах "микрофона на слушалката не работи".На съседите им работи нормално.(разговарял съм със съсед чрез домофона)
Затова пиша тук с идеята някой по-компетентен от мен в тази област да ми помогне а не да ме конфротира,че ме мързяло да пиша или че "ептен" не разбирам.
iliya_i написа:
Явно трябва да обясниш по-подробно, защото не се знае дали някой от форума е идвал да ти чука на вратата.
Това с което ти звънят отдолу бутон ли е или сензорна клавиатура?
Между ботона долу и домофона има още едно устройство - "домофонна централа" - Марка и модел?
А къде е другият край на този UTP кабел?
И не е ли по-просто да си сложиш горе друг звънец? Така ще разбираш и от къде звънят - сигналите ще са различни.А не да вдигаш домофона, а от другата страна на вратата да ти крещят да отключиш или да отваряш вратата и като видиш, че там няма никой да вдигаш домофона. Струва някой лев повече, но си е удобство.
Това с което ми звънят доло е бутон.
Централата не я знам каква е ..
Другия край на UTP кабела е точно зад домофона в апартамента,но не е свързан към домофона.
По просто е с друг звънец и въпроса не опира до парите,но предпочитам поне засега така и така са оставили кабела да го свържа към домофона.
iliya_i - майстор
http://www.laytel.com/%D0%B4%D0%B5%D0%B ... 0%BC%D0%B8
Изображение
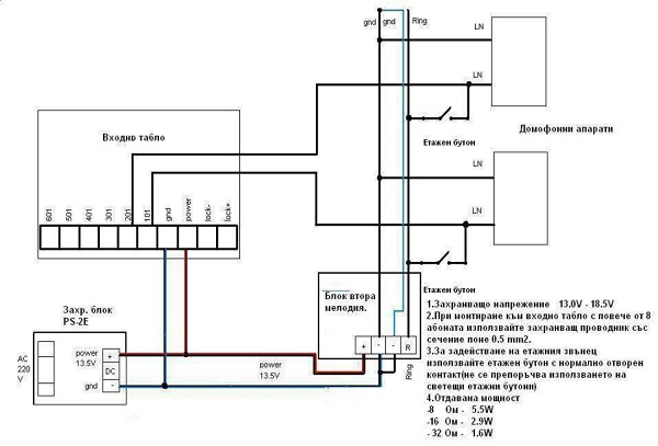
Модул за втора мелодия Nippon WE-02Модул за втора мелодия Nippon WE-02
Модул за втора мелодия Nippon WE-02 за системите WL-02NE и CM-02NE

модул втора мелодия
позволява включване на етажен звънец към домофона
необходимо е използването на общ допълнителен проводник
размери: 38(L)x36(W)x16(D)mm
kozl - майстор
На час по лъжичка. Ау ти си с двупроводна връзка. Колко бутона има на входното табло. Всеки домофон ползва личен проводник + един общ (маса). Какви кабели излизат зад слушалката освен UTP-то от мястото на звънеца до слушалката?
А най-вероятно няма сигнал за етажен звънец и за това кабела за звънец е останал без звънец. Търси свободен проводник до входното табло по който да се подаде захранване +12 волта или направо втората мелодия. После се възползваш от предложението на iliya_i ще добавиш и едно говорителче и с подходящ начин на свързване ще си пуснеш и етажния звънец, при това с друга мелодия. А вероятно може и да се ползва говорителчето на слушалката :?
Въпросът е какви проводници са прекарани от входното табло до слушалката. Тъй като линията на тези домофони е двупроводна може до домофона да има пуснати само два проводника. Ако е опроводявано по класическа схема трябва да има 4 или 5 проводника. Но модерни технологии :roll: ко да паиш :?
Благодаря на колегата iliya_i . Ще взема такъв модул и ще пробвам с него. kozl според мен търсиш под вола теле. Зад слушалката има общо 2 бр. UTP кабел - единия от които е този за етажния звънец,а другия най-вероятно идва от таблото доло.От предполагаемия идващ от доло синята и бяло синята жичка са свързани към SW1 на платката на домофона което мисля че е за отключването на вратата,но не съм сигурен.
Прикачен файл:
IMG_20160206_1202101.jpg
Относно свързването на този модул не ми трябва допълнително говорителче според мен ако гледам схемата му за свързване,но може да е пак моя грешката.. може да не разбирам правилно - знам ли..
Прикачен файл:
Untitled.jpg
Untitled.jpg (52.09 KиБ) Видяна 3371 пъти
iliya_i - майстор
Този модул е общ за всички, така че, ако някой го ползва, той е монтиран в таблото долу. Трябва да провериш кабела който идва отдолу с мултицет. По поляритета ще намериш кой кабел е маса. Търси друг захранен проводник освен свързаните - това трябва да е R от модула. От там си захранваш бутона. От дутона - на плюса.
:prayer: Утре ще пробвам с мултицета дали ще ми даде показания към друг кабел освен свързаните.

Тема "Стълбищно осветлине и звънци - схема???" | Включи се в дискусията:


Сподели форума:

Бъди информиран. Следвай "Направи сам" във Facebook:

Намери изпълнител и вдъхновения за дома. Следвай MaistorPlus във Facebook: