Всичко свързано с тоците ми е слабост, опитайте се да ме затрудните.
lpoik - специалист
ср авг 15, 2018 12:13 pmРадев написа:
вт авг 14, 2018 11:36 pmhidrazin написа:
вт авг 14, 2018 11:09 pmРадев написа:
Модел :sony kv-2165mt
Заповядай, въпросния кондензатор съм ти го сложил в прикачения файл.
Успех и пиши за резултата.
Не че има нужда от такъв де. Все пак допотопното нещо е на четвърт век...
За музей е младо, за използване е безнадеждно остаряло.
:partyman:
Виждам схемите, но не виждам къде е отбелязано. Знам че е стар но за вилата е перфектен дори и да го откраднат все ми е тая!
Би ли ми показал на някоя от моите снимки кой е? Ще ми е по лесно.
Радев-имаш ли представа да четеш схеми? Знаеш ли кое стъпало какво е?Къде се намира хоризонтална,вертикална развивка, захранване.Когато научиш кое за какво е,може и да оправиш повредата.Успех. :partyman: :?
plamen6703 - майстор
вт авг 14, 2018 11:09 pmРадев написа:
Модел :sony kv-2165mt :yawinkle:
Така се задава въпрос, марка и модел на телевизора и дефект, за да е по-лесна комуникацията :wink:
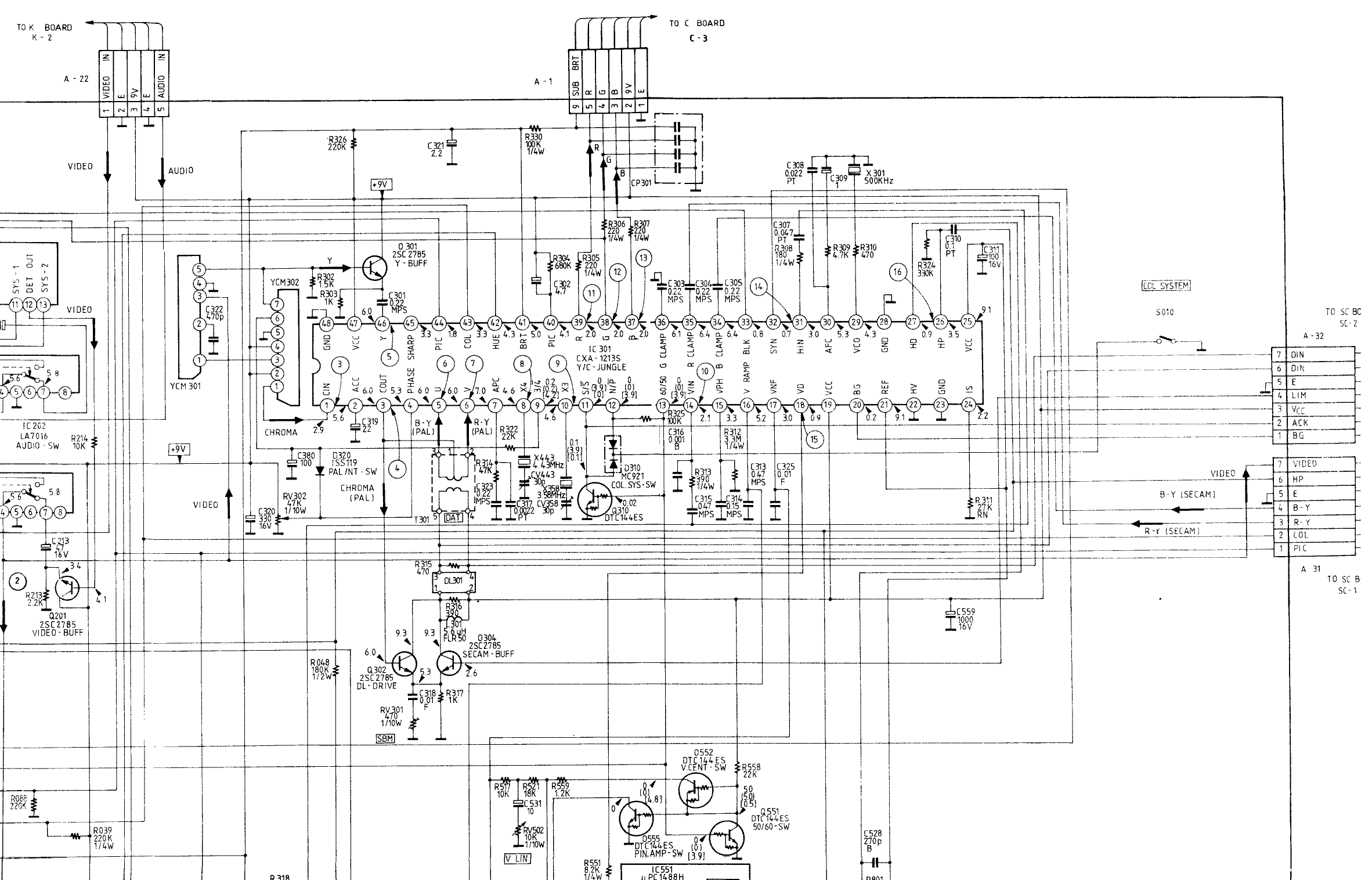
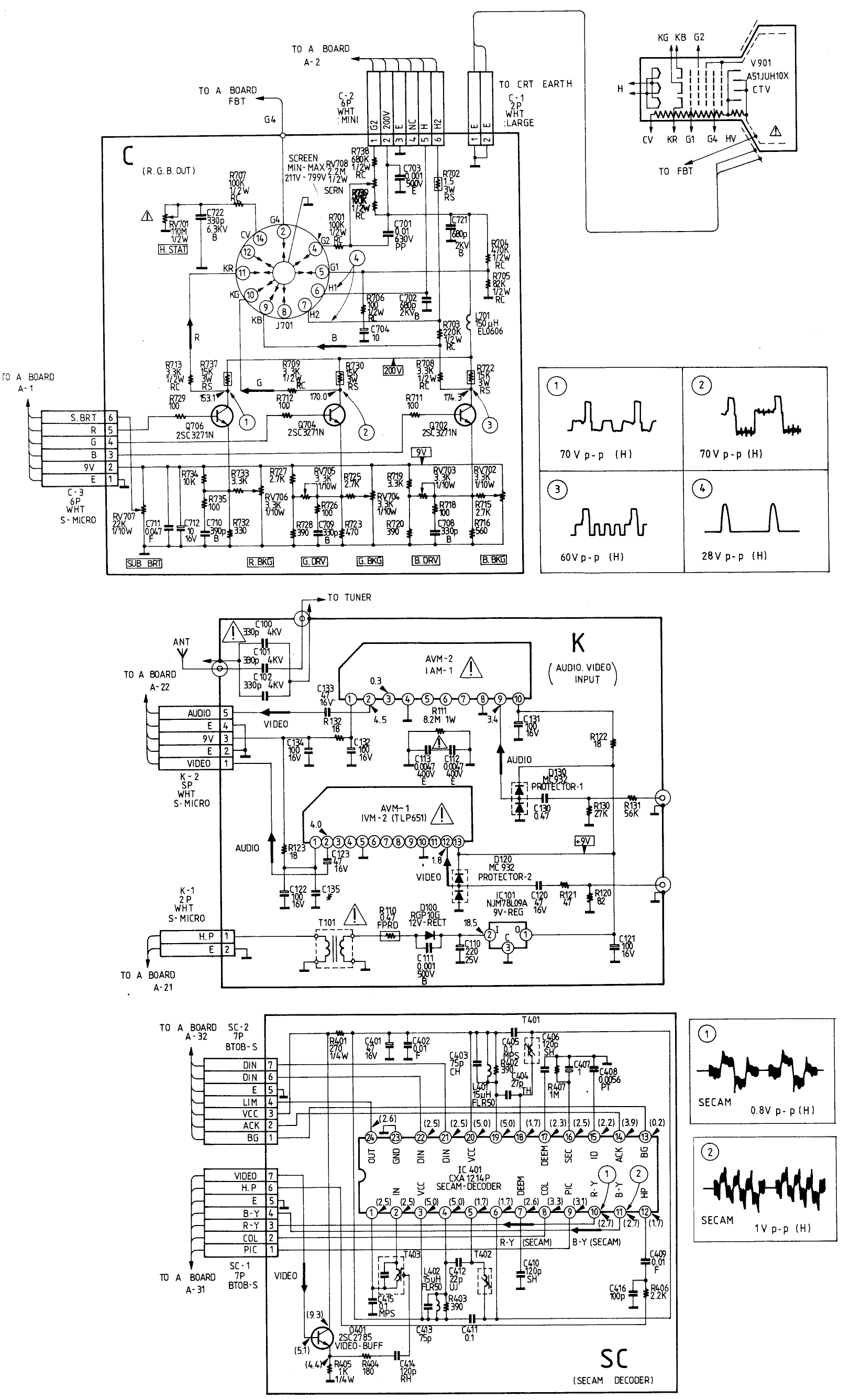
Дефекта както си го описал е във вертикалната развивка и никой освен врачка не може да ти каже със сигурност дали е от дефектен кондензатор или нещо друго. Има вероятност да е кондензатор, но има вероятност да е студена спойка, или друг елемент. Намери ИС LA7830 на шасито и около нея огледай за студени спойки и виж кондензаторите, измери напреженията в стъпалото за ВО да може /ако можеш/ да разбереш за какво точно става дума.
Телевизори по интернет не се ремонтират, но нали пусто форума е "направи си сам", каквото ти пречи да се пробваш :drinkers: ! :partyman:
ср авг 15, 2018 1:26 pmplamen6703 написа:
вт авг 14, 2018 11:09 pmРадев написа:
Модел :sony kv-2165mt :yawinkle:
Така се задава въпрос, марка и модел на телевизора и дефект, за да е по-лесна комуникацията :wink:
Дефекта както си го описал е във вертикалната развивка и никой освен врачка не може да ти каже със сигурност дали е от дефектен кондензатор или нещо друго. Има
вероятност да е кондензатор, но има вероятност да е студена спойка, или друг елемент. Намери ИС LA7830 на шасито и около нея огледай за студени спойки и виж кондензаторите, измери напреженията в стъпалото за ВО да може /ако можеш/ да разбереш за какво точно става дума.
Телевизори по интернет не се ремонтират, но нали пусто форума е "направи си сам", каквото ти пречи да се пробваш :drinkers: ! :partyman:
Ето снимка от картината на Зиг заг и хоризонтално леко свита
Прикачен файл:
1534666925313308.jpg
1534666925313308.jpg (102.12 KиБ) Видяна 2135 пъти
plamen6703 - майстор
Спокойно можеш да го държиш още в този вид докато изгасне напълно :wink:
Видях снимката, дефекта е такъв, че си иска да го пипне човек, който с това си вади хляба или поне като отвори телевизор знае за какво го е отворил. Твоите знания са да гледаш и обслужваш телевизора отпред.
Ослушай се за телевизионен сервиз, ремонта е за около 25 лв. или другият вариант е за 25-30 лв. да си купиш някой друг работещ кютюк за вилата и да си гледаш спокойно телевизия! :partyman:
vlax - майстор
нед авг 19, 2018 11:23 amРадев написа:
Ето снимка от картината на Зиг заг и хоризонтално леко свита 1534666925313308.jpg
За мен това е свита по вертикала,ама карай за теб е все едно ,хоризонтално,вертикално..по х по у все тая.
DMN - майстор
Радев написа:
Виждам схемите, но не виждам къде е отбелязано.
Би ли ми показал на някоя от моите снимки кой е? Ще ми е по лесно.
Е то ако ставаше така лесно...
Трябва да имаш и уреди, като ще се захващаш да ремонтираш телевизор, и да знаеш, че има високи и опасни напрежения в него, и трябва много да внимаваш, когато буташ в него като "работи".
Аз като гледам по схемата бих проверил напрежението на кондензатора С551, дават го 26V. Кондензаторът също подлежи на проверка.
Бих огледал и проверил всички спойки около LA7830 и всички кондензатори свързани с нея.
Също така виждам някои потенциометри, които също бих прегледал - RV503,RV551 и RV552.
Това като за начало и т.н....
antonioven - специалист
За къдренето, С-854 и С-855 на входа и изхода на IC-851 стабилизатора на 9 волта. Също и стойността на В+ 115 волта и съответно кондензатора С-609.
За свиването напрежението 26 волта С-850 и С-551, също проверка на С-558 и
задължителна смяна на С-552. При смяна на кондензатори спазвайте поляритета им.
нед авг 26, 2018 2:01 pmantonioven написа:
За къдренето, С-854 и С-855 на входа и изхода на IC-851 стабилизатора на 9 волта. Също и стойността на В+ 115 волта и съответно кондензатора С-609.
За свиването напрежението 26 волта С-850 и С-551, също проверка на С-558 и
задължителна смяна на С-552. При смяна на кондензатори спазвайте поляритета им.
Поправиха го в сервиз срещу 25 кинта вече си бачка на вилата ! Причини кондензатори и лоша спойка! Благодаря все пак !
kozl - майстор
Да изтупам прахта от темата, след като изтупах прахта от Сонито KV2184MT.
Говор има, както и тъмен екран. Последно преди да влезе в гардероба от преди 5 години беше свил вертикалната картина. Сега обаче няма никакъв образ. Захранващите напрежения +115V и +14V са налични.

Прикачен файл:
sony_kv2184mt_tv_d_Page_5.png

По горната схема на куплунг А1, 9 V е налично. На А2 200V е налично като 190V.
Осцилограма №4 е ок. №3 размаха е 0,5V вместо 60V. №2 също 0,5V вместо 70V. №1 4V, вместо 70V.
Напрежение на колектор Q706=190V; Q704=190V; Q702=187.6V. T.е. транзисторите не се отпушват достатъчно.

Прикачен файл:
sony_kv2184mt_tv_d_Page_2.png


Проверих осцилограмите на крак 37 и 38 и 39 и вместо 4V размах ми излезе около 1V. Съответно напрежението на тези крака вместо 2V по схемата е 0,9V.
Е да ама тука блокирах и ми трябва жокер от знаещите.
Каква може да е причината да няма размах изходящото напрежението към R, G и В от платката С?
Има ли някаква функция по управлението, която да гаси екрана или на видеосигнала му е спаднала амплитудата :?
DMN - майстор
kozl написа:
Проверих осцилограмите на крак 37 и 38 и 39 и вместо 4V размах ми излезе около 1V. Съответно напрежението на тези крака вместо 2V по схемата е 0,9V.
Аз не че съм телевизионен техник, ама да питам - с осцилскоп ги измерваш тия неща, а не с мултицет например, нали?

Отоплението на кинескопа работи ли?
Високото напрежение чува ли се при включване на телевизора?
:)
:partyman:

Тема "Телевизор Sony trinitron свита картина" | Включи се в дискусията:


Сподели форума:

Бъди информиран. Следвай "Направи сам" във Facebook:

Намери изпълнител и вдъхновения за дома. Следвай MaistorPlus във Facebook: