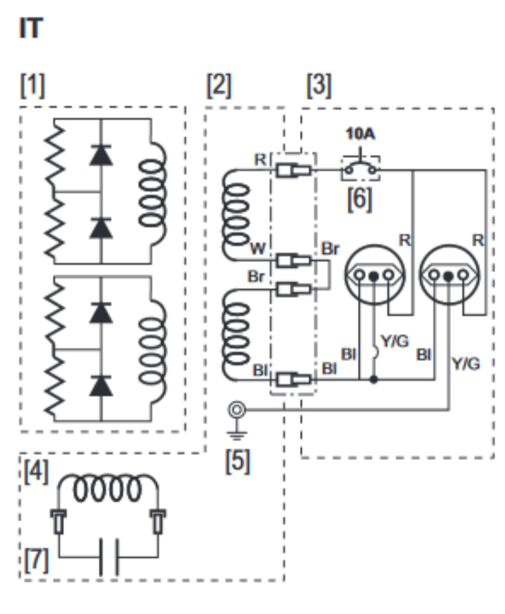
Ами това е - напрактика единия край ти отива на "зануляване"/заземяване. Оригинално агрегата не е така направен. Резултатът е следствие на твоето свързване. Колко правилно/неправилно ... Можем да си спорим до безкрай.
Ако включиш да речем скара за печене на агрегата и тя има пробив към корпус, ще ти се появи напрежение 230V между единия от отворите на шокото и корпуса на генератора. Затова по-назад бях казал, че правите "автоматичен пробив".
Ако включиш да речем скара за печене на агрегата и тя има пробив към корпус, ще ти се появи напрежение 230V между единия от отворите на шокото и корпуса на генератора. Затова по-назад бях казал, че правите "автоматичен пробив".
