Всичко свързано с тоците ми е слабост, опитайте се да ме затрудните.
gogo7777 - майстор
От тия електромери доста хора ляб ядат :wink:
hidrazin - майстор
toolegittoquit написа:
...Шушляк си ти....
Ха, и къде прочете да съм казал че си шушляк?
Май твоето стана - "гузен, негонен бяга". :lol:
:partyman:
ben84 - специалист
gogo7777 написа:
От тия електромери доста хора ляб ядат :wink:
И сиренье!
DMN - майстор
Draganov написа:
Питам,защото някъде прочетох,че е възможно отчитането да става само с измерване на тока и умножение с константа 230 за напрежението.
И на мен ми е чудно какви са тия електромери дето мерят само тока без напрежението, и отчитат правилно активната енергия :? .
То даже и напрежението да измерват и да го умножават по тока, пак няма да мерят правилно, щото трябва да отчитат и фактора на мощността. Тъй че три неща трябва да мерят по отношение на активната мощност, а не едно.
fbr - майстор
Аааайде пак се започна. Вече не чакат и зимата да дойде.
Последна промяна от fbr на вт май 30, 2017 10:39 pm, променено общо 1 път.
muhala - майстор
zz_stefanov написа:
Текста е за интегриране на мощност. Не пише че не може да се вземе U=230V. Айде пак :)
Ако U е константа ще излезе пред интеграла и тогава интегрираме ток, а не мощност.
1115 - специалист
DMN написа:
Draganov написа:
Питам,защото някъде прочетох,че е възможно отчитането да става само с измерване на тока и умножение с константа 230 за напрежението.
И на мен ми е чудно какви са тия електромери дето мерят само тока без напрежението, и отчитат правилно активната енергия :? .
То даже и напрежението да измерват и да го умножават по тока, пак няма да мерят правилно, щото трябва да отчитат и фактора на мощността. Тъй че три неща трябва да мерят по отношение на активната мощност, а не едно.
Това нещо не го разбрах...кои са трите неща при активната мощност?
zz_stefanov - майстор
Излиза отпред ако я изкараш, което не е задължително. Пък изобщо не е това въпроса. :)
DMN - майстор
1115 написа:
Това нещо не го разбрах...кои са трите неща при активната мощност?
Ватметър, който отчита само активната мощност умножава три неща - ток, напрежение и фактор на мощността.
А електромерът сам по себе си е един ватметър, който отчита активната мощност. Тази мощност умножена по времето ни дава изразходваната активна енергия.
П. Петков - специалист
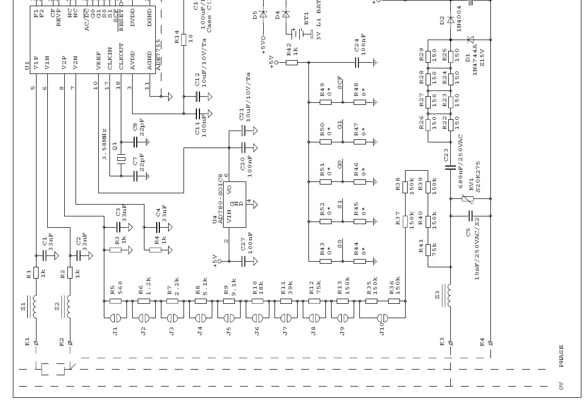
В електромерите има четириквадрантен умножител на тока и напрежението. За да бъде уредът достатъчно точен и да отговаря на стандарта, трябва да се направи много точен шунт, който да мери сравнително голям ток. Меренето на напрежението не е проблем, но за тока ѐ! За това конструкторите са се изхитрили, като шунтовете от манганин изобщо не са точни и настроени фабрично, а ги слагат така, както излизат от щанцата, и както Господ ги е създал, а тарирането на целия уред се прави чрез напрежителния делител, който е дискретен, многокомпонентен и номиналите на отделните резистори са по степените на две. При това всеки резистор има мостче, което в процеса на настройката може да окъси резистора или не. Уред, който мери само тока би бил много по-скъп за производство, да не говорим че няма да отговаря на изискванията за точност в широкия нарежителен диапазон и при претоварване по ток Ќъде 500%. Имам приятел, който навремето прави електромер с надеждата да го произвежда и ми казваше, че при изпитванията му типичната точност на образците е била 0,02%.
Прикачен файл:
El;er.jpg
Какво ли става при подмяна на С1 и/или С2 със 100 Омови чипрезистори, обърнати с надписите надолу, за да не се четат? :?
(Реторичен въпрос с единствен отговор: "Ты, Зин, на грубость нарываешься!" https://www.youtube.com/watch?v=l06gWtLP5T4)


Единствено при топлоразпределителите се мери само температурата чрез 500кΩ термистор, като впоследствие тази температура се интегрира във времето и се умножава с Бог знае какво. :-D
Коригиращи коефициенти за прострени върху радиаторите сутиени, скъсани чорапи и гащи не се предвиждат!
Последна промяна от П. Петков на ср май 31, 2017 9:36 am, променено общо 1 път.

Тема "Какво отчитат новите електронни електромери?" | Включи се в дискусията:


Сподели форума:

Бъди информиран. Следвай "Направи сам" във Facebook:

Намери изпълнител и вдъхновения за дома. Следвай MaistorPlus във Facebook: