• 1
  • 37
  • 38
  • 39
  • 40
  • 41
  • 60
Всичко свързано с тоците ми е слабост, опитайте се да ме затрудните.
Айде стига с глупостите де! Малко ли ти са сопите, та продължаваш?!
Човека показва и оборва "инженерните" ти твърдения.
Писах, че имам още интересни неща във фонотеката, но да видим колко и как ще се бистри!
Всъщност, това не ми е интересно. Интересно е обикновен и инверторен да "изгърмя".
DundyTheCroc - майстор
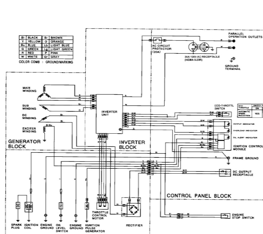
Тая работа от клипчето не е баш като да свържеш два какви да е генератора, обърнете внимание, че големия има функция за работа в паралел и се пали след малкия, който няма такава. Стана ми интересно и успях да намеря схемата на Honda EU2000i, качеството е малко зле, но се вижда основното.
Прикачен файл:
2200.jpg
Вижда се, че стандартните контакти и извода за работа на два генератора са свързани паралелно, разликата е един предпазител 20А. Цялата работа ме навежда на мисълта, че паралелната работа е функция на самия инвертор, който следи дали вече няма напрежение на изхода си и ако намери такова се синхронизира автоматично с него. Така не е нужно и двата генератора да имат тази функция, а само този, който се стартира втори. Разбира се, това са си мои мисли и не бих пробвал това от клипчето :-D
ivanovbg - майстор
То инверторните автоматично се синхронизират ако има такъв режим. Също като инверторите в соларните инсталации.

Отдавна съм замислил такава система за вкъщи. Един малък инвертор с пълна синусоида, после един 5киловатов със солари, генератор и малък акумулатор дето да издържа 15мин. Ако има достатъчно слънце да добавя за товара колкото е нужно добре, ако няма на 5-ата минута пали генератора на 48 или повече волта прав ток и си дава до 5квт ток към къщата. За двигател мога да ползвам някое старо голфче 1.6дизел. .3литра на час харчи на празен ход.
съб дек 16, 2023 4:13 pmDundyTheCroc написа:
... :-D
Ако знаеш само що нещо изгледах и изчетох, дето Иванов рече, че не мога да "чета" схеми, хахаааа. Де що има издадена и неиздадена литература съм преровил.
Не само на Хонда е такава схемата.

Не съм си намерил парите на улицата, да рискувам просто така да издумкам няколко хиляди.

Еееех, бат кемо се учи да гугли!!! Леле бошкееее!
Закъсня горкия, та минах само с кабели.
Глей ко стаа!
https://www.profiplus.bg/1857-paralelen ... u20i-eu22i
https://tashev-galving.com/product/094- ... -paralelen

А аз си направих подобни на тия, за 5 пари.
https://tashev-galving.com/product/094- ... -paralelen
Последна промяна от Трифон П.Трифонов на съб дек 16, 2023 5:00 pm, променено общо 1 път.
DundyTheCroc - майстор
Ясно е, че схемата е подобна, това намерих в Нета на първо четене. Схема на самия инвертор не намерих, ама то и да имаше като не знаем кода на микроконтролера какъв е се тая.
На инвертора мисля никой няма да намери, освен ако Хидрата не извади нещо от задния джоб.
Дори да се случи такъв фокус, то вече ще е много остаряло, но пак може да свърши работа.

Инак, синхронизирането на два генератора би било от полза за заваряване извън достъп до жица.
Гошо и това знае.
На мен просто ми беше любопитно. Големият се справя с всичко необходимо.
https://photos.app.goo.gl/vNsn5vxhagVP76Ys5
Два климатика, термопомпа, три хладилника и още малко запас.
Andri01 - майстор
Това не е твоята къща!! :lol:
съб дек 16, 2023 5:25 pmAndri01 написа:
Това не е твоята къща!! :lol:
Ко речи? Снимам по чуждите къщи ли бе?
Обърка се пак. Ям и пия по домовете, с материали на клиента.
Още нещо да клеветиш ще опиташ ли?
Може ли толкова долна душичка да имаш?!
Andri01 - майстор
https://photos.google.com/share/AF1QipM ... wzRnZXWk9n И какво търси това фото в нета? Нали съм я виждал къщата ти!!
  • 1
  • 37
  • 38
  • 39
  • 40
  • 41
  • 60

Тема "Употреба на занулени контакти с генератор" | Включи се в дискусията:


Сподели форума:

Бъди информиран. Следвай "Направи сам" във Facebook:

Намери изпълнител и вдъхновения за дома. Следвай MaistorPlus във Facebook: