• 1
  • 6
  • 7
  • 8
  • 9
  • 10
Всичко свързано с тоците ми е слабост, опитайте се да ме затрудните.
Kokar - специалист
mgbagera написа:
...
Почнах да се отчайвам и утре ще пробвам с 2-то захранване което е ATX JNC 300w отново с 494.
...
Като краен потребител мога да спомена, че JNC си извоюваха репутацията на едни от най-ниско качествените захранвания преди години (ок. 15).
Докато при други (Fortron) имаше различни партиди, предвид качеството, то JNC държаха константно ниска цена и качество.
Това го казвам за ориентир на mgbagera с какво се е захванал.
jordanvass - майстор
Kokar написа:
JNC си извоюваха репутацията на едни от най-ниско качествените захранвания преди години
Колкото е по-некачествено, толкова по-лесно се преработва, особено от начинаещи. Боклуците са рай за експериментална работа. Едно скъпо качествено захранване има толкова защити, че ще е голям зор да го подкараш като зарядно или лабораторно.

mgbagera написа:
jordanvass написа:
...да му изкормиш всички излишни елементи след изходния трансформатор, които нямат отношение към 12V изхода. И да махнеш всички защити. После ще си ги направиш сам...
Не знам дали си ми прочел горните постове но които и да ги прочете ще разбере че написаното от теб надали е по възможностите :| А може ли да попитам защо се премахват елементите от веригите за 3,3 и 5v ? С цел намаляване риска от повреда или ?
Е, то разглобяването е лесно. Аз се наемам да разглобя някой Патек Филип за 5 милиона $$. Виж за сглобяване нищо не казвам. :-D Шегувам се, разбира се.
Елементите по ненужните вериги за 5 и 3 волта се махат по няколко причини, но основната е, че ти като преправиш захранването на лабораторно/зарядно, ще му повишиш много изходното напрежение на 12 волтовия изход. Пропорционално ще се вдигнат и напреженията на 5 и 3 волтовите вериги. А електролитите не са разчетени за по-високи напрежения и могат да станат фалове. Докато го вкараш в режим и си опукал всички електролити. Пък и защо да държиш елементи, дето не ти трябват? Само беля от тях може да стане, нищо полезно. В тая връзка - да не забравиш да замениш електролитите на 12 волтовата верига с такива за по-високо напрежение!
За защитите - трябва ти само токова защита. Щото на едно лабораторно захранване каква напреженова защита да му сложиш - то напрежението не е фиксирано, мени се. А като си направиш регулиране по ток, което така и така ще ти трябва, това ще ти е достатъчно за защита на първо време.
mgbagera - специалист
jordanvass написа:
... А като си направиш регулиране по ток, което така и така ще ти трябва, това ще ти е достатъчно за защита на първо време.
Това щеше да ми е следващото питане, как да си направя регулировката по ток :? Някоя схемичка да се намира ?
jordanvass - майстор
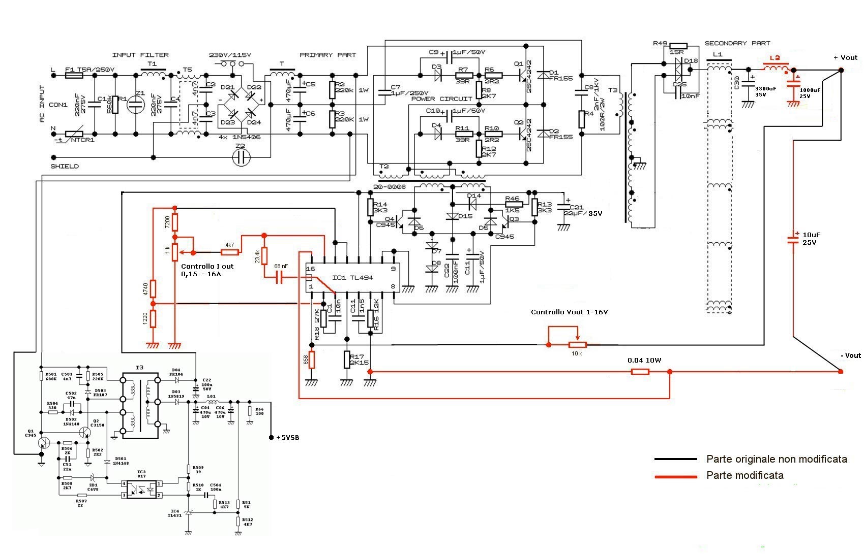
Намира се. Малко по-горе на тая страница. Ама схемата е отрязана и не се вижда кое как.
Ето ти я цялата:
Прикачен файл:
atx_schema_03.jpg
mgbagera - специалист
Съжалявам за глупавия въпрос но какви са тия резистори по 4740, 7200 и 1200 ома :? И 1К5 означава 1,5ком ли ?
hidrazin - майстор
mgbagera написа:
Съжалявам за глупавия въпрос но какви са тия резистори по 4740, 7200 и 1200 ома :?
Тия резистори са точни резистори.
А като ти чета втория въпрос ... зарежи тая работа.
:partyman:
mgbagera - специалист
Еми съжалявам за смешните въпроси но като не знам нещо е по добре да попитам от колкото да импровизирам нали ? За вас може да е нещо елементарно но за някои аматьор като мен не е.
Това не ми е специалност а просто хоби и никога не съм го изучавал. Важното е че имам желание да се занимавам :prost:

И отново да се върнем на резисторите :) Как мога да ги открия или под какво наименование да ги търся по магазините ? google не ми изкарва почти нищо за резистори с такова означение :|
hidrazin - майстор
mgbagera написа:
...google не ми изкарва почти нищо за резистори с такова означение :|
Просто не знаеш как да попиташ чичо Гошо... :-D
Най-близките стойности:
1220 - 1210 ома
4740 - 4750 ома
7200 - 7150 ома
23,4к - 23,2к или 23,7к
ги има ТУК.
Минимално количество за заявка 100бр. от вид. Цена за доставката - около 7,9 евро. Идват бързо.
Как ще се променят нещата с тези резистори може да си сметнеш сам.
Тук е описано как се смята и кое как...
http://dr-spear.com/page.php?id=176
:partyman:
mgbagera - специалист
Ахаа те къде бил ключа от бараката :) Обаче с тези SMD елементи малко трудно се разбираме. Може би защото още не съм им свикнал. Няма ли някакъв друг вариант без смд :roll:



П.П: Да видим дали съм разбрал правилно или жестоко се лъжа :?
Трябват ми:
1210ома - 1,2к
4750ома - 4,7к
7150ома - 7,2к
Последна промяна от mgbagera на съб май 13, 2017 12:28 am, променено общо 1 път.
toolegittoquit - майстор
mgbagera написа:
Може би защото още не съм им свикнал. Няма ли някакъв друг вариант без смд
Магазин за електронни компоненти нали имате? А като нямаш точни резистори, направи си. Подбираш 2 и после последователно/паралелно свързваш.
Аз ако не мога да намеря някой резистор, защото не е стандартна стойност - сглобявам си го от стандартни.
  • 1
  • 6
  • 7
  • 8
  • 9
  • 10

Тема "Ремонт на компютърно захранване" | Включи се в дискусията:


Сподели форума:

Бъди информиран. Следвай "Направи сам" във Facebook:

Намери изпълнител и вдъхновения за дома. Следвай MaistorPlus във Facebook: