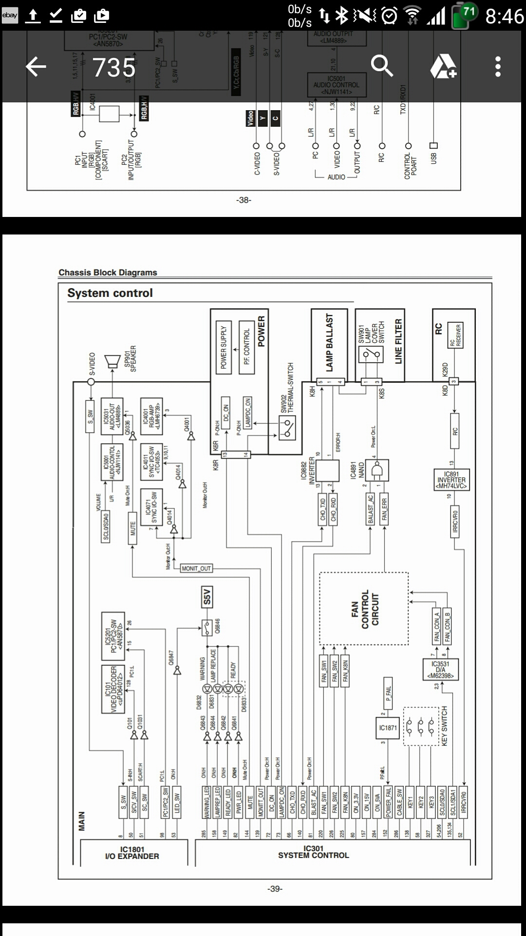
Искам да премахна оригиналната лампа и да я заменя с диод,проблема е че не мога да разбера кои кабели или кабел да дам на късо.Не мога и да намеря инфо с такава манипулация за тези модели с 5 кабела.Според схемата червен кабел N1 е CHO_RXD може би трябва да се даде на късо с N5 черен CHO_TXD но не съм сигурен.Линк със схемите
http://dox.abv.bg/files/listtree
Благодаря за всяка помощ свързана с тази манипулация


http://dox.abv.bg/files/listtree
Благодаря за всяка помощ свързана с тази манипулация