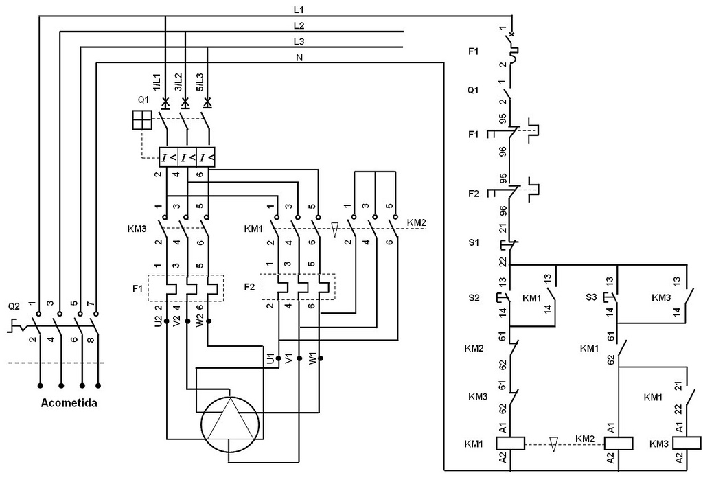
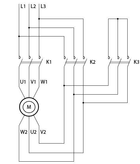
Здравейте ! Търся схемата на пускателя на този двускоростен двигател . Със два пускови бутона и един стоп . По - надолу има снимки . 
fa0450923c3c5268ecb824b0417af65b.jpg (17.27 KиБ) Видяна 1114 пъти
								
															
																															
																								
															Прикачен файл:
Прикаченият файл fa0450923c3c5268ecb824b0417af65b.jpg вече не е достъпенПрикачен файл:
			
		
					fa0450923c3c5268ecb824b0417af65b.jpg (17.27 KиБ) Видяна 1114 пъти


