• 1
  • 34
  • 35
  • 36
  • 37
  • 38
  • 198
Място за идеи и желания за проектиране и изработка на готови проекти.
Моля пак за помощ, най вече знаещите. Стигнах до някъде и реших да видя какво съм направил. На импулса от генератора горе има един зъб който незнам как да го махна. Схемата съм я правил както я дават, но изглежда че има тънкости. Дайте идея къде ми е проблема.

Прикачен файл

DSC_0096.JPG

Прикачен файл

DSC_0095.JPG
torbalan - Дървен философ
Сигурен ли си, че пречи този зъб?

Ако имаш възможност - бодни осцилоскопа на един фабричен инвертор и виж там импулсите с каква форма са.
А това е на мощните транзистори и изглежда драйверния траф не е у ред и май ще трябва да се прави наново, дайте мнение?

Прикачен файл

DSC_0098.JPG

Прикачен файл

DSC_0097.JPG
torbalan написа:
Сигурен ли си, че пречи този зъб?

Ако имаш възможност - бодни осцилоскопа на един фабричен инвертор и виж там импулсите с каква форма са.
Нямам инвертор под ръка но на друг генератор например комп.захранване не е така.
torbalan - Дървен философ
Шанса да живееш в Козлодуй е малък, но ако сме градски - няма проблем да ползваш моя за такива тестове.
nikolaytatarov - специалист
По коя схема работиш,би ли пояснил и какво си ползвал навивки сърцевини и т.н.
nikolaytatarov написа:
По коя схема работиш,би ли пояснил и какво си ползвал навивки сърцевини и т.н.
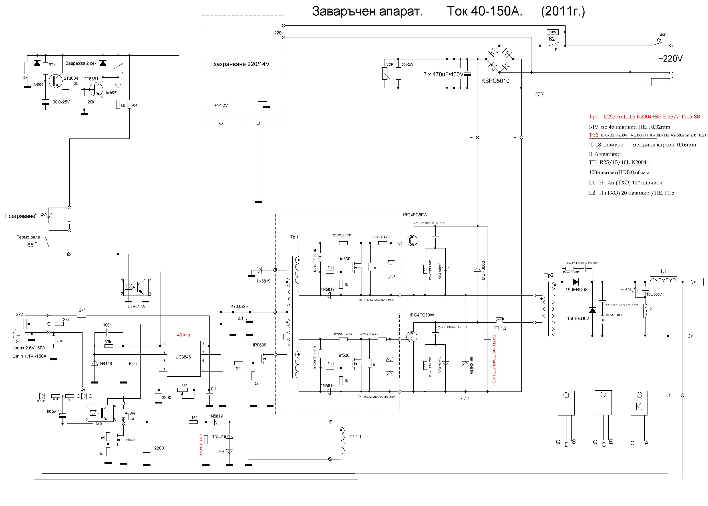
Първо Козлодуй ме е надалеч. Работя по схемата на колегата genostan на 10стр. която е леко модната Бармелейска. Най отгоре лекия зъб на импулса го има още на самия генератор дори да разкача драйверния траф пак си седи. Меря го на 6 краче на uc3845. Иначе за драйверен траф ползвам този ферит E25/7mL.0.5 K2006 AL 155 f 25-300kHz Ae 52mm2 Br 0.2T. Четерите намотки са с проводник 0.33мм. такъв намерих и са по 43 навивки всяка.
А ето я и схемата:

Прикачен файл

el-jen.JPG
nikolaytatarov - специалист
Това което си получил мисля че е нормално,стига откока в началото на импулса да не надхвърля 18-20в,в други схеми като твоята трансформатора го дават 4х35 навивки,разгледаи това мисля че ще е от полза
http://www.vadne1.narod.ru/oscill.html
nikolaytatarov написа:
Това което си получил мисля че е нормално,стига откока в началото на импулса да не надхвърля 18-20в,в други схеми като твоята трансформатора го дават 4х35 навивки,разгледаи това мисля че ще е от полза
http://www.vadne1.narod.ru/oscill.html
Благодаря.
kle500 - специалист
gogo7777 написа:
С термо-свиваем шлаух не става ли?
pansim написа:
Резонансия дросел спокойно може да се навие от обикновен проводник 2.5мм^2 пъхнат в термошлаух. Не е необходимо никакво импрегниране. Това е тестван от мен вариант и е доказал своята работоспособност във времето. Ако искате да сте по-спокойни, може да фиксирате с лепило от типа "Каноконлит" навивиките.
Що да не става ?
  • 1
  • 34
  • 35
  • 36
  • 37
  • 38
  • 198

Тема "Изработка на инверторен електрожен" | Включи се в дискусията:


Сподели форума:

Бъди информиран. Следвай "Направи сам" във Facebook:

Намери изпълнител и вдъхновения за дома. Следвай MaistorPlus във Facebook: