Място за идеи и желания за проектиране и изработка на готови проекти.
Pansim1 - специалист
Аз пък си мисля, че трябва да избереш схема и строго да се придържаш към нея, и принципите за изработка и настройка.
Това може да ти гарантира успех /не е задължително/ :)
Всичко друго също може, но ще бъде съпроводено с тичане до магазина за нови елементи.
Разработване на собствена схема, и успешното и реализиране в готов работещ вид, не е толкова проста задача, както изглежда на пръв поглед. Изисква МНОГО знания. Много!!!
АБВ потребител - специалист
Колега Pansim, искам да ти Благодаря за съветите които ми даваш,и че само ти откликваш на малкото въпроси които задавам.Благодаря!!! :supz: Някъде бях прочел една приказка която гласеше: Ако не знаеш как да направиш нещо ,по добре не опитвай,но ако не опиташ никога няма да се научиш.Аз съм точно такъв човек,ако не опитам ,не ме свърта. :) Щом го е правил вече човек,значи е възможно. :partyman: Вече добре знам как пукат транзисторите,от тези големите. :-D И са по 4 броя на всичкото отгоре ,и като пукнат, едни 60-80лв политат на някъде.
АБВ потребител - специалист
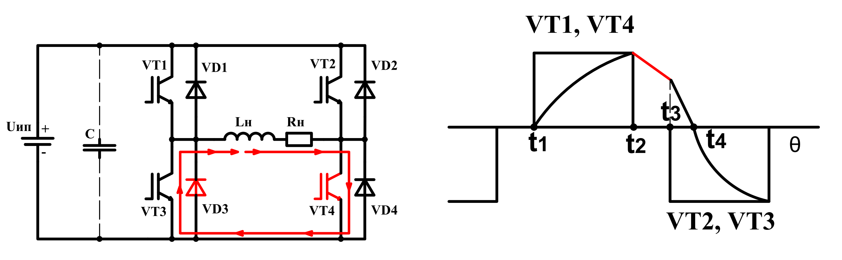
Обмислях и вариант само с дросел но се задава и там проблем .При запушване на транзисторите,натрупаната енергия в дросела ще повиши до големи стойности напрежението,особено при по голям ток.Снуберите на т-те решават до някъде проблема.Та си мисля че кондензаторите са по добър вариант :) По нататъка ще обесня защо искам да променя схемата.Нека първо да стане.
Прикачен файл:
инвертор с дросел.jpg
andro440 - майстор
С удоволствие бих споделил моята схема ,но откъм части е малко натоварена ,за сметка обаче на мощност и издръжливост ,Мога да споделя и схемата Ти ,приятелю ,която гепна от руснака която обаче , не ми допада много ,откъм захранване
plamen6703 - майстор
пет дек 21, 2018 9:15 pmАБВ потребител написа:
По нататъка ще обесня защо искам да променя схемата.Нека първо да стане.
Обмисли вариант да не променяш неща /схеми/, които не познаваш и не разбираш как функционират :wink: За да станеш калайджия първо трябва да ти почернее задника от въртене. В случая направи нещо /ако можеш/ по схема, дай му живот и като разбереш /ако изобщо разбереш/ как работи и откриеш кусури в работата, чак тогава се пробвай да преработваш и подобряваш.
Преработката на схеми е свързана с много опит и знания каквито се разбра, че нямаш! :partyman:
gogo7777 - майстор
нед дек 23, 2018 2:20 amplamen6703 написа:
пет дек 21, 2018 9:15 pmАБВ потребител написа:
По нататъка ще обесня защо искам да променя схемата.Нека първо да стане.
Обмисли вариант да не променяш неща /схеми/, които не познаваш и не разбираш как функционират :wink: За да станеш калайджия първо трябва да ти почернее задника от въртене. В случая направи нещо /ако можеш/ по схема, дай му живот и като разбереш /ако изобщо разбереш/ как работи и откриеш кусури в работата, чак тогава се пробвай да преработваш и подобряваш.
Преработката на схеми е свързана с много опит и знания каквито се разбра, че нямаш! :partyman:
+1
Слушайте Пацката, колкото повече си връткате задника, толкова по-ясни ще стават схемите. Не напразно е станал Пацо-платката. :partyman:
Задника му е из целия форум.....палавник :)
АБВ потребител - специалист
Може и да не променям схемата,защото вече хванах цаката на резонанса.Настройката е толкова проста,ама като не знае човек :-D Пък и няма кой да обясни по подробно за нас простите.До ден -два машината ще заработи.Идеята за махане на дросела не е моя ,а е на Колега тук във форума,на страница 30, която е успешно реализирана.Така че не ме кълвете Моля. :) То така е лесно,готова схема,дадете да ви направят платките,навържете само жиците и пей сърце. Все пак аз не го правя за продан.Експериментите ми дават възможност да опозная в дълбочина материята,въпреки малкия багаж който имам :-D
plamen6703 - майстор
Пак философстване и пак си разбрал всичко, но само ти така си мислиш :wink: В началото на темата пишат хора, които знаят какво правят и са доста напред с материала от теб. Единият пише и по други форуми, има знания и опит и дава добри съвети на хора, които търсят съвет и ценят полезните съвети.
Ти бързаш да кажеш "хванах цаката на резонанса.Настройката е толкова проста,ама като не знае човек..." Какво разбра от стр.30, успя ли да разбереш, че резонанса е примерно при настройка при 0.15Ω и максимално запълване на импулса :wink: разбра ли, че не трябва да има резонанс при късо... Почивай по празниците и чети, след празниците вземи ни изненадай с нещо от наученото :) ! :partyman:
АБВ потребител - специалист
Е философстване сега, :) нали трябва да ви провокирам да кажете нещо по темата, та да научим и ние простите нещо :-D
АБВ потребител - специалист
Купих един изтърбушен китайски инвертор за 50 лв. Ще ползвам кутията му,та сега ще се се мъча да напъхам всичко вътре.Играта ще е голяма,защото кутията не е от големите. :) Мястото ми е ограничено затова исках да разкарам дросела :)

Тема "Изработка на инверторен електрожен" | Включи се в дискусията:


Сподели форума:

Бъди информиран. Следвай "Направи сам" във Facebook:

Намери изпълнител и вдъхновения за дома. Следвай MaistorPlus във Facebook: