Здравейте изчетох доста за инверторите по руските сайтове и тука целия форум. Някой, който има опит ако може да каже, коя схема е по-лесна за изпълнение на Бармалея или на Няголяев (най-вече за настройка и изработка на дросела и трансформатора).
Място за идеи и желания за проектиране и изработка на готови проекти.
yangi
- специалист
1980 мнения в "Изработка на инверторен електрожен"
АБВ потребител
- специалист
- Мнения: 719
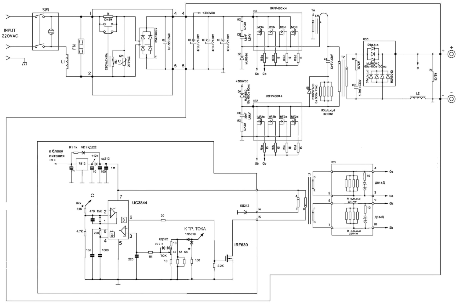
Здравей,има и други по прости схеми като тези,долу. Руснаците твърдят че работят,не знам трябва да се пробва.
И между другото да се похваля Колеги. Китаеца след дребни корекций влезе в пътя. Нямаше да се занимавам с него ама мира ми не даде. Другия проект след празниците,имам вече частите но пусто време не стига. Да се стопли времето ще снимам и ще кача клип как заварявя.Голям кеф,рутиловите направо ги лее,базични , нераждавейка, няма голяма разлика,но само до 3.2 мм за по дебели няма сила.Особено 2.5 NORD пеят,само едно тихо съскане без много пръски.Уникално. Сега ще се опитам да го усиля малко до към 160ампера.Имам един въпрос към знаещите Колеги. Мога ли да го усиля през обратната връзка по ток като забавя малко инпулса с малък резистор последователно на веригата.Това ще обърка ли нещо управлението? Благодаря!!!!
Прикачен файл
svark_13.gif (48.32 KиБ) Видяна 2176 пъти
Прикачен файл
post-154474-0-58670900-1330095968.jpg (66.85 KиБ) Видяна 2176 пъти
Прикачен файл
post-128353-0-80778000-1386871901.jpg (92.97 KиБ) Видяна 2176 пъти
АБВ потребител
- специалист
- Мнения: 719
Според мен схема на асиметричен полу-мост е най- лесен за настройка. Схеми в руските сайтове бол.Сиреч Бармалейската схема
В долните две схеми не са дали захранването не знам защо.
АБВ потребител
- специалист
- Мнения: 719
На Негуляев схемата може да стане и без резонансния дросел и кондензаторите,само че трябва да ограничиш тока с обратна връзка в първичната намотка. Ето и още схеми 
АБВ потребител
- специалист
- Мнения: 719
И все пак не е задължително една схема да е сложна за да работи. Колкото е по сложна ,повече работа ще имат сервизите. Това е машина за работа а не да гледаме анимационни филми на нея. Електрожена просто преубразува енергията от мрежата.Трябва му генератор на импулси който да мени магнитното поле в трафа с определена честота и да се ограничи тока от мрежата в първичната до определена стойност,за да няма бум.Най общо казано.В един друг форум прочетох много интересно мнение,нямал да си купи въпросния електрожен защото бил "грозен", та няма да се жениш за него я. По важно е как заварява а красотата е най накрая. В крайна сметка заваръчната дъга е е една и съща тя няма да стане със сложните екстри зелена .По важно е как я пали и как я подържа след това.Как топи метала,има ли провар , с две думи КАЧЕСТВОТО на заваръчния шев.
Заварчик който дели машините на грозни и красиви ,на прости и сложни ,нищо не става от него.
yangi
- специалист
- Мнения: 166
Мерси много за отговора. На Бармалея по-добре ли работи от резонансния инвертор при малки токове? Примерно от 40-70 ампера. Гледах на теория волт-амперната характеристика на инвертора на Бармалея е по добра в целия диапазон на заваръчния ток (и за малки и за големи токове) от резонансния (неговата характеристика е добра само на максималния ток или близо до него, предполагам и за това са му сложили удвоител на напрежение).
АБВ потребител
- специалист
- Мнения: 719
Здравей
Аз не съм правил въпросните схеми но съм се насочил към Бармалейската схема и мисля да я опростя и променя малко. Захранването,драйверите,изхода на трафа и още дребни неща.Значи за да получиш плавно регулиране на изхода на трафа съответно трябва да има и плавно подаване на входа. Това зависи от обратната връзка по ток, тя го ограничава на различни нива посредством подаване на напрежение през оп.усилвател,нали така.В схемата на Негуляев тази функция се изпълнява от дросела+ последователните кондензатори, те ограничават тока с изменението на честотата разбира се.Не знам дали съпротивлението на дросела се изменя линейно. И аз мисля че токовия траф е по- добре от дросела. Щом си проучил нещата смело напред.Извинявай ,надявам се да го обяснявам разбираемо,друго съм завършил ,тока ми е само хоби. Тук има и хора които са по напред с материала нека и те да се произнесат. 
Последна промяна от АБВ потребител на чет дек 21, 2017 5:17 pm, променено общо 2 пъти.
АБВ потребител
- специалист
- Мнения: 719
По повод добре направения електрожен ще разкажа нещо.Преди доста години нямах все още електрожен и един възрастен човек ,познат от квартала ми даваше своя да си върша работа.Беше един неугледен стар трансформатор ,но как заваряваше нямам думи.Просто допираш електрода до метала и почваше да гори дъгата без да вдигаш електрода,няма лепене няма нищо,държиш електрода забит в желязото и дъгата гори. При подходящ ток разбира се.Като вдигнеш леко електрода дъгата продължава да гори с един мек звук.Електрода беше Вежен .Уникално работеше.Исках тогава да го купя но дядото се опъваше,след година две дядото почина ,децата му бяха в София сигурно го засилиха нанякъде и му изгубих дирята.Не знам кой го беше правил това чудо но явно доста си е разбирал от занаята. Та такива ми ти работи 
АБВ потребител
- специалист
- Мнения: 719
- Мнения: 3
а можеш ли да ги ремонтираш инвертор awi arc 200
този електрожен беше изкаран през зимата на студа и спря да работи отворих го беше изгорял шим регyлатора sg3525 iи резисторите по захранването смених го и елементите тръгна изкарва 56в на празен ход и като го натоваря с товарно r работи искарва 50а и пада изходното напрежение примерно на 50в което означава че работи падащата характеристика но като чукна с електрод задейства се защитата тя е тиристорна и блокира шима смених и операционния усилвател ca3140 усилваш спада върху шунта на изхода които осигурява падащата характеристика на инвертора светят и двата свето диода които индексират работата на интеграла та но пак се задейства защитата с електрода схемата е arc160-5 пълен мост има 3 платки най отгоре е платката с транзисторите и диодите перпендикулярната платка е управлението средната е с 3 импулсни трафа работещи в паралел дросела и шунта ни отдолу е захранването четох че променят входния делител по защитата но пипам нищо послеслов ..обеснявам подробно какво съм какво съм направил и какво съм прочел и искам мнението за ремонта а не давам акъл
този електрожен беше изкаран през зимата на студа и спря да работи отворих го беше изгорял шим регyлатора sg3525 iи резисторите по захранването смених го и елементите тръгна изкарва 56в на празен ход и като го натоваря с товарно r работи искарва 50а и пада изходното напрежение примерно на 50в което означава че работи падащата характеристика но като чукна с електрод задейства се защитата тя е тиристорна и блокира шима смених и операционния усилвател ca3140 усилваш спада върху шунта на изхода които осигурява падащата характеристика на инвертора светят и двата свето диода които индексират работата на интеграла та но пак се задейства защитата с електрода схемата е arc160-5 пълен мост има 3 платки най отгоре е платката с транзисторите и диодите перпендикулярната платка е управлението средната е с 3 импулсни трафа работещи в паралел дросела и шунта ни отдолу е захранването четох че променят входния делител по защитата но пипам нищо послеслов ..обеснявам подробно какво съм какво съм направил и какво съм прочел и искам мнението за ремонта а не давам акъл
Тема "Изработка на инверторен електрожен" | Включи се в дискусията:
Сподели форума:
Бъди информиран. Следвай "Направи сам" във Facebook:
Намери изпълнител и вдъхновения за дома. Следвай MaistorPlus във Facebook:
Имаш нужда от подходящ професионалист за дома?
- Преустройство, ремонт и реновиране
- ↳ Вашите ремонти
- ↳ Кухня
- ↳ Баня
- ↳ Дневна
- ↳ Спалня
- ↳ Детска
- ↳ Градина
- ↳ Коридор
- ↳ Тераса и балкон
- Направи сам
- ↳ Направи сам
- ↳ Ремонтирай сам
- ↳ Къде е по-евтино?
- ↳ Дърводелство
- ↳ Ел. инструменти
- ↳ Металообработване
- ↳ Конкурс "Направи сам 2012"
- Строителство
- ↳ Всичко за вилата
- ↳ Къщи
- ↳ Саниране
- ↳ Хидроизолация
- ↳ Пасивни и нискоенергийни сгради
- Сухо строителство
- ↳ Окачени тавани
- ↳ Преградни стени и предстенни обшивки
- ↳ Сухи и повдигнати подове
- ↳ Декоративни елементи - колони, трегери, сводове и др.
- ↳ Всичко за гипскартона и гипсфазера
- Въпроси и Отговори
- ↳ Полезни съвети
- ↳ Автомобили
- ↳ Партньори
- ↳ Боядисване и Декориране
- ↳ Вентилация, климатици и термопомпи
- ↳ Водоснабдяване и канализация.
- ↳ Всичко за ремонта
- ↳ Електротехника
- ↳ Отопление
- ↳ Газификация
- ↳ Електроника и Схеми
- ↳ Газобетон
- ↳ От всичко по малко
- ↳ Компютри и периферия
- ↳ Уеб дизайн, PHP, MySQL, JavaScript, HTML..
- ↳ Мобилни устройства, GSM-и
- ↳ Нека се запознаем
- ↳ Recycle Bin
- Статии
- ↳ Практични решения
- ↳ Качване на снимки
- ↳ Какви статии искате?
- ↳ Готварство, туршии и зимнина
- ↳ Отмора и шеги
- ↳ От нищо нещо
- ↳ Не е за вярване
- ↳ Литература
- ↳ Връзки към Интересни сайтове
- Магазин
- ↳ Препоръки и Мнения за он-лайн магазина
- ↳ Крадeни инструменти !!!