Zдравейте, решил съм да си направя инкубатор... обаче имам проблем със връзването на терморегулатор. Ще помоля някой ехнически грамотен да удари едно рамо ... само да ми надраска една схема за свързване или подробно да ми обясни на кое краче какво трябва да вържа... прилагам снимки на ръководството на джаджата. Ще съм много благодарен.
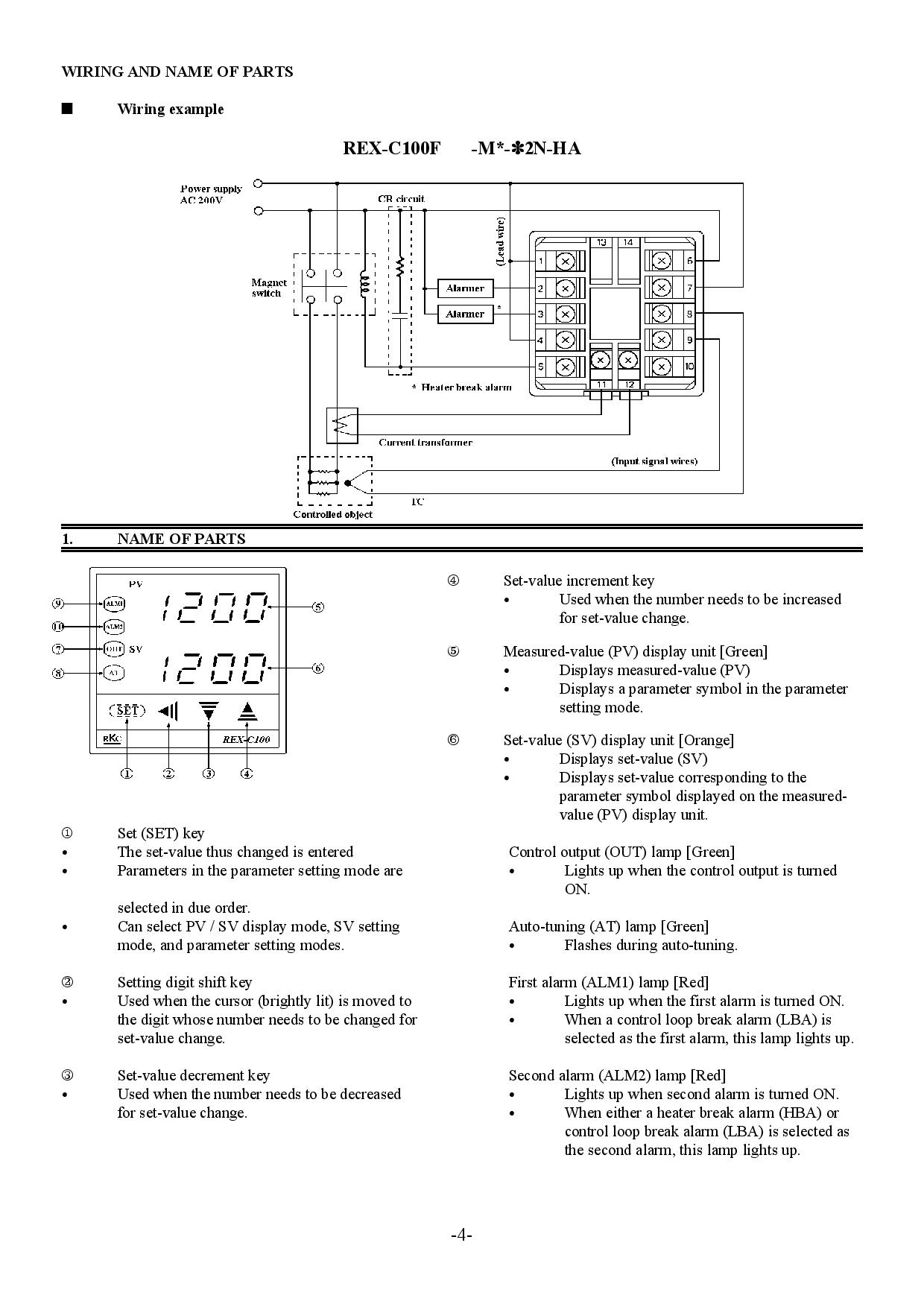
На 4-та страница има една примерна схема за връзване, но не съм толкова грамотен за да я разчета. Краче 8 и 9 са за термо датчика, 6 и 7 са за захранването и до там ... всичко друго ми е тъмна индия ... къде да вържа нагревател.. вентилатор... другите за какво са, какво мога да вържа към тях.. искам да използвам максимално ресурсите на тази джаджа
На 4-та страница има една примерна схема за връзване, но не съм толкова грамотен за да я разчета. Краче 8 и 9 са за термо датчика, 6 и 7 са за захранването и до там ... всичко друго ми е тъмна индия ... къде да вържа нагревател.. вентилатор... другите за какво са, какво мога да вържа към тях.. искам да използвам максимално ресурсите на тази джаджа