съб апр 11, 2020 11:12 pmFlogger написа: Малко ъпдейт:Привет, Flogger!
@simbatasat и @sean-john отговорил съм ви на л.с.
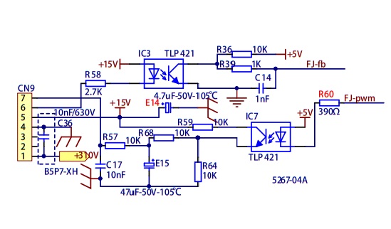
Тъй като се навъдиха много "майстори", които взеха да обясняват, как това нямало да стане, как инветорите били със сложен "софтуер" и не се лъжели лесно, и всякакви други окуражаващи постове бях решил да не поствам повече нищо тук. Но в последствие се замислих, че ще е полезно на хората, които също като мен тепърва се захващат с това да имат една конфигурация като пример за това кое може и кое не. Само ще кажа, че етажа, за които споменах от 110кв.м съвсем успешно го отоплявах този сезон с Fujitsu AOHG24LALA 24000BTU 8.0kW отоплителна мощ преправен на термопомпа. Говорим за температура в стаите от порядъка на 22-23градуса и средна сметка на електроенергия от 80лв. Топлообменника е пластинчат от фригокомерс SR-B3-23A-40-4. Всичко на всичко ми излезе 1700лв, като включвам и водната помпа в тази цена. Ако някой има нужда от помощ относно имитирането на честотите вътрешния вентилатор нека ми пише л.с. защото ако напиша тук как става, сигурно ще ми кажат 20 човека, че не се прави така и няма смисъл и да си купя котле на кюмур
Междувременно искам да благодаря на всички останали участвали в темата, които ми помогнаха и изразиха подкрепа!
Поздрави и повече усмивки !![]()
Искам да помоля за повече информация, какда се справя с залъгването, за да моторчето на вътрешното тяло.
Нлагодаря предварително!
