Хидра,
Ако Тинкпад се появи, ще те "клъвне" пак - моделът е в заглавието.
Схема не успях да открия.
И да, по моите наблюдения касетофонИТЕ се активират от почти ВСИЧКИ клавиши - там има и "ускорен" презапис, който никога не съм ползвал - предполагам е без звук и засега я изключвам от потенциалните режими като решение.
Възможността за запис на "радио" също някъде смесва нещата - вероятно заради него е "нелогичното" (обявено от мен по-горе) управление.
Благодаря.
- 1
- 2
От мобилни телефони до цифрови камери
pipilica
- майстор
19 мнения в "Радиокасетофон Sanyo MW242K - Audio IN??"
FM STEREO
- специалист
- Мнения: 995
Записа от радиото се превключва от друг ключ,който се намира на платката на усилвателя и се управлява от механиката като се натисне бутона за запис,на самата механика има метална пластинка,която се мушка в квадратното уше на ключа на платката на усилвателя,но този ключ не те бърка ако не е натиснат бутона REC. Щом си видял ключетата на механиките,проследяваш кабелчетата и там дето са запоени ги замостяваш и така НЧ.Усилвателя ще бъде под захранване.
hidrazin
- майстор
- Мнения: 25963
8180 написа:.... моделът е в заглавието.....
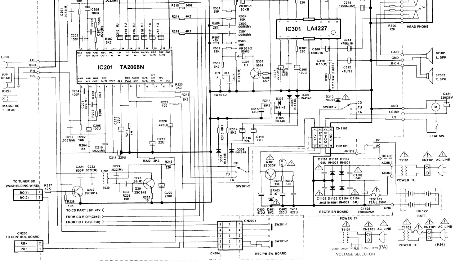
Ето за някакво друго Sanyo. Вижда се че в режим касетофон захранването за мотора, захранването на крайното стъпало и захранването на предусилвателя минава през превключвателя на механиката LEAF SW. Рядко но се среща в някои модели - има два превключвателя.
Един за мотора и един за възпроизвеждане дето захранва само електрониката. Ама наистина е много рядко.
Та общо взето ще трябва да поровиш из превключвателите по механиката.
hidrazin
- майстор
- Мнения: 25963
radius написа:Вие докат се напивате аз да кажа, че може някой да се обърка и да си купи адапторна касета. Това трябва да го забранят за продажба. Досега ми с 2-3 такива касети е стресиращ.Ааааа... За напиването днес не ми е ред. Снощи беше и днес е реанимацията.
За адапторните касети. По-горе писах че качеството няма да е кой-знае какво.
Подобни експерименти с касетофони пуснати без касета и натикана вътре глава съм си правил преди повече от 20 години.
В тази връзка малко лирическо отклонение. Ако някой има работещ касетофон и пеещ ръчен часовник от този модел или подобен:
Пускате касетофона на възпроизвеждане без касета. Ще трябва да блокирате автостопа за да не изключи като при край на касетата.
Пускате часовника да свири някаква мелодия и го натиквате в гнездото на касетофона близо до главата.
Ще останете учудени от ефекта.
8180
- майстор
- Мнения: 4425
Така, за докладвам.
Честита Коледа на всички дали акъл.
Реших задачката "сравнително" успешно и лесно. Благодаря за съдействието.
Основно ми дадохте увереност, че ИМА някакво превключване в механиките, което начално отхвърлях.
Насоката на Хидрата за захранването ме насочи да тръгна от него и да видя докъде стига по механиките. Пътем открих куплунг, който изключва мотора елементарно. Отделно споменах, че главите също са на куплунги - демек, запазих цялостта и на касетофоните, ако някой в бъдеще реши да се забавлява, с лекото неудобство, че трябва да се активира функцията просвирване И СЪС някой клавиш от механиките. Това е и лек плюс, според мен, предвид факта, че няма мрежов ключ.
Отпоих кондензаторите откъм упоменатия чип (11 и 12-ти пин) и там свързах входовете.
"Сравнително" - то е заради умерения шум при максимално усилване, който първоначално не бях доловил и похвалих машинката - не е от преустройството. Специално възстановявах схемата за проверка. Брум няма. Свири достатъчно чисто до към 70-80% на "волумето" при средна сила на сигнала, сравнима с тази на радиото. Нататък - толкова си може.
Весели празници и успешна 2015-та!
Честита Коледа на всички дали акъл.
Реших задачката "сравнително" успешно и лесно. Благодаря за съдействието.
Основно ми дадохте увереност, че ИМА някакво превключване в механиките, което начално отхвърлях.
Насоката на Хидрата за захранването ме насочи да тръгна от него и да видя докъде стига по механиките. Пътем открих куплунг, който изключва мотора елементарно. Отделно споменах, че главите също са на куплунги - демек, запазих цялостта и на касетофоните, ако някой в бъдеще реши да се забавлява, с лекото неудобство, че трябва да се активира функцията просвирване И СЪС някой клавиш от механиките. Това е и лек плюс, според мен, предвид факта, че няма мрежов ключ.
Отпоих кондензаторите откъм упоменатия чип (11 и 12-ти пин) и там свързах входовете.
"Сравнително" - то е заради умерения шум при максимално усилване, който първоначално не бях доловил и похвалих машинката - не е от преустройството. Специално възстановявах схемата за проверка. Брум няма. Свири достатъчно чисто до към 70-80% на "волумето" при средна сила на сигнала, сравнима с тази на радиото. Нататък - толкова си може.
Весели празници и успешна 2015-та!
- 1
- 2
Тема "Радиокасетофон Sanyo MW242K - Audio IN??" | Включи се в дискусията:
Сподели форума:
Бъди информиран. Следвай "Направи сам" във Facebook:
Намери изпълнител и вдъхновения за дома. Следвай MaistorPlus във Facebook:
Имаш нужда от подходящ професионалист за дома?
- Преустройство, ремонт и реновиране
- ↳ Вашите ремонти
- ↳ Кухня
- ↳ Баня
- ↳ Дневна
- ↳ Спалня
- ↳ Детска
- ↳ Градина
- ↳ Коридор
- ↳ Тераса и балкон
- Направи сам
- ↳ Направи сам
- ↳ Ремонтирай сам
- ↳ Къде е по-евтино?
- ↳ Дърводелство
- ↳ Ел. инструменти
- ↳ Металообработване
- ↳ Конкурс "Направи сам 2012"
- Строителство
- ↳ Всичко за вилата
- ↳ Къщи
- ↳ Саниране
- ↳ Хидроизолация
- ↳ Пасивни и нискоенергийни сгради
- Сухо строителство
- ↳ Окачени тавани
- ↳ Преградни стени и предстенни обшивки
- ↳ Сухи и повдигнати подове
- ↳ Декоративни елементи - колони, трегери, сводове и др.
- ↳ Всичко за гипскартона и гипсфазера
- Въпроси и Отговори
- ↳ Полезни съвети
- ↳ Автомобили
- ↳ Партньори
- ↳ Боядисване и Декориране
- ↳ Вентилация, климатици и термопомпи
- ↳ Водоснабдяване и канализация.
- ↳ Всичко за ремонта
- ↳ Електротехника
- ↳ Отопление
- ↳ Газификация
- ↳ Електроника и Схеми
- ↳ Газобетон
- ↳ От всичко по малко
- ↳ Компютри и периферия
- ↳ Уеб дизайн, PHP, MySQL, JavaScript, HTML..
- ↳ Мобилни устройства, GSM-и
- ↳ Нека се запознаем
- ↳ Recycle Bin
- Статии
- ↳ Практични решения
- ↳ Качване на снимки
- ↳ Какви статии искате?
- ↳ Готварство, туршии и зимнина
- ↳ Отмора и шеги
- ↳ От нищо нещо
- ↳ Не е за вярване
- ↳ Литература
- ↳ Връзки към Интересни сайтове
- Магазин
- ↳ Препоръки и Мнения за он-лайн магазина
- ↳ Крадeни инструменти !!!