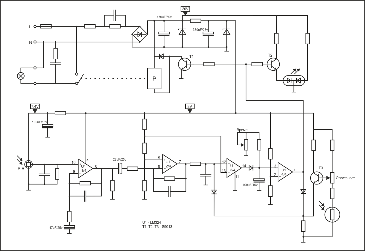
За пръв път виждам датчик без фото резистор. Няма ли регулиране на осветеност? Има само два тримера
От мобилни телефони до цифрови камери
shadow__01
- майстор
37 мнения в "Датчик за движение - не изгася лампите"
zdravcho
- специалист
- Мнения: 488
Ами нищо, никакъв резултат. Даже и схемата му свалих за улеснение, амааа... Почти всички спойки съм ги повтарял. Релето и управляващия го транзистор са ОК - щрака си добре само когато има управляващ сигнал към транзистора. Потенциометрите ги раздвижих интензивно, може дори да съм ги чистил, вече не си спомнам - уви без ефект. Почнах да меря напреженията по ОУ и до там. Както казва Мирончо "За 10-12 лева толкова." - то времето и средствата които му отделих струват повече.
Neno Er
- специалист
- Мнения: 640
Да попитам.
Външна лампа със сензор на движение работИ доста време. Но в един прекрасен ден някаква гад, предполагам кълвач счупи светофилтъра който затваря сензора отпред. Изрязах от прозрачна пластмаса и сложих на мястото на счупения. Сега обаче почти няма чувствителност на движение. На всякъде където виждам, тези филтри са матови.
Има ли значение
Външна лампа със сензор на движение работИ доста време. Но в един прекрасен ден някаква гад, предполагам кълвач счупи светофилтъра който затваря сензора отпред. Изрязах от прозрачна пластмаса и сложих на мястото на счупения. Сега обаче почти няма чувствителност на движение. На всякъде където виждам, тези филтри са матови.
Има ли значение
Тема "Датчик за движение - не изгася лампите" | Включи се в дискусията:
Сподели форума:
Бъди информиран. Следвай "Направи сам" във Facebook:
Намери изпълнител и вдъхновения за дома. Следвай MaistorPlus във Facebook:
Имаш нужда от подходящ професионалист за дома?
- Преустройство, ремонт и реновиране
- ↳ Вашите ремонти
- ↳ Кухня
- ↳ Баня
- ↳ Дневна
- ↳ Спалня
- ↳ Детска
- ↳ Градина
- ↳ Коридор
- ↳ Тераса и балкон
- Направи сам
- ↳ Направи сам
- ↳ Ремонтирай сам
- ↳ Къде е по-евтино?
- ↳ Дърводелство
- ↳ Ел. инструменти
- ↳ Металообработване
- ↳ Конкурс "Направи сам 2012"
- Строителство
- ↳ Всичко за вилата
- ↳ Къщи
- ↳ Саниране
- ↳ Хидроизолация
- ↳ Пасивни и нискоенергийни сгради
- Сухо строителство
- ↳ Окачени тавани
- ↳ Преградни стени и предстенни обшивки
- ↳ Сухи и повдигнати подове
- ↳ Декоративни елементи - колони, трегери, сводове и др.
- ↳ Всичко за гипскартона и гипсфазера
- Въпроси и Отговори
- ↳ Полезни съвети
- ↳ Автомобили
- ↳ Партньори
- ↳ Боядисване и Декориране
- ↳ Вентилация, климатици и термопомпи
- ↳ Водоснабдяване и канализация.
- ↳ Всичко за ремонта
- ↳ Електротехника
- ↳ Отопление
- ↳ Газификация
- ↳ Електроника и Схеми
- ↳ Газобетон
- ↳ От всичко по малко
- ↳ Компютри и периферия
- ↳ Уеб дизайн, PHP, MySQL, JavaScript, HTML..
- ↳ Мобилни устройства, GSM-и
- ↳ Нека се запознаем
- ↳ Recycle Bin
- Статии
- ↳ Практични решения
- ↳ Качване на снимки
- ↳ Какви статии искате?
- ↳ Готварство, туршии и зимнина
- ↳ Отмора и шеги
- ↳ От нищо нещо
- ↳ Не е за вярване
- ↳ Литература
- ↳ Връзки към Интересни сайтове
- Магазин
- ↳ Препоръки и Мнения за он-лайн магазина
- ↳ Крадeни инструменти !!!