• 1
  • 2
  • 3
  • 4
  • 5
  • 7
От мобилни телефони до цифрови камери
jordanvass - майстор
Хубава машинка, но ще видиш голям зор с входното напрежение, ако искаш да изкарваш 50V в изхода. Особено ако си с "по-мек" трансформатор в изправителя. При Step Down преобразувателите все е така. Представи си следната ситуация - искаш 50V при ток 5А на изхода. Трябва на входа да пуснеш поне 55V, за да работи нормално. В момента, в който откачиш товара, трансформаторът ти се разтоварва, напрежението му се вдига, електролитите в изправителя се зареждат на макс и напрежението ти на входа на модула скача на над 70 волта. Колко време ще издържи това претоварване, щом му дават до 55 волта максимум, никой не може да каже. Дори и да издържи за кратко, електролитите на входа ще изсъхнат бързо. Щом изкарват 50, би трябвало входът да понася поне 70 волта, а не 55. Ама не ги правят така. Пусти икономии...
todortv - майстор
Така е. :)
Но аз го ползвам на 50В без товар след греца, а под товар колкото - толкова. :)
Колко пъти ще се наложи да захраня нещо на 50В/5А. :?
Джаджата е прекрасна за зареждане на акумулатори.
На 5А и 32В не загрява.
shadow__01 - майстор
todortv написа:
С това забравяш всякакви схеми.....
Оценявам предложението, но ми трябва схема която да включва реле при достигане 14V на изхода. Ще правя изправителя както си беше и няма да използвам конвертори.
Мислех си за нещо подобно на:
http://www.electro-tech-online.com/atta ... jpg.88996/
или
Прикачен файл:
schematic12.jpg
schematic12.jpg (78.61 KиБ) Видяна 3095 пъти
Само не знам стойностите на елементите.
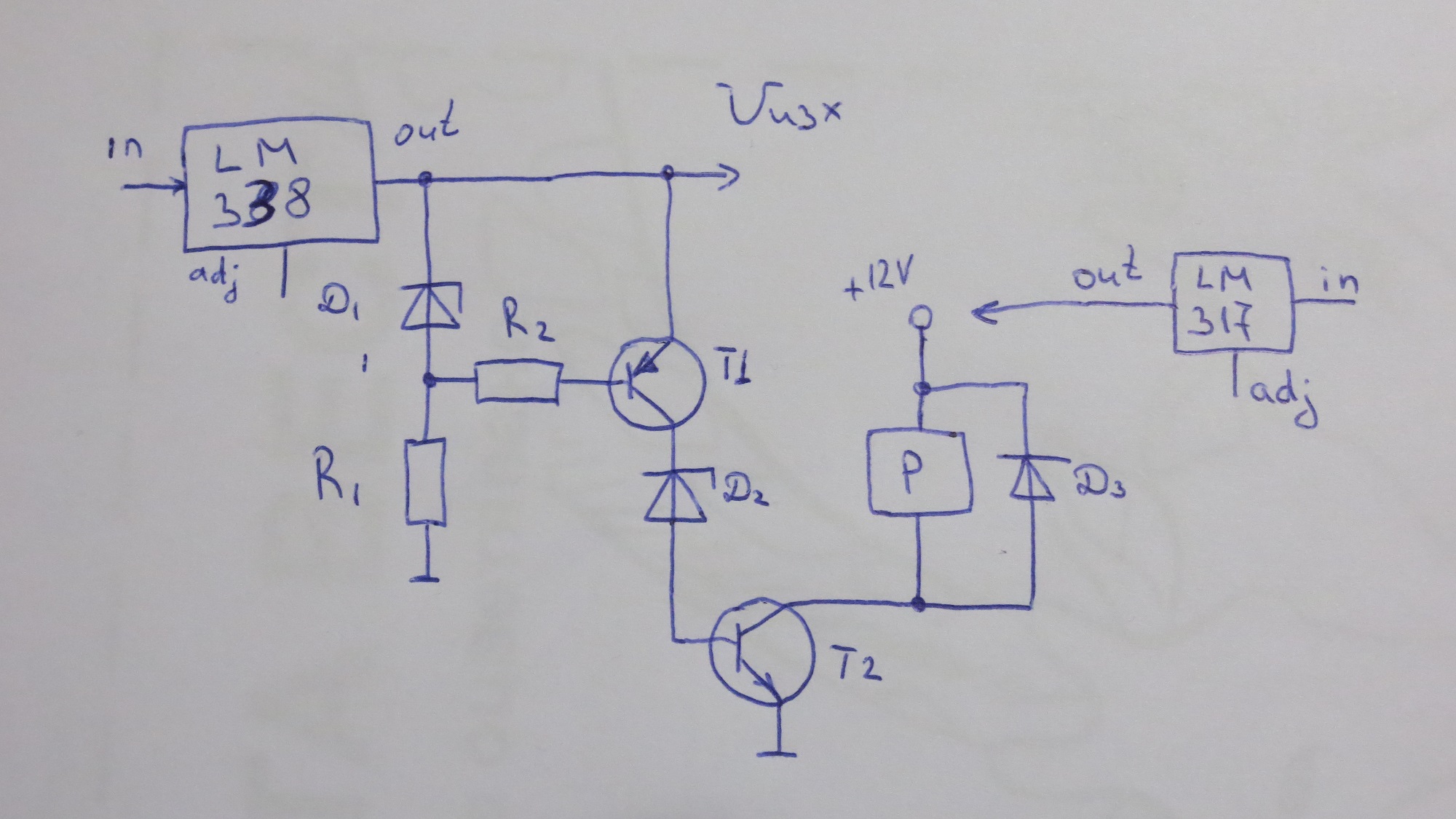
ivan_v - специалист
Тази схема би трябвало да работи.
За захранване на релето е нужен отделен източник на 12V. Например от допълнителна LM317.
Изчисляването на елементите започва с измерване на тока на оперативната намотка на релето. Прави се с регулируемо захранване и ампермер. Започваш плавно да увеличаваш напрежението и измерваш последната стойност на тока преди сработване. Да предположим ,че токът е 0,2A.
Това е колекторния ток на T2. Измерваш β на транзистора ( например 80 ) , което означава ,че базовия ток трябва да е 2,5mA. Този ток е колекторен за Т1 и по същата логика изчисляваме неговия базов ток. При β=100 например базовия ток на Т1 ще е 25µA. Ценеровия диод D1 е добре да бъде около 5V , което означава,че R2 трябва да осигури този ток. Съпротивлението му ще бъде 4,6V/25µA=184 KΩ. На практика е добре да бъде на половина , за да е сигурно, че транзисторите ще са наситени. 100КΩ трябва да е добре.R1 също може да е толкова. D1 уточнихме,че е 5V, a D2 13-14V( от него зависи напрежението на включване +0,6V за транзистора).

Прикачен файл

IMG_7361.JPG
jordanvass - майстор
За да включва и изключва стабилно релето трябва да осигуриш схемно някакъв хистерезис. Това се прави обикновено с тригер на Шмит. Два транзистора стигат. Ако го нямаш, когато наближи прагът релето да включи, започва едно треперене на котвата му и то се чуди да включва ли, да не включва ли, докато прагът премине достатъчно, за да включи стабилно. Затова токът през намотката му трябва да се увеличава със скок, а не плавно.
todortv - майстор
jordanvass написа:
За да включва и изключва стабилно релето трябва да осигуриш схемно някакъв хистерезис. ....
+1 =D>
ivan_v - специалист
jordanvass написа:
За да включва и изключва стабилно релето трябва да осигуриш схемно някакъв хистерезис. Това се прави обикновено с тригер на Шмит. Два транзистора стигат. Ако го нямаш, когато наближи прагът релето да включи, започва едно треперене на котвата му и то се чуди да включва ли, да не включва ли, докато прагът премине достатъчно, за да включи стабилно. Затова токът през намотката му трябва да се увеличава със скок, а не плавно.
Постояннотоковото реле има следния принцип на работа:
Токът протичащ през намотката създава магнитно поле. Това поле придърпва котвата към сърцевината, като е налична въздушна междина,която силно влияе на силата на придърпване.
Приемаме,че разглеждаме 12V реле и напрежението на оперативната намотка нараства с много малка скорост. Да приемем,че при 10V магнитното поле създава достатъчна сила,че да започне придърпване на котвата. Тя тръгва, въздушната междина намалява, оттам и силата на придърпване нараства( в следствие на намаляващата въздушна междина, без да е нужно увеличаване на напрежението). Коя сила ще я накара да трепери?- освен ако напрежението не се срине рязко, да кажем до 6-7V, колкото е напрежението на отпускане. Релето винаги включва или изключва стабилно. Споменатия хистерезис е следствие от това,че на релето му е нужно, да кажем 10V за да сработи и само 7V за да поддържа котвата затворена( и това пак защото в единия случай има, а в другия няма въздушна междина).
Ако може клипче на реле с "трепереща" котва.
jordanvass - майстор
ivan_v написа:
Коя сила ще я накара да трепери?
Пружинната сила на огъващите се контактни пера. А в някои релета и допълнителна спирална пружина за връщане на котвата.
Вземи едно обикновено реле (но не поляризовано!) и натискай с пръст котвата. Ще усетиш, че колкото повече котвата се навежда, толкова по-голяма става съпротивителната сила на контактната система. Не се наемам да споря коя от двете сили нараства по-бързо - дали електромагнитната вследствие на намаляване на междината или пружинната сила на перата, особено ако контактите са няколко. Така или иначе има в някаква степен баланс на две противоположни сили и релето в един момент застава "на кантар". Може да не е при всички релета, но се случва често. Освен това имай предвид следното: ти не захранваш релето с изгладено и филтрирано напрежение, а го управляваш с постояннотоков усилвател с висок коефициент на усилване. При това положение усилваш и всички шумове, пулсации, колебания в следеното напрежение и т.н. Напрежението върху релето в момента на включване въобще не е гладко и стабилно, както ако го захранваш от стабилизатор. Има хиляди причини, които го разколебават. Затова се предвижда хистерезис.

EDIT: Понеже темата е за лабораторни стабилизатори, ще кача фабричната схема на един легендарен български стабилизатор ТЕС 18 - 50V/3A. Изключително стабилна и дуракоустойчива машина, подходяща за експерименти. Ползвам го над 25 години и не е мръднал.
В него има такава схема за промяна на входното напрежение, само дето релето управлява гейтовете на тиристори. Забележи как с операционния усилвател ИС1 е реализиран въпросният Шмит тригер - чрез въвеждане на положителна обратна връзка с R17 по вход 3 на ОУ. Така релето включва на 30 и изключва на 27 волта изходно напрежение много стабилно. Хем в случая е използвано РИД реле, което е изключително пъргаво и принципно не се нуждае много-много от хистерезис за включване.
Прикачен файл:
ТЕС 18_50.3.jpg
shadow__01 - майстор
Изчетох постовете ви внимателно и се надявам заедно да измислим някаква работеща схема. Днес завърших регулаторът и сработи(той и преди си работеше).
Ще правя така наречения "тригер на Шмит". Мисля да го направя с операционен усилвател или евентуално с транзистори. Схемата ще се захранва от стабилизирано напрежение 12V.
Трябва да е нещо такова https://www.google.bg/search?q=schmitt+ ... HXFJz6M%3A
Според този калкулатор http://pcbheaven.com/drcalculus/index.php?calc=st_sym при стойности 100K и 20K на изхода ще има 10V.
Начертах това като предположение. Надявам се ако е грешно да ме коригирате.
Прикачен файл:
Тригер.jpg
thebugger - специалист
Братле много си усложняваш живота с тези релета и хистерезиси. Схемата ще ти стане огромна и много сложна, пълна със всякакви обратни връзки. Аз ти препоръчвам LM317 и LM117, те имат токоограничение до 1А и според спецификациите ти, дори в най лошия случай, няма да отделят повече от 18W всяка. При максимална консумация 18W, няма смисъл от превключване на намотките, просто за такава мощност не си заслужава. Другия вариант е намираш си някаква ИС на ОУ, примерно uA741 и прикачаш един два външни транзистора, и слагаш едно токоограничение на изхода и това е. Дискретно ще ти излезе много трудна схема, ако се занимаваш. Последният вариант за който се сещам е един бък конвертор. Има две интегралки (LM2576 и LM1576) дето със шепа външни елементи ти предоставят добро регулируемо стабилизиране със максимален ток 3А и КПД от 88%. Щом казваш че ти трябва до 18V, значи в най лошия случай ще разсейваш 7W, ще се разминеш с едно малко пасивно охлаждане.
  • 1
  • 2
  • 3
  • 4
  • 5
  • 7

Тема "Питане за регулируем стабилизиран токоизправител" | Включи се в дискусията:


Сподели форума:

Бъди информиран. Следвай "Направи сам" във Facebook:

Намери изпълнител и вдъхновения за дома. Следвай MaistorPlus във Facebook: