• 1
  • 2
  • 3
  • 4
  • 5
  • 7
От мобилни телефони до цифрови камери
hrpankov - специалист
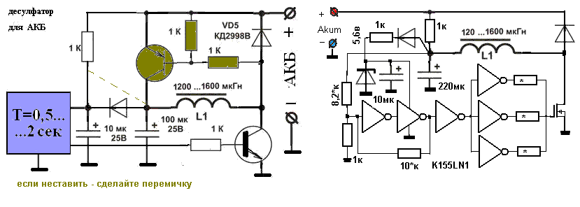
....то това си е мое мнение....този 470нФ ми изглежда бая множичко ама практиката ще покаже...

Прикачен файл

untitleddesulfatorbg.GIF
untitleddesulfatorbg.GIF (20.89 KиБ) Видяна 3440 пъти
jojovr - специалист
^ Не ми харесва предложението ти колега.
След доста ровене и четене по форумите (чуждестранни и наши) стигнах до следното решение.
1. Замяна на съпротивлението 150 Ohm в гейта на MOSFET транзистора с мостче.
2. Къси и дебели кабели към акумулатора. Особено този на плюса (+)! 4мм2 е О.К.
Прикачен файл:
blog3.jpg
blog3.jpg (20.52 KиБ) Видяна 3404 пъти
На дрейна на MOSFET-а измерих ефективна стойност на напрежението 39V, a осцилоскопа показа Vp-p около 76V на размаха на импулса.
Импулсите станаха с пик 22V над напрежението на акумулатора, измерени на клемите му! :rock:
Сега започва същинското чистене на сулфата от плочите на акумулатора.
Ще пиша за крайния резултат след време...
ivanovbg - майстор
Само внимавай като почистиш сулфата да не опадне и оловото :lol:
Успех! :partyman:
jojovr - специалист
:-D Няма, няма. Не се безпокой. :-D :prost:
pansim - майстор
Резистора който си заменил с мостче, веднага го върни обратно с по-малка стойност.
Например 10 Ома.
Това е правилното решение.
jojovr - специалист
О.К., но какъв му е смисълът на този резистор? Дай малко разяснение, моля!
Ето една схема, която намерих в нет-а и там е без него:
http://www.instructables.com/file/FM9LKS4FQMXF8JA
Пак го има, но не е свързано последователно да диода D3.
pansim - майстор
Имаш осцилоскоп - постави 1 Ом резистор и закачи паралелно на него сондите на осцила...виж какъв пиков ток минава. Може да повредиш драйверния транзистор /BC837/
Има още - прекомерната скорост на нарастване е лоша...в доста случай. Този резистор пази и от възникване на колебателен процес т.е. внася загуби в евентуално получаващ се трептящ кръг.
С една дума - задължителен е!
jojovr - специалист
О.К. Благодаря!
Ще сложа 10 Ohm.
Макар, че схемата работи с мостче вече почти едно денонощие...
А как е по-добре? 100 Ohm паралелно на диода D3 заедно с кондензатор, или само 10 Ohm последователно на D3?
pansim - майстор
Поставяш само 10 Ом. на мястото на мостчето. Никакви кондензатори не са ти необходими в конкретния случай.
hrpankov - специалист
...първо: аз бях поставил 50 ома, ама нейсе...
...второ: по повод това:
http://www.instructables.com/file/FM9LKS4FQMXF8JA
ми е много интересно как тока от бобината шъ флей у батерийта?
...трето: ей ти вде идейки, ползвай наздраве...

Прикачен файл

desulf258.GIF
desulf258.GIF (16.22 KиБ) Видяна 3273 пъти
  • 1
  • 2
  • 3
  • 4
  • 5
  • 7

Тема "Десулфатизатор за акумулатор" | Включи се в дискусията:


Сподели форума:

Бъди информиран. Следвай "Направи сам" във Facebook:

Намери изпълнител и вдъхновения за дома. Следвай MaistorPlus във Facebook: