От мобилни телефони до цифрови камери
prasse - специалист
А какво е свързването при Автора?
iliya_i - майстор
вт ное 25, 2025 12:18 pmprasse написа:
вт ное 25, 2025 6:20 amBaлepu написа:
Прасе, направи си труда да направиш постановка, да измериш на практика и пак заповядай да коментираме резултатите.
Ето, съгласно твоята постановка. При липса на фаза 3, какво ще покаже волтметър 3?
И не забравяй, че докато мериш моторът бучи!
Ще покаже индуктираното в намотката на фаза 3 напрежение. Т.е. някъде около 230V.

За това само електрически неграмотните мерят само с волтметър и му вярват.

За протичане на ток са необходими 2 условия:
1) Потенциална разлика (напрежение).
2) Верига през която да протече тока.

Всички с волтметри спират на първото и забравят за второто.
Последна промяна от iliya_i на вт ное 25, 2025 2:11 pm, променено общо 1 път.
prasse - специалист
вт ное 25, 2025 1:29 pmBaлepu написа:
Прасе, показваш частен случай "звезда". Дори и на "звезда" звездния център рядко се свързва с нулата. За такава проверка на теб ти стига "фазомер". Трябва да си чувал, че професионалистите не вярват на този уред.
В случая си прав за звездния център!
prasse - специалист
вт ное 25, 2025 2:03 pmiliya_i написа:
Ще покаже индуктираното в намотката на фаза 3 напрежение. Т.е. някъде около 230V
И какъв, според теб е балансът на токовете в свързаните две намотки, посоките им, резултатното магнитно поле, съотношение на брой навивки, геометричното разположение и т.н. че да измериш индуктирано 230V на свободната намотка?? В двата случая - без работна нула и със...
С волтметъря... :-D
iliya_i - майстор
вт ное 25, 2025 4:22 pmprasse написа:
вт ное 25, 2025 2:03 pmiliya_i написа:
Ще покаже индуктираното в намотката на фаза 3 напрежение. Т.е. някъде около 230V
И какъв, според теб е балансът на токовете в свързаните две намотки, посоките им, резултатното магнитно поле, съотношение на брой навивки, геометричното разположение и т.н. че да измериш индуктирано 230V на свободната намотка?? В двата случая - без работна нула и със...
С волтметъря... :-D
Първо си формулирай въпроса без противоречия.
Отчиташ ли, че мериш ефективни стойности и намотките са дефазирани?
Изображение
А също и че електродвигател със застопорена ос е всъщност.... трансформатрор.
prasse - специалист
вт ное 25, 2025 4:35 pmiliya_i написа:
Отчиташ ли, че мериш ефективни стойности и намотките са дефазирани?
А също и че електродвигател със застопорена ос е всъщност.... трансформатрор.
Естествено, че са дефазирани. Нали в това е целият смисъл на трифазната система? Затова те питам какъв е балансът на токовете в този случай на авария? Няма такъв. Затова не се получава ВМП (въртящо магнитно поле) и моторът бучи.
Чисто матеметически, не очаквай да измериш повече от 115V индуктирано напрежение на свободната намотка (и то в частния случай със свързана работна нула). Реално, още по-малко...
iliya_i - майстор
вт ное 25, 2025 5:13 pmprasse написа:
вт ное 25, 2025 4:35 pmiliya_i написа:
Отчиташ ли, че мериш ефективни стойности и намотките са дефазирани?
А също и че електродвигател със застопорена ос е всъщност.... трансформатрор.
Естествено, че са дефазирани. Нали в това е целият смисъл на трифазната система? Затова те питам какъв е балансът на токовете в този случай на авария? Няма такъв. Затова не се получава ВМП (въртящо магнитно поле) и моторът бучи.
Чисто матеметически, не очаквай да измериш повече от 115V индуктирано напрежение на свободната намотка (и то в частния случай със свързана работна нула). Реално, още по-малко...
При еднакви намотки коефициента на трансформация е 1 (ако пренебрегнем загубите). От къде го измисли това 0.5, като загубите не са повече от 10%?

При свързан звезден център ще измеря 230 V -10%.
При несвързан звезден център ще измеря 400 V * 0.866 -10%.
Където 0.866 е синус от 120 градуса.
Baлepu - специалист
вт ное 25, 2025 6:30 pmiliya_i написа:
При несвързан звезден център ще измеря 400 V * 0.866 -10%.
Където 0.866 е синус от 120 градуса.
Би ли драснал схема с този "несвързан звезден център" и в кои точки напрежението ще бъде 312V?
Какви ще бъдат напреженията на клемореда в кутията спрямо неутралата от мрежата ако двигателят е свързан в Δ и липсва една захранваща фаза?
prasse - специалист
Да, не е лошо да се покаже схематично.
Понеже, лично съм от групата на:
вт ное 25, 2025 2:03 pmiliya_i написа:
...електрически неграмотните...
ще ми бъде много интересно да видя обясненията.
iliya_i - майстор
вт ное 25, 2025 8:38 pmBaлepu написа:
вт ное 25, 2025 6:30 pmiliya_i написа:
При несвързан звезден център ще измеря 400 V * 0.866 -10%.
Където 0.866 е синус от 120 градуса.
Би ли драснал схема с този "несвързан звезден център" и в кои точки напрежението ще бъде 312V?
Това написах преди няколко часа:
А също и че електродвигател със застопорена ос е всъщност.... трансформатрор.
Сега спри да смяташ делители на напрежение и почни да смяташ трансформатора.
Прикачен файл:
ел мотор.png
ел мотор.png (9.02 KиБ) Видяна 1688 пъти
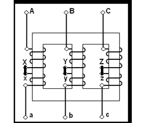
А запита ли се, този мАтор дали е в триъгълник или в звезда свързан?
Сега захрани две произволни от намотките, по която схема ти хареса и смятай какво ще получиш в третата.
На половина е само ако ги захраниш от една и съща фаза и нула. Във всички случаи при захранване с две фази е повече.

Тема "Ярмомелка Пускател" | Включи се в дискусията:


Сподели форума:

Бъди информиран. Следвай "Направи сам" във Facebook:

Намери изпълнител и вдъхновения за дома. Следвай MaistorPlus във Facebook: