• 1
  • 2
От мобилни телефони до цифрови камери
zdravcho - специалист
Здравейте,

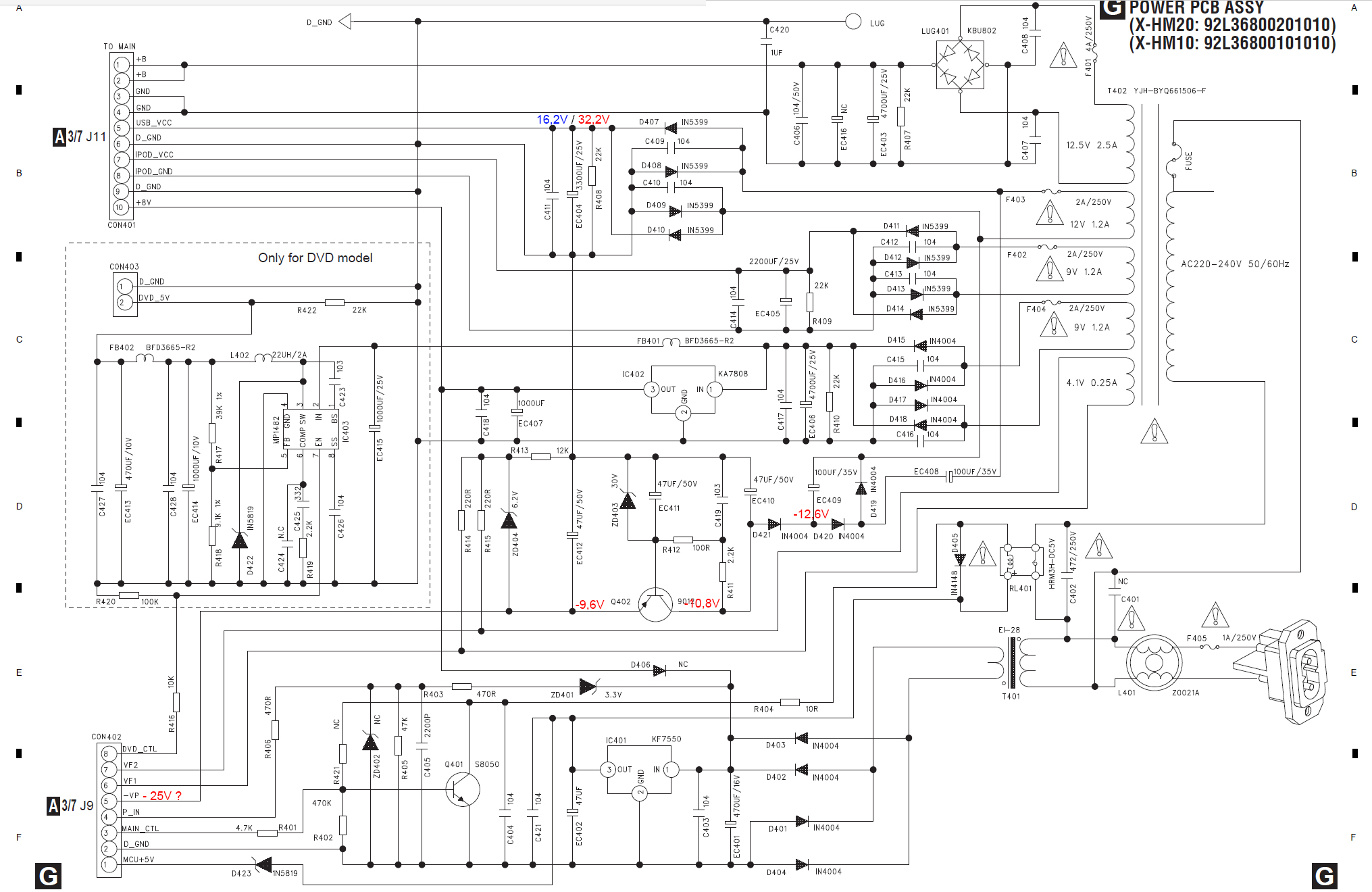
Проблема е с "музиката" на децата - едно малко Пионеер-че. Иизгаснал му дисплея според лапетата. Ама не е изгаснал, ами свети съвсем слабо - едвам се вижда в тъмното. Изрових му схемата. Лошото е, че другарите пионери на са написали тук-там контролни напрежения. След като прочетох тук там и разгледах и други налични схеми стигам до извода, че -VP (pin5/J9) трябва да е около -25V спрямо "маса", а е само около -9V. Преди и след Q402 са -10,8V и -9,6V. А си мисля, че преди Q402 трябва да е малко над -30V? Малките електролитни кондензатори (без 4700 и 3300uF) са близо около трафа и имаше 1-2 надути. Смених ги всички. Освен, че проблема не изчезна, едно напрежение което беше около 16V (в синьо) се удвои и стана 32V. Прегледах изправителните диоди - всички бяха в норма. Приемам съвети какво се е объркало, че нещо и аз се обърках.
Прикачен файл:
Power.jpg
petromaniq66 - специалист
Премери променливите и ги умножи по 1,41. Толкова трябва да са и преди регулаторите(филтърните кондензатори).
DMN - майстор
zdravcho написа:
Освен, че проблема не изчезна, едно напрежение което беше около 16V (в синьо) се удвои и стана 32V.
Гледам я схемата и се чудя как може да стане това :? .
За напрежението на кондензатора ЕС 404 ли говориш - там ли се е променило от 16 на 32V?
Колко е променливото напрежение на тази вторична намотка на трафа Т402? Дават я 12V 1.2А. Колко е напрежението там?
plamen6703 - майстор
чет дек 06, 2018 9:47 pmzdravcho написа:
Освен, че проблема не изчезна, едно напрежение което беше около 16V (в синьо) се удвои и стана 32V. Прегледах изправителните диоди - всички бяха в норма. Приемам съвети какво се е объркало, че нещо и аз се обърках.
Съвета ми е да тръгнеш по обратния ред, да почистиш спойките на кондензаторите, които си сменил и като се вгледаш добре, ще видиш /може и да не видиш/, че си "провлякъл" с поялника и си окъсил "писти" около кондензатора във въпросната верига :wink:
Ако не си ги окъсил и кажеш, че всичко е ОК, значи извънземните имат пръст в "дефекта", който сам си създал.
На схемата са дали абсолютно всичко, което е необходимо на човек, който разбира от електроника да се справи с ремонта на въпросната "аудио система"!
Желая ти успехи! :partyman:
С 2 леви - специалист
Това е заради олигофренската част с транзисторния стабилизатор на отрицателно напрежение спрямо маса от същата намотка. (Q402) Виж дали не е пробил диод или транзистор, ценер или квото там.
zdravcho - специалист
пет дек 07, 2018 4:22 pmplamen6703 написа:
чет дек 06, 2018 9:47 pmzdravcho написа:
Освен, че проблема не изчезна, едно напрежение което беше около 16V (в синьо) се удвои и стана 32V. Прегледах изправителните диоди - всички бяха в норма. Приемам съвети какво се е объркало, че нещо и аз се обърках.
Съвета ми е да тръгнеш по обратния ред, да почистиш спойките на кондензаторите, които си сменил и като се вгледаш добре, ще видиш /може и да не видиш/, че си "провлякъл" с поялника и си окъсил "писти" около кондензатора във въпросната верига :wink:
Ако не си ги окъсил и кажеш, че всичко е ОК, значи извънземните имат пръст в "дефекта", който сам си създал.
На схемата са дали абсолютно всичко, което е необходимо на човек, който разбира от електроника да се справи с ремонта на въпросната "аудио система"!
Желая ти успехи! :partyman:
Преглеждам ги по няколко пъти колега, след интервенции. Човката на поялника я провлачвам нагоре по крачето на запоявания елемент, отделям и като изстине подрязвам, ако има нужда. А понякога даже избърсвам и остатъците от флюс. С поялник си играя от 6-7 годишен. :wink:
Дейба тез извън земни, баш с мен ли намериха бъзик да си правят. :-D

Напрежението на въпросната вторична намотка е 13,3V. Всички вторични напрежения са с 0,5-1V повече.
Почвам да се чудя, дали някой диод при мерене с мултицета не се държи нормално и да показва здрав преход, а при работа да не бива.
preslav - майстор
От схеми не разбирам, но понякога се хващам да чопля такива проблеми - последния път беше с неработещо Хитачи. Бях се отказал вече, но случайно бутнах един от превключвателите на режимите, май беше селектора за избор на касетофон и радио - радиото пропя. Подобни селектори има и за 110-220 V.
Може и да не се окажа прав, но не ти пречи да профилактираш всичко що превключва.
Сега се сетих, на Хитачито имаше селектор за работа на батерии и ток - той беше сдал багажа и просто го елиминирах.
iliya_i - майстор
Ако единият от D408 или D409 в този грец прекъсне, тази схема ще заработи като кондензаторен умножител на напрежение :?

Напрежението на празен ход ли го мериш (при изключена букса J11)?
plamen6703 - майстор
пет дек 07, 2018 11:51 pmzdravcho написа:
пет дек 07, 2018 4:22 pmplamen6703 написа:
чет дек 06, 2018 9:47 pmzdravcho написа:
Освен, че проблема не изчезна, едно напрежение което беше около 16V (в синьо) се удвои и стана 32V. Прегледах изправителните диоди - всички бяха в норма. Приемам съвети какво се е объркало, че нещо и аз се обърках.
Съвета ми е да тръгнеш по обратния ред, да почистиш спойките на кондензаторите, които си сменил и като се вгледаш добре, ще видиш /може и да не видиш/, че си "провлякъл" с поялника и си окъсил "писти" около кондензатора във въпросната верига :wink:
Ако не си ги окъсил и кажеш, че всичко е ОК, значи извънземните имат пръст в "дефекта", който сам си създал.
На схемата са дали абсолютно всичко, което е необходимо на човек, който разбира от електроника да се справи с ремонта на въпросната "аудио система"!
Желая ти успехи! :partyman:
Преглеждам ги по няколко пъти колега, след интервенции. Човката на поялника я провлачвам нагоре по крачето на запоявания елемент, отделям и като изстине подрязвам, ако има нужда. А понякога даже избърсвам и остатъците от флюс. С поялник си играя от 6-7 годишен. :wink:
Дейба тез извън земни, баш с мен ли намериха бъзик да си правят. :-D

Напрежението на въпросната вторична намотка е 13,3V. Всички вторични напрежения са с 0,5-1V повече.
Почвам да се чудя, дали някой диод при мерене с мултицета не се държи нормално и да показва здрав преход, а при работа да не бива.
Здравче, няма застраховани от грешки в тая работа :) това с поялника е част от автоголовете, които всеки може да си вкара при разсейване и невнимание.
Огледай, разкачи и измери "омовите" съпротивления /стойности в омове/ във веригата, случва се да прекъсват.
Това диод да го мериш с уреда изправен и да ти прави проблем под напрежение е възможно, но е много малко вероятно :wink:
На сляпо съвети трудно се дават, всеки си има метод на работа, съсредоточи се, помисли с разкачаване на вериги и измерване може ли да си помогнеш... трябва да откриеш дефекта, все пак е една нищо и никаква уредба :)
DMN - майстор
Според мен напрежението, което си отбелязал -12.6V трябва да е двойно по-високо, измерено спрямо масата :? , защото доколкото мога да се ориентирам е след удвоител на напрежение - EC408, EC409, D419, D420 - там проверявал ли си диодите и кондензаторите?
Не знам дали съм прав в съвета си, но нали питаш за съвети :) .
Виж какво ти е казал и С 2 леви, провери транзистора и ценерите там, а и другите елементи в този стабилизатор.
  • 1
  • 2

Тема "Проблем със захранването на аудио система" | Включи се в дискусията:


Сподели форума:

Бъди информиран. Следвай "Направи сам" във Facebook:

Намери изпълнител и вдъхновения за дома. Следвай MaistorPlus във Facebook: