Здравейте! Търся схема на автоматичното зарядно за акумулатори на Лидъл ULGD 3,8 A1. Ако на някой му е попадала. Аз поне не намерих на първо четене. Да обясня какво се случва: 
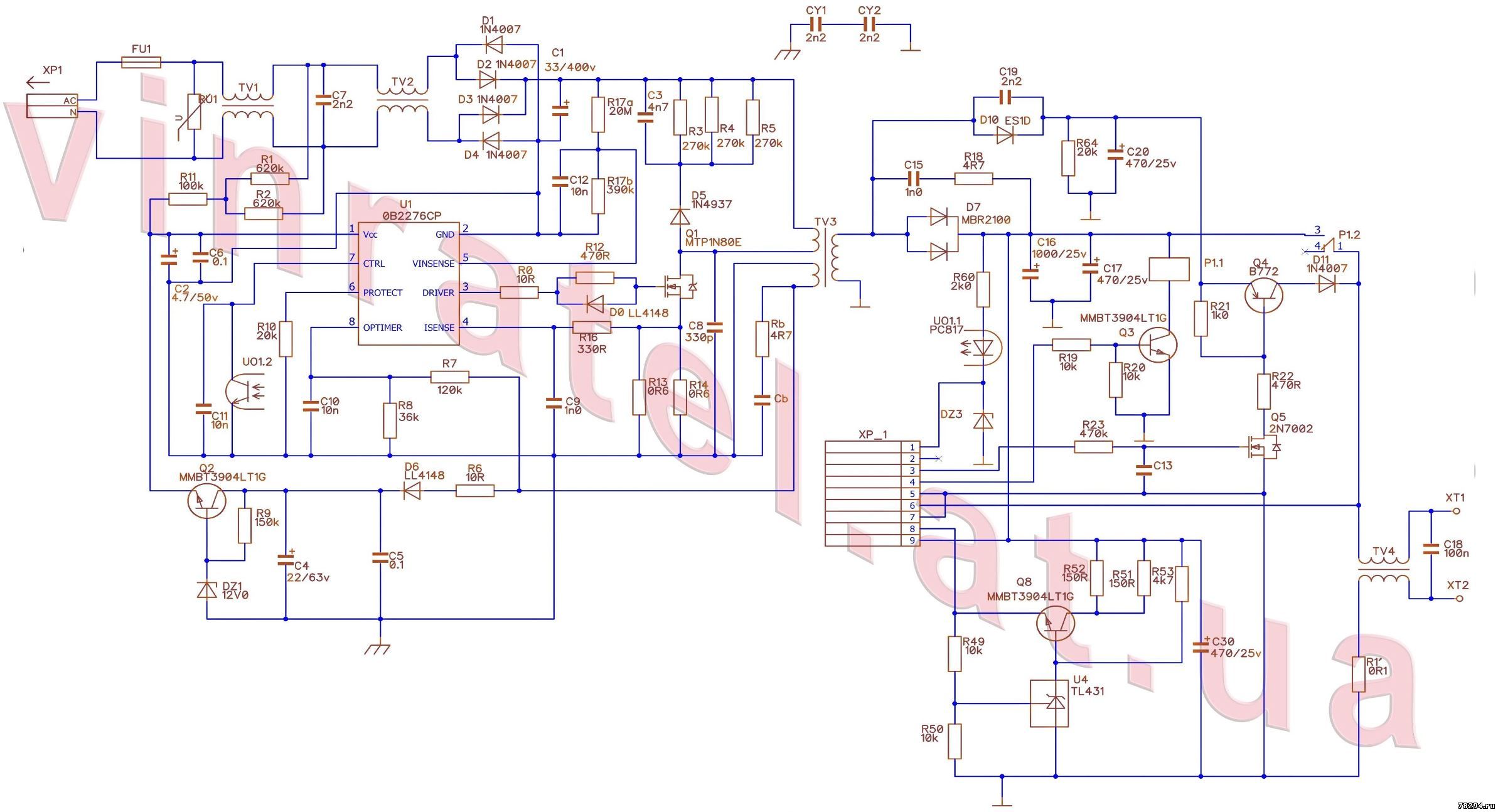
До миналата година беше перфектно. Единствен недостатък беше факта, че след токов удар не възстановява заряда. При нас това е ежедневно от 8-10 до 50 пъти. Беше ми писнало да сверявам часовника на печката и да тичам до колата да пускам зарядното. Миналата година даде фира. Започна само да мига дисплея с всичките си функции. На операционната се оказаха надути кондензатори. Всички електролити до един. Подмених ги и тръгна до миналата седмица. Отворих го и без изненада открих отново 3бр надути. След измерване още два заминаха в кофата. Уреда тръгна и след два дена работа спря отново. Този път празен дисплей и постоянно 14 волта на изхода. Направи ми впечатление след предния ремонт, че дисплея започна да преекспонира символите все едно захранването му е по-високо. Не активните символи също се виждаха на екрана, но по-слабо. Сега вече окончателно спря. Визуалния оглед на основната платка показа пробит корпус на Q8 smd SOT23 транзистор на който е останал надпис 17... и U4 същия корпус с останал надпис 43...
								
															
																															
																								
															До миналата година беше перфектно. Единствен недостатък беше факта, че след токов удар не възстановява заряда. При нас това е ежедневно от 8-10 до 50 пъти. Беше ми писнало да сверявам часовника на печката и да тичам до колата да пускам зарядното. Миналата година даде фира. Започна само да мига дисплея с всичките си функции. На операционната се оказаха надути кондензатори. Всички електролити до един. Подмених ги и тръгна до миналата седмица. Отворих го и без изненада открих отново 3бр надути. След измерване още два заминаха в кофата. Уреда тръгна и след два дена работа спря отново. Този път празен дисплей и постоянно 14 волта на изхода. Направи ми впечатление след предния ремонт, че дисплея започна да преекспонира символите все едно захранването му е по-високо. Не активните символи също се виждаха на екрана, но по-слабо. Сега вече окончателно спря. Визуалния оглед на основната платка показа пробит корпус на Q8 smd SOT23 транзистор на който е останал надпис 17... и U4 същия корпус с останал надпис 43...
