Здравейте!
Най-после парцелът е закупен и къщата е на етап "пред входиране на документацията на експертен съвет"
.
Пътят и входът са на север - 5.50м отстояние. Предвиждам козирка от северната фасада до оградата - за колите. Изток и запад - 3 метра отстояние. Юг - веранда и двор.
Ще се радвам на всякакви съвети и предложения, а ето и няколко конкретни въпроса:
1. За фасадата все още се чудя - мислех за Porotherm 38см без изолация, но май клоня към четворки с каменна вата (12см) и сайдинг. Строителната бригада е читава - имат към 15-ина къщи, а и баш майсторът ми е приятел и се надявам да не се изложат със зидарията.
А и по-трудно им било с поротерма - тежки били много... Смятам без външна мазилка - направо каменна вата и сайдинг после. Отвътре все още се чудя дали да гипсокартонирам?
2. Вторият етаж няма да е постоянно обитаем - главно гости-приятели през лятото. Къде да сложа изолацията на плочата между първия и втория етаж - над плочата ли? Каква и колко?
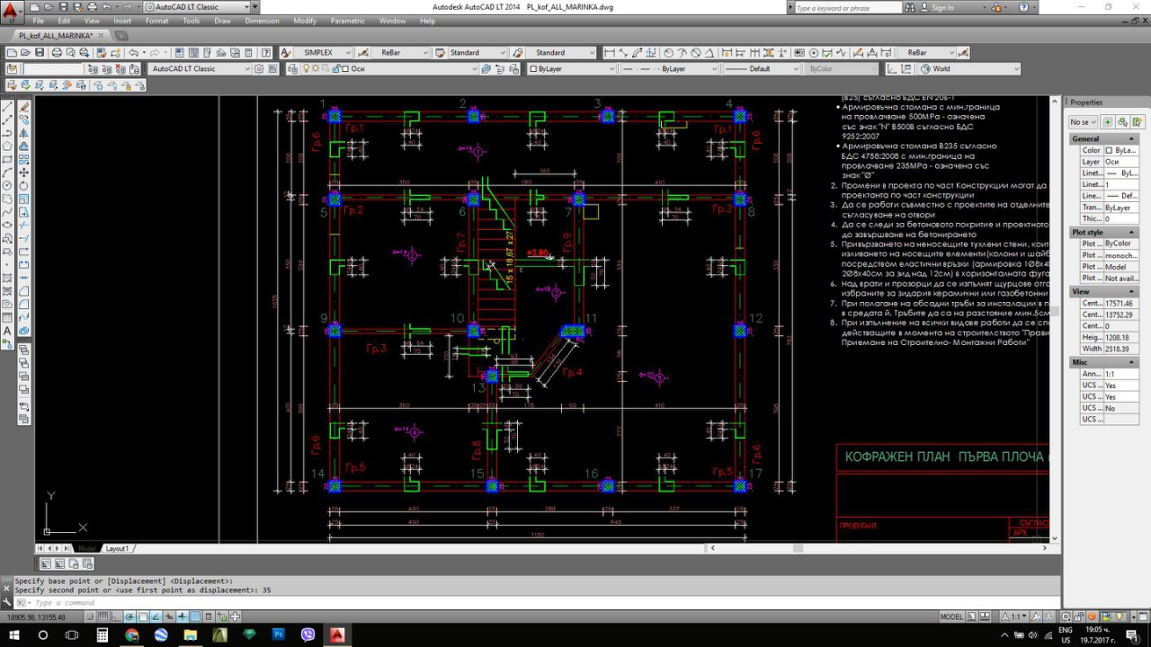
3. Така се случи, че майсторът все още не е запознат с конструктивния план.
Някакви мнения могат ли да се дадат от приложените конструктивни схеми?
4. Удачно ли ще е да "обкантя" всички отвори за дограмата в зида с полистиролбетонови блокчета (Tivit) за да избегна термомостовете? Какво да сложа отгоре между дограмата и стоманобетонната греда? Предполагам, че ако поставя профила в максимално външната част на зида (или на планки в равнината на изолацията) ще е от полза?
5. Въобще не съм наясно как се прави под на къщата - след обратния насип се бие плоча ли? Там какъв вариант бихте избрали за изолация - удачно ли е хидроизолация върху насипа, после XPS/EPS и после плочата + замазка и паркет? Колко дебела да е изолацията? Над плочата да слагам ли изолация? Над насипа да сложа ли чакъл?
6. Да слагам ли прозорец на втория етаж, на северната стена, срещу вътрешната стълба? Ще осигури естествена светлина за стълбата и евентуално естествена конвекция за охлаждане лятото (течение от първия към втория етаж при отворени прозорци), но пък ще е единствения северен прозорец...
7. Чудя се дали да слагам втори прозорец на източната фасада - предвиждам мултимедиен кът и едва ли много ще се ползва естествена светлина там, но пък дневната е дълбока към 7.5м и се притеснявам да не стане много тъмно? А и там предвиждам външен простор...
8. Дали ще е възможно/удачно изграждането на въздуховод от камината през коридора до спалнята. Камината ще е на дърва и основното отопление ще е климатици.
9. Да пускам ли комин между кухнята и детската?
10. ВиК тръбите през къщата ли да минават или да ги изведа отвън?
11. Кухненския прозорец съм го предвидил с горна височина 1.80 и над него шкафове? Много по-светло ли ще е ако го вдигна до гредата?
12. Къде бихте поставили климатиците в различните стаи?
13. Къде да сложа телевизора в трапезарията
?
Къщата ще се строи до Бургас, така че, ако някой иска да осъществи последващ контрол върху реализацията на предложенията си, да заповяда!
Най-после парцелът е закупен и къщата е на етап "пред входиране на документацията на експертен съвет"
Пътят и входът са на север - 5.50м отстояние. Предвиждам козирка от северната фасада до оградата - за колите. Изток и запад - 3 метра отстояние. Юг - веранда и двор.
Ще се радвам на всякакви съвети и предложения, а ето и няколко конкретни въпроса:
1. За фасадата все още се чудя - мислех за Porotherm 38см без изолация, но май клоня към четворки с каменна вата (12см) и сайдинг. Строителната бригада е читава - имат към 15-ина къщи, а и баш майсторът ми е приятел и се надявам да не се изложат със зидарията.
2. Вторият етаж няма да е постоянно обитаем - главно гости-приятели през лятото. Къде да сложа изолацията на плочата между първия и втория етаж - над плочата ли? Каква и колко?
3. Така се случи, че майсторът все още не е запознат с конструктивния план.
4. Удачно ли ще е да "обкантя" всички отвори за дограмата в зида с полистиролбетонови блокчета (Tivit) за да избегна термомостовете? Какво да сложа отгоре между дограмата и стоманобетонната греда? Предполагам, че ако поставя профила в максимално външната част на зида (или на планки в равнината на изолацията) ще е от полза?
5. Въобще не съм наясно как се прави под на къщата - след обратния насип се бие плоча ли? Там какъв вариант бихте избрали за изолация - удачно ли е хидроизолация върху насипа, после XPS/EPS и после плочата + замазка и паркет? Колко дебела да е изолацията? Над плочата да слагам ли изолация? Над насипа да сложа ли чакъл?
6. Да слагам ли прозорец на втория етаж, на северната стена, срещу вътрешната стълба? Ще осигури естествена светлина за стълбата и евентуално естествена конвекция за охлаждане лятото (течение от първия към втория етаж при отворени прозорци), но пък ще е единствения северен прозорец...
7. Чудя се дали да слагам втори прозорец на източната фасада - предвиждам мултимедиен кът и едва ли много ще се ползва естествена светлина там, но пък дневната е дълбока към 7.5м и се притеснявам да не стане много тъмно? А и там предвиждам външен простор...
8. Дали ще е възможно/удачно изграждането на въздуховод от камината през коридора до спалнята. Камината ще е на дърва и основното отопление ще е климатици.
9. Да пускам ли комин между кухнята и детската?
10. ВиК тръбите през къщата ли да минават или да ги изведа отвън?
11. Кухненския прозорец съм го предвидил с горна височина 1.80 и над него шкафове? Много по-светло ли ще е ако го вдигна до гредата?
12. Къде бихте поставили климатиците в различните стаи?
13. Къде да сложа телевизора в трапезарията
Къщата ще се строи до Бургас, така че, ако някой иска да осъществи последващ контрол върху реализацията на предложенията си, да заповяда!
