Трябват ми рапидки с тъп връх, заоблена глава и следните размери:
Дължина: 28мм-30мм
Диаметър: 6мм
Прилагам няколко снимки за ориентация.
Shedule1.gif (11.6 KиБ) Видяна 4505 пъти
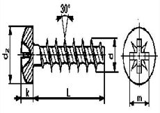
PT Screw (K60-28mm) Special Starbilizer Screws
L= 28 mm
d1=6.0 mm OD Root D=3,19
D2= 10.5 mm OD
K= 4.0 mm
Откъде мога да си купя или поръчам такива?
0899998598
Дължина: 28мм-30мм
Диаметър: 6мм
Прилагам няколко снимки за ориентация.
Прикачен файл:
Shedule1.gif (11.6 KиБ) Видяна 4505 пъти
L= 28 mm
d1=6.0 mm OD Root D=3,19
D2= 10.5 mm OD
K= 4.0 mm
Откъде мога да си купя или поръчам такива?
0899998598
Прикачен файл
screw_footstrap-01.jpg (5.82 KиБ) Видяна 4505 пъти
Прикачен файл
dd_rt_strapscrew.jpg (5.24 KиБ) Видяна 4505 пъти
