
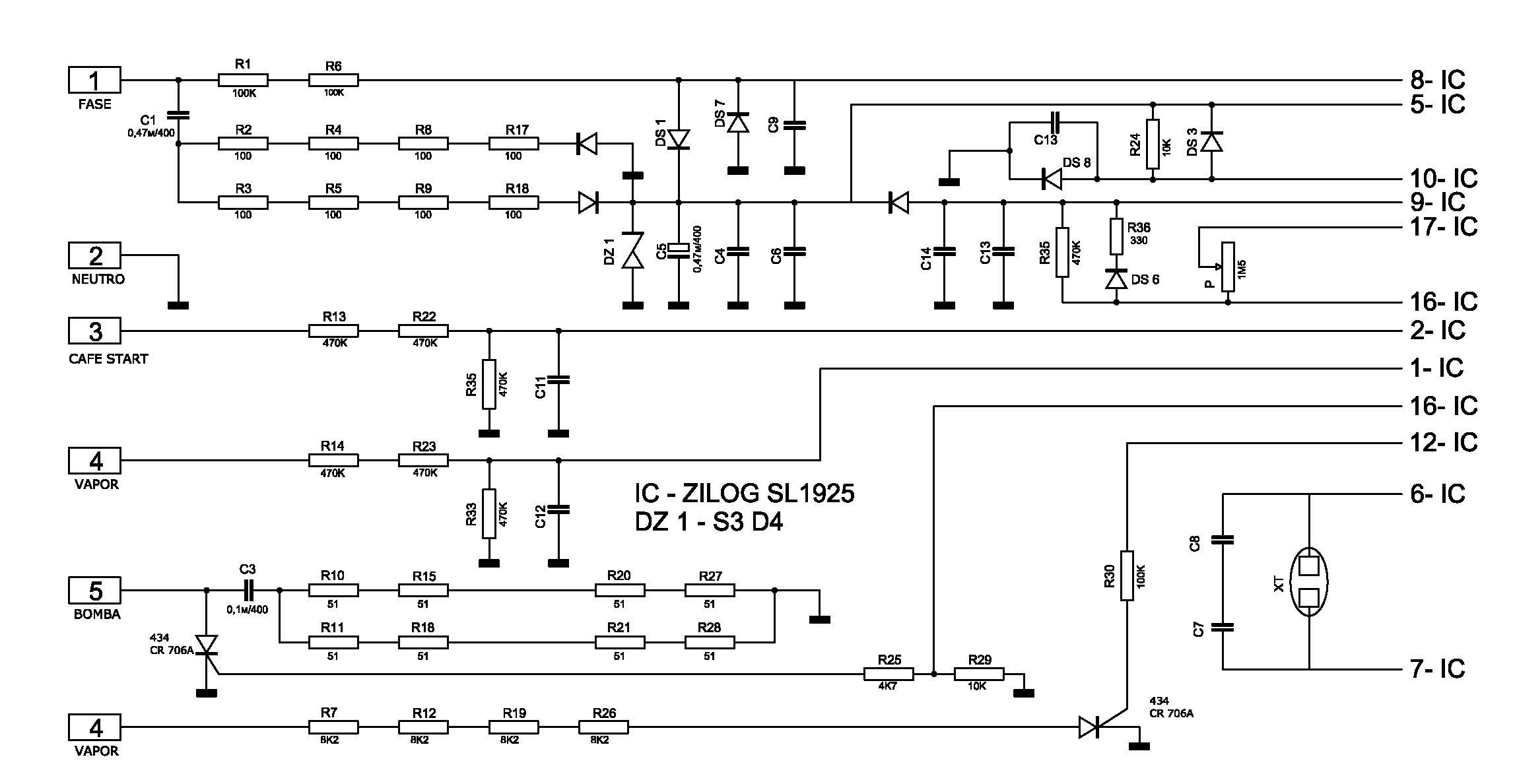
Спря да работи помпата. Разглобих я и меря съпротивление на помпата 2,14 мегаома
Обаче като и подадох директно напрежение помпата работи с ток 306 mA. Та явно причината е в управляващата платка, която свалих от машината. Ето и схема, която надрасках от плетеницата с жици.
Прикачен файл:
Схема BRIEL ES38A.jpg (82.13 KиБ) Видяна 5334 пъти