Всичко свързано с тоците ми е слабост, опитайте се да ме затрудните.
lyki - специалист
Здравейте колеги...

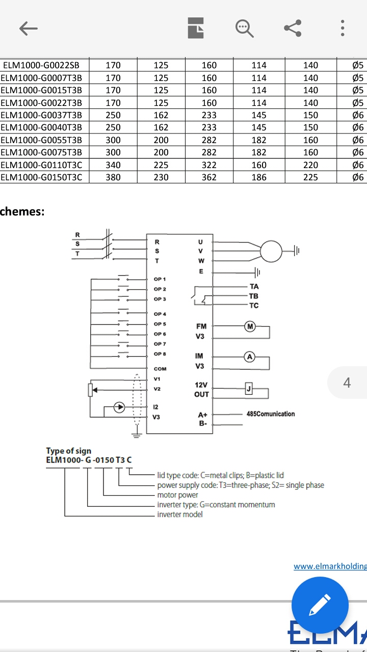
Срещам трудност при настройките и оборудването на един ЧЕСТОТЕН ИНВЕРТОР 1000-G0110T3C 11KW
24A 400V.Намерил съм аналоговите клеми за дистанционно управление на посоките с бутони.Искам да извдя и дистанционен потенциометър за регулиране на оборотите но не знам от кои аналогови клеми да го свържа.Не намирам pdf формат инструкция.Ако някой може да помогне ще съм благодарен.
valentino76bs - майстор
Пиши му номера и manual в гугъл и има пдф файл

Прикачен файл

Screenshot_20210821-232654.jpg

Тема "потенциометър за ЧЕСТОТЕН ИНВЕРТОР 1000-G0110T3C 11KW 24A 400V" | Включи се в дискусията:


Сподели форума:

Бъди информиран. Следвай "Направи сам" във Facebook:

Намери изпълнител и вдъхновения за дома. Следвай MaistorPlus във Facebook: