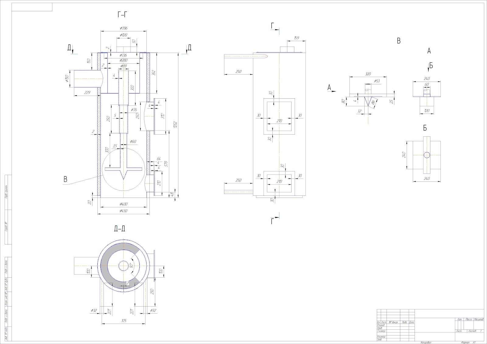
Здравеите приятели искам да се допитам до вас за съвети относно изграждането на инсталация за 2 апартамента един до друг с общо 3 котела, 2 газови по един във всеки апартамен и 1 на твърдо гориво които направих сам по чертеж от интернет понеже истинският такъв е скъпичък.Всеки апартамент има изградена инсталация от газовия към радиаторите и топлата вода, радиаторите са подвързани последователно и на двата апартамента........котелът на твърдо гориво е правен по следният чертеж:
Ако има интерес мога и да покажа снимки на готовия котел: http://stanka7a.snimka.bg/other/kotel.774248.31477516
Апартаментите са тристаен и двустаен 74кв.м. и 56кв.м. един до друг са, а котелът на твърдо гориво предвиждам да е в мазето под тристайния
Благодаря предварително
Апартаментите са тристаен и двустаен 74кв.м. и 56кв.м. един до друг са, а котелът на твърдо гориво предвиждам да е в мазето под тристайния
Благодаря предварително
