Всичко свързано с тоците ми е слабост, опитайте се да ме затрудните.
preslav - майстор
вт яну 07, 2020 8:44 amkabel96 написа:
вт яну 07, 2020 8:22 ampreslav написа:
Аз бих опитал с https://www.google.com/search?q=ssr+rel ... 38&dpr=1.5 вместо контактор.
За тази мощност ще му трябва и радиатор колкото половината стая.
Чак пък половината стая https://vikiwat.com/aluminiev-profil-ra ... m-80a.html най-вероятно ще да е колкото сегашния контактор. На всичкото отгоре няма да чатка, няма да искри, няма да сипе прах от нагорели контакти. Ако не е твърде късно бих подходил по малко по-различен начин, щях да разделя големия контур на 2 по-малки, единият може да работи постоянно, другият да се управлява през терморегулатора, а защо не и двата да се управляват от отделни терморегулатори - тогава заветните 16 А няма да се надхвърлят. Да не изпадам в подробности, че на който му се занимава може да си направи терморегулатор, който да управлява плавно мощността на "реотана", ама пак опираме до радиатор и т.н.
П. Петков - специалист
вт яну 07, 2020 11:44 ampreslav написа:
вт яну 07, 2020 8:44 amkabel96 написа:
вт яну 07, 2020 8:22 ampreslav написа:
Аз бих опитал с https://www.google.com/search?q=ssr+rel ... 38&dpr=1.5 вместо контактор.
За тази мощност ще му трябва и радиатор колкото половината стая.
Чак пък половината стая https://vikiwat.com/aluminiev-profil-ra ... m-80a.html най-вероятно ще да е колкото сегашния контактор. На всичкото отгоре няма да чатка, няма да искри, няма да сипе прах от нагорели контакти. Ако не е твърде късно бих подходил по малко по-различен начин, щях да разделя големия контур на 2 по-малки, единият може да работи постоянно, другият да се управлява през терморегулатора, а защо не и двата да се управляват от отделни терморегулатори - тогава заветните 16 А няма да се надхвърлят. Да не изпадам в подробности, че на който му се занимава може да си направи терморегулатор, който да управлява плавно мощността на "реотана", ама пак опираме до радиатор и т.н.
При вече изградена инсталация двуконтурен нагревател е нецелесъобразен. По-просто решение е последователно на нагревателя да се свърже един диод на радиатор, който се окъсява от контактора. Още по-добре е антипаралелно на диода да се свърже тиристор, който се управлява от релейния изход на терморегулатора. Тиристорът и диодът може да се на един радиатор, тъй като обикновено резбата на диода е катод, а тази на тиристора анод.
Управлението на тиристора е от релейния изход на регулатора, последователно на който има резистор 100 Ohm/0,5W. Този двуполюсник се свързва между анода на тиристора и гейта (между радиатора и гейта). Радиаторът на Викиват има цена, но са "пропуснали" топлинното му съпротивление (oC/W). При 4500W нагревател и захранване 230V токът е 20А. При пад от 2V върху тиристора и диода, радиаторът ще трябва да разсее максимално 80W. Ако допустимата температура на радиатора е 55оС, а околната е 25оС, топлинното му съпротивление трябва да е (55-25)/80=0,38oC/W. При използване на контактор вместо тиристор, радиаторът може да е два пъти по-малък. Диодът и тиристорът представляват безконтактен комутатор и при нагреватели с регулиране на температурата комутаторът задължително трябва да е свързан между фазата и нагревателя. Неудобство е, че радиаторът трябва да се изолира, тъй като е свързан галванично към фазата.При свързване на нагревателя към фазата, а на комутатора към работната нула, има опасност от прегряване при пробив между нагревателя и корпуса на устройството, което налага поставянето на допълнителен, авариен термоизключвател. Това е и причината да се избягват единични нагреватели за линейно напрежение, при които трябва да се прекъсват и двете фази. При трифазните нагреватели свързването трябва да е "звезда", като звездният център задължително се свързва към работната нула, за да се ползват и токовете с нулева последователност, тоест консумираната мощност да е равна на инсталираната, а не по-малка. Солидстейт релетата са удобни, особено тези с комутация в нулата, но искат потенциално управление, което за регулатори само с релеен изход е затруднение.
kozl - майстор
пон яну 13, 2020 7:21 amП. Петков написа:
При вече изградена инсталация двуконтурен нагревател е нецелесъобразен. По-просто решение е последователно на нагревателя да се свърже един диод на радиатор, който се окъсява от контактора. Още по-добре е антипаралелно на диода да се свърже тиристор, който се управлява от релейния изход на терморегулатора. Тиристорът и диодът може да се на един радиатор, тъй като обикновено резбата на диода е катод, а тази на тиристора анод.
Тва не го разбирам. Само с диода ще се намали мощността на нагревателя наполовина. Ако се окъсява диода ще имаме 1/2 и пълна мощност. А къде е нулата (off).
Това с тиристора същото, но няма да се окъсява диода, а тиристора ще пропуска другата полувълна на напрежението.

Некога си правех терморегулатори за аквариуми по проста схема с тиристор. Като избирах нагревател, купувах два пъти по-мощен. По-късно срещнах един производител и продавач на нагреватели за аквариуми. Правеше нагреватели с различна мощност и големина като подбираше и диаметъра на реотана според мощността, така че да се събере в нагревателя и да не се изчервява. Много се учуди като му поръчах нагреватели като тези де прави, обаче с два пъти по-къс реотан :shock: Щел да се изчервява реотана. Да обаче, не и ако се захранва от тиристор.
П. Петков - специалист
пон яну 13, 2020 10:26 amkozl написа:
пон яну 13, 2020 7:21 amП. Петков написа:
При вече изградена инсталация двуконтурен нагревател е нецелесъобразен. По-просто решение е последователно на нагревателя да се свърже един диод на радиатор, който се окъсява от контактора. Още по-добре е антипаралелно на диода да се свърже тиристор, който се управлява от релейния изход на терморегулатора. Тиристорът и диодът може да се на един радиатор, тъй като обикновено резбата на диода е катод, а тази на тиристора анод.
Тва не го разбирам. Само с диода ще се намали мощността на нагревателя наполовина. Ако се окъсява диода ще имаме 1/2 и пълна мощност. А къде е нулата (off).
Това с тиристора същото, но няма да се окъсява диода, а тиристора ще пропуска другата полувълна на напрежението.

Некога си правех терморегулатори за аквариуми по проста схема с тиристор. Като избирах нагревател, купувах два пъти по-мощен. По-късно срещнах един производител и продавач на нагреватели за аквариуми. Правеше нагреватели с различна мощност и големина като подбираше и диаметъра на реотана според мощността, така че да се събере в нагревателя и да не се изчервява. Много се учуди като му поръчах нагреватели като тези де прави, обаче с два пъти по-къс реотан :shock: Щел да се изчервява реотана. Да обаче, не и ако се захранва от тиристор.
Изключването е ръчно от мрежовия ключ. Приема се, че половината мощност ще е достатъчна да осигурява температура малко по-ниска от минималната, която може да се зададе от терморегулатора. Тиристорът се ползва само като управляем безконтактен комутатор на единия полупериод. Това значи, че мощността ще се изменя от 1/2 до максималната, като втората половина, (благодарение на терморегулатора), може да се регулира релейно-пропорционално съобразно смушаващото въздействие в САР-а (импулсно регулиране с ниска честота). Друг е въпросът за типа на регулатора - P, PI, или PID. При релейните се въвежда положителна обратна връзка, която намалява пулсациите на температурата от дискретния характер на регулиране. При стайните биметални терморегулатори съм виждал четвъртВатов подгряващ резистор, който е поставен под биметала и чрез въздуха го подгрява конвекционно, когато контактът е затворен. Така намаляват хистерезиса под възможния минимален, осигурен от кинематичната конструкция. При биметалните, газовите и дилатационните регулатори хистерезисът се намалява като се намалява междината между отворените контакти, но това има граница, наложена от пробивното напрежение, възможността за дъгогасене и опасността от заваряване на контактите.
Има една стара книга от Величко Добринов и колектив, където е описана подробно теорията на релейните електронни регулатори ЕСПА, както и схемите им. Казва се "Релейни електронни регулатори"
.https://knizhen-pazar.net/sold_products/books/1060853
Отдавна минали времена!
spyzip - помощник
Благодаря за отговорите, но не съм инженер и се надявах на по-лесно решение (plug and play).

Това което пробвах е да подам отделно захранване на термостата - нямаше промяна в поведението.
В нета намерих подобен проблем в който се описва, че бобината на контактора прави пик от 50-70V който влияе на електрониката.
Там проблема бил решен с диод, но бобината е на прав ток.

Още едно реле преди бобината не би ли решило проблем?
Има ли решение с готов компонент, който мога да добавя преди бобината да обере тези пикове?
И като цяло няма ли установен и изпитан начин как да контролирам мощен ел. уред с електроника :)
П. Петков - специалист
https://panda-bg.com/bg/product/%D0%A4% ... 92/125215/
Слага се паралелно на самите клеми на контактора. Втори може да се сложи паралелно на захранващите клеми на терморегулатора.
Средният извод - към защитната нула.
По истински е този, но е скъп:
http://tpetrov.com/search.php?prod=%D0% ... 80+FYK03T1
kozl - майстор
пон яну 13, 2020 8:03 pmП. Петков написа:
Слага се паралелно на самите клеми на контактора. Втори може да се сложи паралелно на захранващите клеми на терморегулатора.
Какво имаш в предвид "на клемите на контактора" и как ще действа?

Аз имах следните съмнения:
1. Импулс през захранването на Термостата, вследсвие пад на напрежението при включване на контактора към мощния нагревател.
2. Импулс от бубината на контактора към схемата на термостата.
3. Ел.магнитен импулс влияещ на електрониката в термостата.

за 1. Препоръчах тест без товар.
за 2. Индуктивно капацитивен филтър на бубината на релето, но не съм сигурен, че това е решението.
за 3. Раздалечаване на контактора от термостата.
Интересно ми е кое точно влия е на паметта да си промени настроената температура, но до сега няма отговори :sad:
preslav - майстор
вт яну 14, 2020 7:28 amkozl написа:
Какво имаш в предвид "на клемите на контактора" и как ще действа?
Предполагам е имал предвид точно клемите на бобината на контактора - имал съм случай, в който 6 А реле започна да "лепне" заради токовете на самоиндукция. Заради това на релетата е обозначен и токът на индуктивния товар (на някои релета), на всичкото отгоре на марковите релета предназначени за управление на индуктивни товари материалът на "пъпките" е различен от този на обикновените релета.
Аз бих се опитал да дублирам съществуващото 16 А реле и да премахна контактора, но човекът казва, че не е по силите му и предпочита Plug and PRay т.е. той няма да добави дори предложените му филтри, остава да търси подходящ терморегулатор (готово решение).
Без никой да се обижда, но не го разбирам този подход на проба-грешка - още при монтажа на подвото се е знаело каква е мощността му, знаел се е и терморегулаторът, защо още тогава не са предприети необходимите мерки?
kozl - майстор
Знаело се, какво :?
Товарът не се приема като индуктивен - нагревател е .
Предприети са мерки - добавен е контактор.
Кой да знае, че Термостата ще се шашка от контактора. Проблема е в термостата.
И упреците едва ли са в помощ на автора при сегашното положение.
А пък авторът е задал и въпрос дали е възможно да е от механичните вибрации на контактора.
Аз допускам и такава възможност, но също предпочитам да съм в размисъл, след като автора направи проверките без товар и с подгряване на датчика. Първо да изключа товара от подозрение, после пак без товар, тест с контактор в другия край на помещението с удължени жици до бубината на контактора. Това пък ще изключи вибрации и ел, магнетизъм от бубината.
Но автора иска плъг анд плей решение без да е ясна причината. А той решението си го има, да си ползва реле като предишното. Което пък изключва вероятността товара да е причината, но все пак :?
А също му предложиха да прекара контактора през още едно реле.
Доста предложения, очакам некава ОВ (обратна връзка - отговор от автора). А и предполагам не само аз :?
П. Петков - специалист
вт яну 14, 2020 7:28 amkozl написа:
пон яну 13, 2020 8:03 pmП. Петков написа:
Слага се паралелно на самите клеми на контактора. Втори може да се сложи паралелно на захранващите клеми на терморегулатора.
Какво имаш предвид "на клемите на контактора" и как ще действа?

Аз имах следните съмнения:
1. Импулс през захранването на термостата, вследствие пад на напрежението при включване на контактора към мощния нагревател.
2. Импулс от бобината на контактора към схемата на термостата.
3. Ел.магнитен импулс влияещ на електрониката в термостата.

за 1. Препоръчах тест без товар.
за 2. Индуктивно-капацитивен филтър на бобината на релето, но не съм сигурен, че това е решението.
за 3. Раздалечаване на контактора от термостата.
Интересно ми е кое точно влия е на паметта, та да си промени настроената температура, но до сега няма отговори :sad:
Разбира се на клемите на бобината.

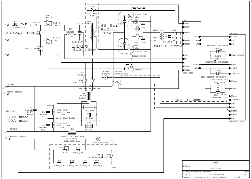
Ето една схема, където има мрежов филтър между ключа за захранване на вентилатора и самия вентилатор.
При изключване на вентилатора се получаваше наводка в платката на усилвателите и изходното напежение "подскачаше".
А вентилаторчето е нищо и никакво - ВА9/2 на Етрополе.
Прикачен файл:
top.jpg

Преди много-много години имах случай, не помня в кой завод беше, но се получаваше фалшиво сработване на индуктивни датчици в линия на ГАПС.
На пода имаше канали, в които вървяха всички кабели - захранващи и комуникационни. Каналите бяха от стоманена ламарина, покрити с капаци.
При управлението на мощните двигатели се получаваха наводки в датчиците, които се виждаха на осцилоскопа.
След много чесане по главата, накарах момчетата да махнат капаците и наводките изчезнаха. Оказа се, че каналите с капаците образуват магнитопровод на токов трансформатор, при който големите пускови токове в силовите кабели индуктират напрежения в комуникационните.
Наложи се комуникационните кабели да ги сложат в стоманени обсадни тръби, защото беше неприемливо някой да пропада в каналите без капаци.

Що се отнася до слепването на релетата, то се получава при постояннотоковите релета, които нямат реманентна междина или възвратните им пружини са "пипани". Примерно при РМ300 има кобилици чрез които може да се натяга или отпуска възвратната пружина. След затваряне на контактите, котвата има ход, който осигурява т.н. провал на контактната система. Чрез него се гарантира контактната сила в затворено положение. При мостовите контакти има допълнителна пружина, натягането на която осигурява тази сила. При клапанните се ползва пружинната сила на носачите на пъпките, които са и тоководещи. Кинематично тези сили се сумират със силата на възвратната пружина и при отпадане на захранването те са в състояние да върнат котвата. Без реманентна междина и отслабена възвратна пружина, при изключване, остатъчната индукция е достатъчна да задържи котвата затворена. Електромагнитната сила като функция от въздушната междина е хипербола и при нулева междина е много голяма.

От токове на самоиндукция може да се получи забавяне при включване и изключване, но не и слепване. Имаше такива постояннотокови релета за време с меден цилиндър на ярема на магнитопровода.
Що се отнася до контактните пъпки, за силовите те се правят от евтектична сплав сребро-кадмиев окис или чрез синтероване, а за комуникационните от сребро и понякога позлатяване.
Някога, когато имаше завод "Искра", силовите контактните пъпки ги запояваха там с боракс и твърд припой.
Завод "Искра" се делеше на две от една улица - "Първа българска армия". Бяхме там на практика. Доцентът, който ни водеше практиката, първия ден ни каза: "Това е завод "Искра". Тук е едната му половина, а отсреща другата. Заводът има още трета и четвърта половини, но те са на друго място"!!! :wink:
Последна промяна от П. Петков на вт яну 14, 2020 2:50 pm, променено общо 1 път.

Тема "Термостат + 25А контактор" | Включи се в дискусията:


Сподели форума:

Бъди информиран. Следвай "Направи сам" във Facebook:

Намери изпълнител и вдъхновения за дома. Следвай MaistorPlus във Facebook: