Може да стане и с кондензатор последователно свързан на намотката на бавната степен. Аз точно така си намалих бавната степен на един вентилатор, която ми беше доста бърза. Пробваш опитно, например първо с 1 микрофарад(може и по-малък), после с 2.2 или комбинираш няколко докато ти хареса. Кондензаторите са неелектролитни с напрежение над 250V.
Да, но как действа този кондензатор в схемата? Мисля, че е по-добре с лампа.
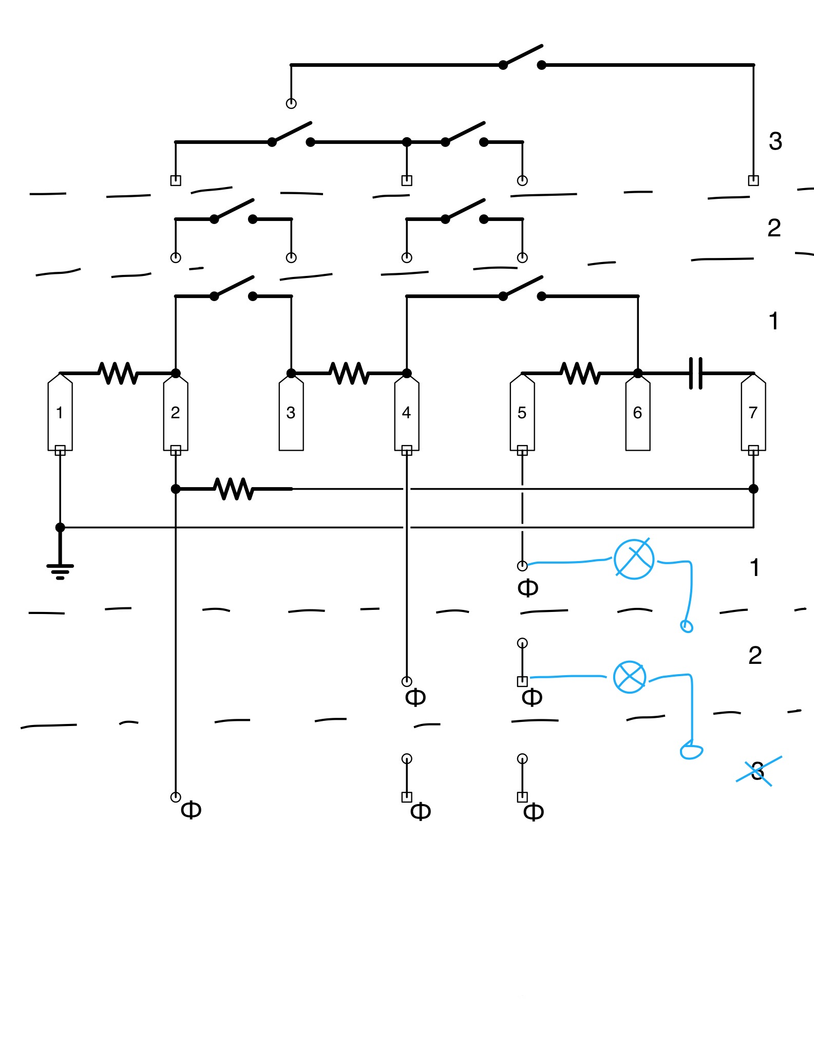
Към момента опитите които правя и то с много добър резултат са, че съм свързал една лампа 40W последователно на първата степен (всъщност неговата си лампа, другата ще си я запазя да си свети нормално) и се оказа, че май така ще остане, оборотите осезателно намаляха. Ще елиминирам третата степен защото първата намотка с лампата се явява нещо като товар на останалите намотки когато са включени на последната степен. На втора няма проблем.
Ще очаквам все пак и други идеи.
