съб яну 18, 2025 7:15 pmbrum написа: За долната интегралка залагам на ACS712. Ползват я да мерят тока.Ще изскочи заек от тоз шипков храст...
Всичко свързано с тоците ми е слабост, опитайте се да ме затрудните.
brum
- майстор
230 мнения в "Нужен ли е МППТ контролер"
Lux Æterna
- специалист
- Мнения: 86
съб яну 18, 2025 3:36 pmшоп написа:Благодаря за споделената информация, @Шоп! За мен е важна!съб яну 18, 2025 1:21 pmLux Æterna написа: На мен ще ми е интересно ако колегата @Шоп сподели до какви градуси горе-долу са се загрявали тези контролери при натоварване. Докосвал ли ги е с пръсти?! Можеш ли да си задържиш ръката върху корпуса, и по-точно където са транзисторите?!Ако питаш дали загряват корпусите външно- не не загряват.
Дъното, страниците и капака са от дебел оребрен алумин, но няма никакви вентилационни отвори. Дори лятото в горешините и при 2500-2800 вата добив корпуса не е по-горещ от 35-40 гр.
Поздрави
geocom
- специалист
- Мнения: 51
Сега първи експерименти - китайските захранващи блокове се оказаха пълен боклук че се наложи едно адаптерче на 12 волта от 220 да ползвам.
Днес времето не е точно за експерименти защото е плътна облачност:

IMG_20250122_092032.jpg (69.39 KиБ) Видяна 1235 пъти

IMG_20250122_091828.jpg (77.55 KиБ) Видяна 1235 пъти
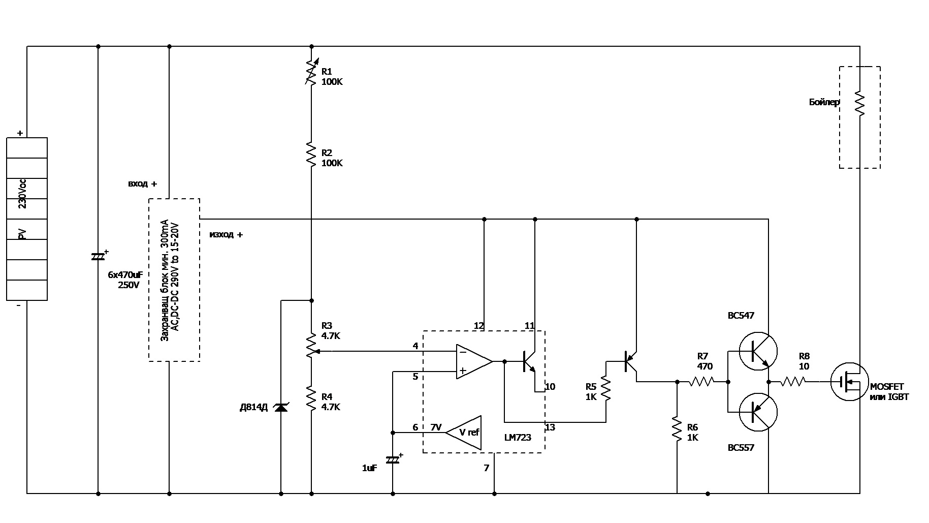
Та това е последната модификация на схемата. На първата снимка са ватовете когато е директно включено, на втората снимка е самия контролер в насипно състояние, на третата снимка са ватовете с включен контролер а на четвъртата е времето в момента - плътна облачност.
Първи впечатления - схемата работи но не ми харесва - хистерезиса е много голям около 4-6 волта и честотата е много ниска въпреки че махнах обратната връзка (с нея е още по зле) - явно трябва да я преработвам още. Може би ще използвам друг компаратор и друг източник на опорно напрежение но принципът ще остане същия.
За сега не се сещам какъв източник на стабилно опорно напрежение да ползвам - може би ще отида директно към другата схема която използва напрежението на отворена верига на панелите за да определи напрежението на работната точка.
Това е за сега от мен - редовните хейтъри да почват.
Днес времето не е точно за експерименти защото е плътна облачност:
Прикачен файл:
IMG_20250122_092032.jpg (69.39 KиБ) Видяна 1235 пъти
Прикачен файл:
IMG_20250122_091828.jpg (77.55 KиБ) Видяна 1235 пъти
Та това е последната модификация на схемата. На първата снимка са ватовете когато е директно включено, на втората снимка е самия контролер в насипно състояние, на третата снимка са ватовете с включен контролер а на четвъртата е времето в момента - плътна облачност.
Първи впечатления - схемата работи но не ми харесва - хистерезиса е много голям около 4-6 волта и честотата е много ниска въпреки че махнах обратната връзка (с нея е още по зле) - явно трябва да я преработвам още. Може би ще използвам друг компаратор и друг източник на опорно напрежение но принципът ще остане същия.
За сега не се сещам какъв източник на стабилно опорно напрежение да ползвам - може би ще отида директно към другата схема която използва напрежението на отворена верига на панелите за да определи напрежението на работната точка.
Това е за сега от мен - редовните хейтъри да почват.
Lux Æterna
- специалист
- Мнения: 86
Слагай един предпазен диод паралелно на нагревателя - @Hidrazin това подсказва в няколко поста, че не се знае какъв транзистор точно ще се ползва. На моя IRFP 450 обещават, че са сложили тунелен диод вътре да го пази, ама дали е там?! Той нагревателя от самоиндукция какво ли напрежение ще изкара, ама да приемем, че може да е проблемно!
Поздрави
Поздрави
geocom
- специалист
- Мнения: 51
ср яну 22, 2025 12:22 pmhidrazin написа:Абе мислих за него ама май няма температурна компенсация и му дават цели 2% неточност - при 150 волта на панелите само от него ще се мени с 3 волта което не е фатално ама .... Днес слънцето по едно време прозираше през облаците и стигна 480 вата а преди при слънчево време не е надминавало 220 вата - панелите са почти легнали и имат малък наклон на запад а сега слънцето е много ниско и ъгъла е много кос. Въпроса е че пак нямам време и ще кара така а на лято ще местя панелите или ще мисля директно да правя другия проект със "излишната" енергия от съществуваща соларна система.
TL431
![]()
geocom
- специалист
- Мнения: 51
ср яну 22, 2025 12:16 pmLux Æterna написа: Слагай един предпазен диод паралелно на нагревателя - @Hidrazin това подсказва в няколко поста, че не се знае какъв транзистор точно ще се ползва. На моя IRFP 450 обещават, че са сложили тунелен диод вътре да го пази, ама дали е там?! Той нагревателя от самоиндукция какво ли напрежение ще изкара, ама да приемем, че може да е проблемно!Паралелно на нагревателя или на транзистора имаш в предвид. На IRFP 450 не са му сложили диод а това е паразитен диод при всички MOSFET - иначе наистина е хубаво да се сложи "шотки" диод.
Поздрави
Тема "Нужен ли е МППТ контролер" | Включи се в дискусията:
Сподели форума:
Бъди информиран. Следвай "Направи сам" във Facebook:
Намери изпълнител и вдъхновения за дома. Следвай MaistorPlus във Facebook:
Имаш нужда от подходящ професионалист за дома?
- Преустройство, ремонт и реновиране
- ↳ Вашите ремонти
- ↳ Кухня
- ↳ Баня
- ↳ Дневна
- ↳ Спалня
- ↳ Детска
- ↳ Градина
- ↳ Коридор
- ↳ Тераса и балкон
- Направи сам
- ↳ Направи сам
- ↳ Ремонтирай сам
- ↳ Къде е по-евтино?
- ↳ Дърводелство
- ↳ Ел. инструменти
- ↳ Металообработване
- ↳ Конкурс "Направи сам 2012"
- Строителство
- ↳ Всичко за вилата
- ↳ Къщи
- ↳ Саниране
- ↳ Хидроизолация
- ↳ Пасивни и нискоенергийни сгради
- Сухо строителство
- ↳ Окачени тавани
- ↳ Преградни стени и предстенни обшивки
- ↳ Сухи и повдигнати подове
- ↳ Декоративни елементи - колони, трегери, сводове и др.
- ↳ Всичко за гипскартона и гипсфазера
- Въпроси и Отговори
- ↳ Полезни съвети
- ↳ Автомобили
- ↳ Партньори
- ↳ Боядисване и Декориране
- ↳ Вентилация, климатици и термопомпи
- ↳ Водоснабдяване и канализация.
- ↳ Всичко за ремонта
- ↳ Електротехника
- ↳ Отопление
- ↳ Газификация
- ↳ Електроника и Схеми
- ↳ Газобетон
- ↳ От всичко по малко
- ↳ Компютри и периферия
- ↳ Уеб дизайн, PHP, MySQL, JavaScript, HTML..
- ↳ Мобилни устройства, GSM-и
- ↳ Нека се запознаем
- ↳ Recycle Bin
- Статии
- ↳ Практични решения
- ↳ Качване на снимки
- ↳ Какви статии искате?
- ↳ Готварство, туршии и зимнина
- ↳ Отмора и шеги
- ↳ От нищо нещо
- ↳ Не е за вярване
- ↳ Литература
- ↳ Връзки към Интересни сайтове
- Магазин
- ↳ Препоръки и Мнения за он-лайн магазина
- ↳ Крадeни инструменти !!!